How is the grid biased on a triode vacuum tube amplifier?

Click For Summary

Discussion Overview

The discussion revolves around the biasing of the grid in a triode vacuum tube amplifier circuit. Participants explore the implications of grid biasing on signal amplification, the necessary voltage levels, and the configuration of components within the circuit. The conversation includes technical explanations and conceptual clarifications regarding the operation of triodes.

Discussion Character

  • Technical explanation
  • Conceptual clarification
  • Debate/contested
  • Mathematical reasoning

Main Points Raised

  • One participant suggests that a bias voltage of -150V on the grid is ideal for allowing the waveform to fluctuate from 0V to 300V.
  • Another participant questions the origin of the -150V figure and suggests consulting a triode datasheet for accurate information.
  • It is noted that valve radios typically use two independent power supplies, with no negative supply available.
  • A participant advises that the bias resistor should be placed in the cathode circuit and bypassed with a capacitor for class A linear operation.
  • Concerns are raised about aiming for a 300V peak-to-peak output with a 300V supply voltage, suggesting that a lower output voltage may be more realistic.
  • Grid leakage is mentioned as a method to provide bias when the cathode is grounded and no negative supply exists.
  • One participant elaborates on the importance of biasing the grid to allow the tube to capture the entire waveform, expressing confusion about how the -150V is applied.
  • Another participant states that the grid must be at a negative voltage compared to the cathode to control the flow of electrons emitted from the cathode.
  • There are references to external resources, such as the RCA Tube Manual and a datasheet for the 12AU7 tube, as valuable for understanding tube operation.

Areas of Agreement / Disagreement

Participants express differing views on the appropriate bias voltage and the configuration of the circuit components. There is no consensus on the ideal biasing method or the implications of various voltage levels on the amplifier's performance. The discussion remains unresolved with multiple competing perspectives.

Contextual Notes

Some participants highlight limitations in understanding the relationship between grid biasing and the overall circuit operation, particularly regarding the application of negative voltage and the effects of varying DC signals.

BeautifulLight
Messages
39
Reaction score
0
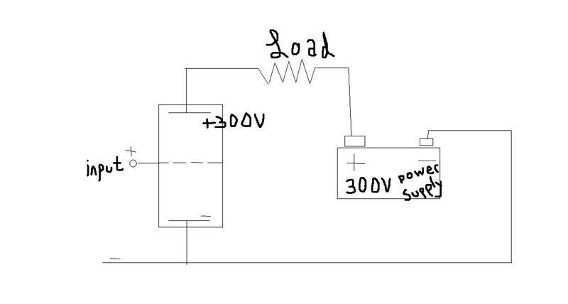
Here is my single triode vacuum tube amplifier circuit

tyla.jpg


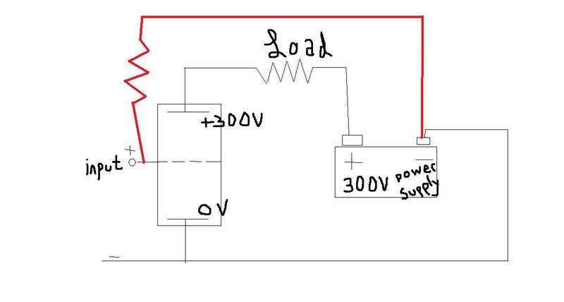
I understand there needs to be a bias on the grid otherwise the signal will be rectified -not amplified. Is biasing the grid as simple as running a resistor in-between the grid and the cathode on the power supply like this (in red)?

tyla1.jpg


From my understanding, the ideal bias voltage on the grid would be -150V. This would allow the waveform to equally fluctuate from 0V to 300V within your rail voltage.

So?

So the cathode from the supplied voltage is 0V. How is wiring a resistor in series from the grid to the cathode giving you -150V on the grid? There is something about relative potential that I am not seeing.
 
Last edited:
Engineering news on Phys.org
From my understanding, the ideal bias voltage on the grid would be -150V. This would allow the waveform to equally fluctuate from 0V to 300V within your rail voltage.

Where'd you get that 150 volt number ?

Take a look at a triode datasheet. Here's one.
http://www.wooaudio.com/docs/tube_data/12AU7.pdf

Have you a copy of the RCA Receiving Tube Manual ? It's a marvelous resource and well worth the few bucks on Ebay. First chapters are a course on vacuum tubes and basic electronics.

http://www.ebay.com/sch/i.html?_kw=RCA+Tube+Manual
 
Valve radios have two independent power supplies: low voltage AC to heat the cathodes (e.g., 6.3 VAC), and a smooth high voltage DC known as B+ (e.g., 300 VDC) supplying the plates (anodes). There is no negative supply.
 
Your bias resistor should be in the cathode circuit and bypassed for ac with a capacitor (for class A linear operation). Do an image search for common cathode triode amplifier.
 
With a 300V supply voltage, aiming for a 300V peak-to-peak output isn't realistic. 200V would be a a lot. The other factor you forgot is that the tube is a voltage amplifier. So for a voltage gain of say 20, a 200Vpp output would only need about 10Vpp on the grid.

As TurtleMeister said, you would put a "small" resistor between the power supply ground and the cathode, to raise the cathode voltage to about 10V above ground, and the grid voltage would then swing a few volts either side of -10V relative to the cathode.
 
Grid leakage is sometimes used to provide bias when cathode is grounded and there's no negative supply.
That led to youthful tomfoolery - "I fixed your radio. All it needed was the grid leak drip pans emptied."
I guess nowadays it'd be more like "Anybody know where to connect Arduino filament voltage?"


The datasheet linked gives values for Rgrid both with and without cathode bias.
 
jim hardy said:
Where'd you get that 150 volt number ?

http://www.ebay.com/sch/i.html?_kw=RCA+Tube+Manual

150 is half of 300. And I arbitrarily chose 300. I was going to choose 9V, but 4.5 is not an even number. And I just remembered some guy on Youtube choosing 300V to explain how a tube worked.

I made another sketch,

Zebra.jpg


Figure A is the input signal we're trying to amplify.

Figure B is a representation of what would happen if you didn't bias the grid -you'd only get half the waveform. *Please keep in mind the signal here is TRUE AC (not varying DC).

Figure C is what happens when you bias the grid with -150V. Now look at where the waveform has started in figure C. It's already at +150V or "half throttle" as some people like to put it. This is going to allow the waveform to fluctuate both upwards and downwards. In other words, biasing allows the tube to "capture" the whole waveform being inputted. I just didn't quite/don't understand how the -150V is impressed on the grid.
 
Last edited:
AlephZero said:
As TurtleMeister said, you would put a "small" resistor between the power supply ground and the cathode...

Got it!

Put a small resistor in-between the PSU's GND and the cathode and the valve should idle (forgot about this term) somewhere in-between 0 and 300V.



There's the video if anyone wants to watch it. First minute he explains how you need to impress a negative voltage on the grid relative to the cathode...
Also, there's no way I can make it so that my tube will only "see" a varying DC signal? ...doing that should eliminate the need for a bias, correct?
 
Last edited by a moderator:
BeautifulLight said:
Also, there's no way I can make it so that my tube will only "see" a varying DC signal? ...doing that should eliminate the need for a bias, correct?

I don't think that will work. The basic source of the current through the tube is electrons emitted from the hot cathode. The number of electrons emitted per second is constant. The purpose of the grid is to stop them all getting to the anode. If you imagine there is a linear electric field between the anode and cathode, the grid needs to be at a negative voltage compared with the voltage at that point in the electric field. The grid is usually physically close to the cathode, so in practice it needs to be a few volts negative compared with the cathode.
 
  • #10
I just remembered some guy on Youtube choosing 300V to explain how a tube worked.

i think you should go to a real source of information about tubes.


Everything you ask is explained quite well in the first few pages of RCA tube manual.

Did you even look at that 12AU7 datasheet ?
 

Similar threads

  • · Replies 13 ·
Replies
13
Views
2K
Replies
12
Views
3K
Replies
6
Views
4K
  • · Replies 23 ·
Replies
23
Views
4K
  • · Replies 30 ·
2
Replies
30
Views
5K
Replies
12
Views
2K
Replies
2
Views
4K
  • · Replies 25 ·
Replies
25
Views
5K
  • · Replies 5 ·
Replies
5
Views
3K
  • · Replies 21 ·
Replies
21
Views
3K