I with finding a voltage across a Capacitor

  • Thread starter Thread starter anonx12
  • Start date Start date
  • Tags Tags
    Capacitor Voltage
Click For Summary

Homework Help Overview

The discussion revolves around finding the voltage across a capacitor in a circuit, utilizing concepts such as the Voltage Divider Rule, Thevenin Equivalent, and Ohm's Law.

Discussion Character

  • Exploratory, Assumption checking, Problem interpretation

Approaches and Questions Raised

  • Participants discuss the application of the Voltage Divider Rule and equivalent resistance calculations. Some express confusion about the relationship between the voltage across the capacitor and the voltage across a resistor in the circuit. Others question the assumptions made regarding current flow in different parts of the circuit.

Discussion Status

There is an ongoing exploration of the problem with various interpretations being discussed. Some participants have attempted calculations and shared their workings, while others have requested more detailed explanations of those attempts. Guidance has been offered regarding the relationship between voltages in parallel circuits, but no consensus has been reached.

Contextual Notes

Participants are working under the assumption that the circuit is in a settled condition, and there is a noted lack of clarity regarding the current flow in certain circuit components.

anonx12

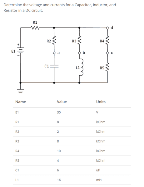
Homework Statement


Find the voltage across the capacitor given the data underneath the circuit.

Homework Equations


Voltage Divider Rule
Thevenin Equivalent
Ohms Law

The Attempt at a Solution


I have tried using the Voltage divider rule but I can't seem to get the right answer. The correct answer is 13.61V . I calculated the total current and overall resistance, but I don't know how to arrive where they got. Can someone help me?
 

Attachments

  • Untitled.png
    Untitled.png
    8.8 KB · Views: 564
Physics news on Phys.org
upload_2017-10-15_22-53-42.png


There is no current flowing in the R2 + C1 leg of the circuit so what is the voltage drop across R2 ?
 
Last edited:
I calculated the equivalent resistance of the ones in parallel, excluding R1. That number is 1435 ohms. I then tried to use the voltage divider rule: Vr2= Req/(R8+Req)
 
I think you missed the point of my question . Please show us your actual workings .
 
Nidum said:
I think you missed the point of my question . Please show us your actual workings .
The voltage across resistor 2 is the same as the voltage across the capacitor. Since the voltage across parallel circuits is the same, we only need to use the voltage divider rule among Resistor 1 and the resistors in parallel. Doing this however, doesn't result in the correct answer.
My worked solutions is : Vr2= (Req/(Req+R1))(35V) Vr2=5.32V Req= ((1/2)+(1/8)+(1/14))^-1
 
anonx12 said:
The voltage across resistor 2 is the same as the voltage across the capacitor

That is not correct . If you can work out why then solving the rest of the problem will be easy .
 
In this simpler problem what is V2 ?
RC temp.jpg

nb : Assume that the circuit is in a settled condition .
 

Similar threads

Replies
2
Views
1K
  • · Replies 7 ·
Replies
7
Views
1K
  • · Replies 3 ·
Replies
3
Views
2K
Replies
4
Views
2K
Replies
3
Views
2K
  • · Replies 3 ·
Replies
3
Views
2K
  • · Replies 5 ·
Replies
5
Views
2K
  • · Replies 11 ·
Replies
11
Views
2K
  • · Replies 3 ·
Replies
3
Views
1K