Is my Centroid Calculation Correct?

Click For Summary

Discussion Overview

The discussion revolves around the calculation of the centroid for a specific shape and the determination of the plastic modulus. Participants explore the relationship between the centroid and the horizontal line of equal area, as well as the discrepancies in calculated values for the plastic section modulus.

Discussion Character

  • Homework-related
  • Mathematical reasoning
  • Debate/contested

Main Points Raised

  • One participant asserts that the centroid and the horizontal line of equal area lie on the same horizontal line, seeking confirmation.
  • Another participant suggests that symmetry supports the initial claim, provided no additional information contradicts it.
  • A participant introduces the concept of plastic analysis and presents a calculation for the plastic modulus, expressing confusion over a discrepancy between their result and a provided answer.
  • Further elaboration on the centroid of a rectangular piece and the effect of cutting out a section is provided, indicating that the centroid of the remaining shape shifts.
  • Another participant proposes that the discrepancy in calculated values may stem from a difference between the plastic section modulus and the elastic section modulus.

Areas of Agreement / Disagreement

Participants express differing views on the correctness of the centroid calculation and the interpretation of the section modulus, indicating that multiple competing views remain without a clear consensus.

Contextual Notes

Some assumptions regarding the shape's symmetry and the definitions of the section modulus may not be explicitly stated, leading to potential misunderstandings in the calculations presented.

fonseh
Messages
521
Reaction score
2

Homework Statement


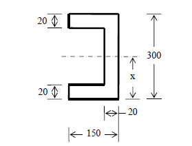
For this shape , it's clear that the centroid and the horizontal line of equal axis lies on the same horizontal line , am i right ?

Homework Equations

The Attempt at a Solution


I'm not sure . correct me if i am wrong . [/B]
 

Attachments

  • 23.PNG
    23.PNG
    1.8 KB · Views: 809
Physics news on Phys.org
fonseh said:

Homework Statement


For this shape , it's clear that the centroid and the horizontal line of equal axis lies on the same horizontal line , am i right ?

Homework Equations

The Attempt at a Solution


I'm not sure . correct me if i am wrong . [/B]
Do you mean "line of equal area"?
Anyway, yes, symmetry should convince you that you're right if there's no other information given.
 
  • Like
Likes   Reactions: fonseh
Mark44 said:
Do you mean "line of equal area"?
Anyway, yes, symmetry should convince you that you're right if there's no other information given.
Are you familiar with plastic analysis ? Zp here is the plastic modulus .

I use another method to do , but i get different answer , why ?

Here's my working : , Zp = Sum of area x ( difference between centroid of particluar area and the equal area axis )

Zp = [ (130)(20)(150-10) + (150)(20)(150/2) ] x 2 = 1178000 , but the ans provided is only 929040
 
fonseh said:
Are you familiar with plastic analysis ?
No, I'm not, but I am familiar with the concept of centroids.
My answer is based on the fact that the shape in the drawing is symmetric about its horizontal midline.
fonseh said:
Zp here is the plastic modulus .

I use another method to do , but i get different answer , why ?

Here's my working : , Zp = Sum of area x ( difference between centroid of particluar area and the equal area axis )

Zp = [ (130)(20)(150-10) + (150)(20)(150/2) ] x 2 = 1178000 , but the ans provided is only 929040

If you had a rectangular piece of some uniform, rigid material 150 mm by 300 mm, its centroid would be at the center of the piece, at a point 75 mm to the right of the left edge, and 150 mm above the lower edge. If you cut out a rectangle 130 mm by 260 mm to form a "C" shape as in your drawing, the centroid of the piece you remove would be at its center, and the centroid of the remaining C-shaped piece would be along the horizontal midline, but a bit right of where it was for the original uncut piece of material.
 
Your number looks correct for the plastic section modulus perhaps the book is looking for the elastic section modulus you'll have to run the numbers
 

Similar threads

  • · Replies 9 ·
Replies
9
Views
2K
  • · Replies 2 ·
Replies
2
Views
3K
  • · Replies 2 ·
Replies
2
Views
2K
  • · Replies 3 ·
Replies
3
Views
2K
  • · Replies 2 ·
Replies
2
Views
2K
Replies
19
Views
4K
  • · Replies 1 ·
Replies
1
Views
3K
  • · Replies 4 ·
Replies
4
Views
2K
  • · Replies 1 ·
Replies
1
Views
10K
Replies
4
Views
2K