Leeson feedback mechanism question

  • Thread starter Thread starter yefj
  • Start date Start date
Click For Summary
SUMMARY

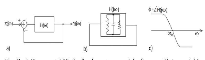
The discussion centers on the Leeson feedback mechanism in amplifier circuits, specifically addressing the role of feedback in a transistor circuit configured as a negative-impedance stage. The inductor, LSer, serves as the feedback element, while the resonant circuit at the gate establishes the operating frequency. The feedback comparison is implied to occur through the transistor's internal stray coupling, as noted in the referenced PDF. This topic is particularly relevant for those exploring advanced amplifier design and feedback systems.

PREREQUISITES
  • Understanding of amplifier circuit design
  • Familiarity with negative-impedance stages
  • Knowledge of resonant circuits and their behavior
  • Basic concepts of feedback mechanisms in electronics
NEXT STEPS
  • Research the role of feedback in transistor amplifier circuits
  • Explore the principles of negative-impedance stages
  • Study the effects of stray coupling in electronic components
  • Learn about resonant circuit design and its applications
USEFUL FOR

Electronics engineers, amplifier designers, and hobbyists interested in advanced feedback mechanisms and resonant circuit applications.

yefj
Messages
90
Reaction score
2
TL;DR
leeson mechanism reccomendation question
Hello,I want to created th following system.From the articles I see that we input noise to the amplifier then the noise gets amplified and we compare thefeedback from the output(s11) to the noise.
few questions:
1. where is the comparation of the feedback in the topology below.
I cant see here the feedback.
2. at resonance we have phase of 0,what is the effect of the feedback here?
Thanks.

1745301995344.png

1745301203751.png
 

Attachments

Last edited:
Engineering news on Phys.org
The inductor, LSer is the feedback element in making the transistor circuit a negative-impedance stage. The resonant circuit on the gate determines the frequency. Although unstated, I suspect that the actual feedback is the transistor's internal stray coupling. This is based on my reading of pgs. 2 thru 4 of your attached PDF file.

This is way outside my usual field so this reference will page @berkeman, who I believe is a ham radio operator that may have a better (and more accurate!) explanation.

Cheers,
Tom
 

Similar threads

  • · Replies 1 ·
Replies
1
Views
2K
Replies
26
Views
7K
Replies
1
Views
2K
  • · Replies 4 ·
Replies
4
Views
2K
  • · Replies 5 ·
Replies
5
Views
3K
  • · Replies 8 ·
Replies
8
Views
2K
Replies
9
Views
4K
  • · Replies 1 ·
Replies
1
Views
2K
  • · Replies 0 ·
Replies
0
Views
2K
  • · Replies 2 ·
Replies
2
Views
14K