Need help finding the restraining reaction force for a beam

Click For Summary

Homework Help Overview

The discussion revolves around determining the restraining reaction forces at hinges A and E of a beam structure affected by a known couple. Participants are analyzing the forces and moments acting on the system, particularly focusing on the relationships between the forces at different points.

Discussion Character

  • Exploratory, Assumption checking, Mathematical reasoning

Approaches and Questions Raised

  • Participants explore the calculation of reaction forces at hinges A and E, with some attempting to derive expressions for these forces based on equilibrium conditions. Questions arise regarding the correctness of these calculations and the interpretation of the official answer.

Discussion Status

The discussion is ongoing, with participants providing insights into their calculations and questioning the assumptions made in the problem setup. Some have pointed out potential errors in notation and reasoning, while others are seeking clarification on the derivation of specific forces.

Contextual Notes

There are indications of missing information regarding horizontal forces, which some participants note could affect the overall analysis. The discussion reflects a mix of interpretations and approaches to the problem, highlighting the complexity of the forces involved.

Kile
Messages
12
Reaction score
0
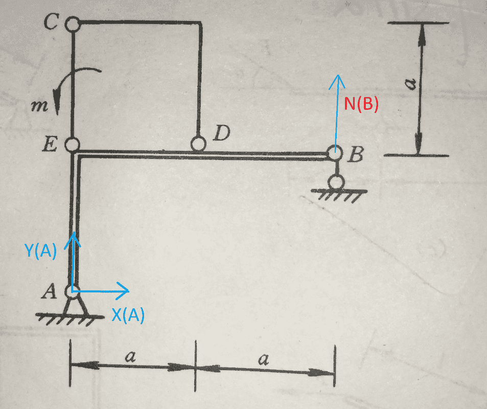
1. The illustrated structure is affected by a known couple, and try to figure out the restraining reaction force of the hinge A and hinge E.
LW9hyYP.jpg


We should analyse ECD instead. Since arm CD is a two force members, so N(C) in in the direction where CD connects by these two points. The distance from E to diagonal CD is a/√2. So we have N(C)=√2 m/a. Because N(C)=N(E) ( N(C) and N(E) together form a couple), N(E)=√2 m/a.
Where did I go wrong?
 

Attachments

  • LW9hyYP.jpg
    LW9hyYP.jpg
    57 KB · Views: 806
Physics news on Phys.org
Kile said:
Where did I go wrong?
I agree with your reasoning and answer. Who says it is wrong? What other answer is given ?
 
haruspex said:
I agree with your reasoning and answer. Who says it is wrong? What other answer is given ?
The official answer just doesn't match mine.
 
Kile said:
The official answer just doesn't match mine.
Ok, but what is the official answer?
 
R_A= \frac m 2a, R_E=\frac \sqrt {{2} m} a,
 
Your latex had some errors. In fixing it up I arrived at
Kile said:
##R_A= \frac m{ 2a}##, ## R_E=\frac {\sqrt {2} m} a##,
But that makes the reaction at E the same as you got, so perhaps you meant something else.
 
haruspex said:
Your latex had some errors. In fixing it up I arrived at

But that makes the reaction at E the same as you got, so perhaps you meant something else.
Yes. You did it in the right format. Do u know how to get this official answer?
 
Kile said:
Yes. You did it in the right format. Do u know how to get this official answer?
As I wrote, it's the same as your answer, just written differently. They both say ##(\sqrt 2)(\frac ma)##.
 
How did u get ##N_A## ?
Can u draw a diagram to illustrate?
 
  • #10
Kile said:
How did u get ##N_A## ?
Can u draw a diagram to illustrate?
I thought we were discussing NE.
For NA, take moments about the other hinge.
 
  • #11
How can u get it? can u help me out?
 
  • #12
Kile said:
How can u get it? can u help me out?
Consider the whole frame as one body. If you take the B hinge as axis, what moments are there?
 
  • #13
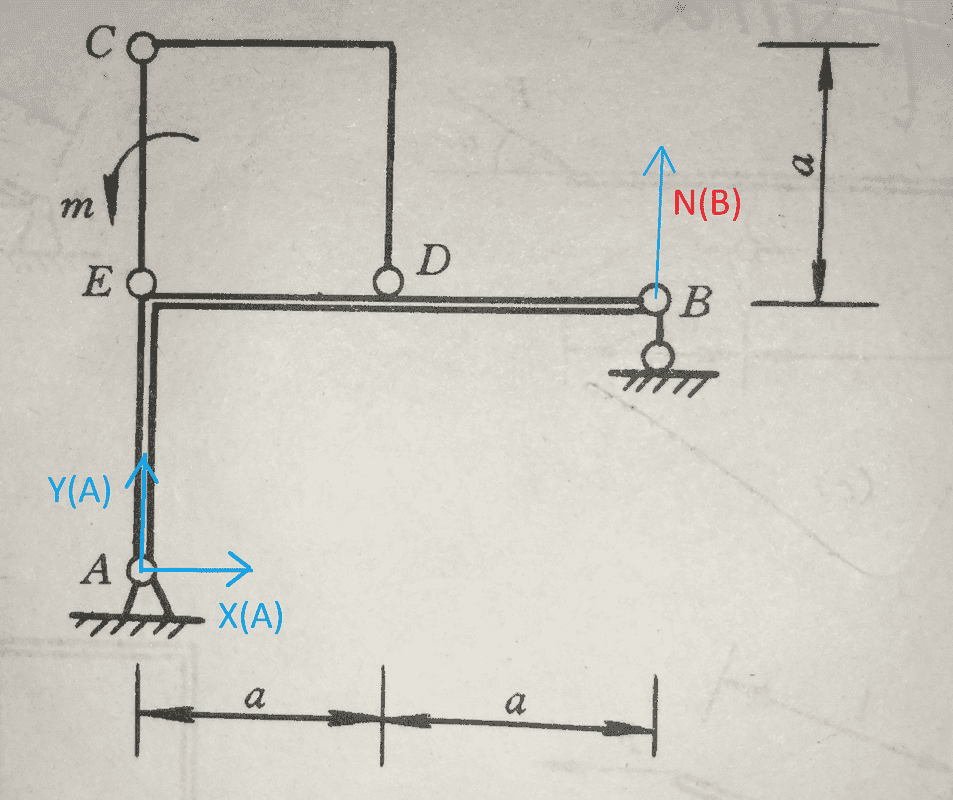
zcrgSYO.png
Because point B has a pulley on the ground, ##N_B## is vertical.
Choose A be centroid
$$\sum m_A (F)=0, ~2a N_B + m=0$$
$$\Rightarrow N_B=\frac {-m} {2a},$$ So it's downward.
X-axis, $$X_A=0$$
Y-axis, $$Y_A=0 $$ $$N_B + Y_A=0$$
$$\Rightarrow Y_A= -N_B = \frac {m} {2a}$$ So ##Y_A## it's upward.
 

Attachments

  • zcrgSYO.png
    zcrgSYO.png
    150.9 KB · Views: 775
Last edited:
  • #14
Kile said:
View attachment 240415 Because point B has a pulley on the ground, ##N_B## is vertical.
Choose A be centroid
$$\sum m_A (F)=0, 2a N_B + m=0$$
$$\Rightarrow N_B=\frac {-m} {2a},$$ So it's downward.
X-axis, $$X_A=0$$
Y-axis, $$Y_A=0 $$ $$N_B + Y_A=0$$
$$\Rightarrow Y_A= -N_B = \frac {m} {2a}$$ So ##Y_A## it's upward.
Right... except, strictly speaking there could be equal and opposite horizontal forces at A and B, making the problem indeterminate.
 
  • #15
haruspex said:
Right... except, strictly speaking there could be equal and opposite horizontal forces at A and B, making the problem indeterminate.
You mean $$X_A = X_ B$$ It may not equals to 0.
We just can't calculate it from the information already given.
Is that what you are trying to say here?
 
  • #16
Kile said:
You mean $$X_A = X_ B$$ It may not equals to 0.
We just can't calculate it from the information already given.
Is that what you are trying to say here?
Right, except XA=-XB. And if not zero then it changes YA and YB so as to balance the torque.
 

Similar threads

Replies
3
Views
2K
Replies
3
Views
1K
  • · Replies 6 ·
Replies
6
Views
3K
  • · Replies 6 ·
Replies
6
Views
3K
  • · Replies 3 ·
Replies
3
Views
3K
  • · Replies 5 ·
Replies
5
Views
2K
Replies
22
Views
3K
Replies
6
Views
2K
Replies
2
Views
3K
  • · Replies 5 ·
Replies
5
Views
3K