Solving Circuit Questions: Finding Vth and Currents

  • Thread starter Thread starter GreenPrint
  • Start date Start date
  • Tags Tags
    Circuits
Click For Summary

Homework Help Overview

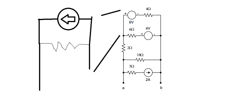
The discussion revolves around analyzing a circuit to find the Thevenin equivalent voltage (Vth) and currents. Participants are exploring circuit reduction techniques, specifically Thevenin and Norton models, to simplify the analysis of the circuit components.

Discussion Character

  • Exploratory, Conceptual clarification, Problem interpretation, Assumption checking

Approaches and Questions Raised

  • Participants discuss various methods for simplifying the circuit, including converting voltage sources and resistors into Norton equivalents. There are attempts to clarify the relationships between components and the implications of circuit configurations. Questions arise regarding the correctness of initial equations and the handling of specific resistors.

Discussion Status

The discussion is active, with participants providing guidance on circuit reduction techniques and questioning the validity of certain steps taken in the analysis. There is a mix of interpretations being explored, particularly regarding the configuration of voltage sources and resistors.

Contextual Notes

Some participants express uncertainty about the setup of the circuit and the assumptions made regarding the reference nodes and component arrangements. There are indications of potential misunderstandings about the relationships between the components in the circuit.

GreenPrint
Messages
1,186
Reaction score
0

Homework Statement



See attached

Homework Equations





The Attempt at a Solution



I found Vth
(V1 - V2)/2 + V1/10 + 2 = 0

(V2-6)/4 + (V2-4)/6 + (V2 - V1)/2 = 0

Solving for V1 I get -5/2 and V2 I get 1
V1 = Vth = -5/2

I believe this is correct. It's just if these two initial equations are wrong or correct. In the first equation I added the current entering the node close to a as V1. I wasn't sure how to handle the 5 ohm resistor.

I choose V2 as the node between the 2 ohm resistor, the 6 ohm resistor and the 6V power source.

I choose the ground reference node to be the whole right side.

I'm not sure how to procede and find the current across the short because drawing a wire to a and b results in a huge essential node.

Thanks for any help.
 

Attachments

  • Capture.PNG
    Capture.PNG
    9.3 KB · Views: 423
Physics news on Phys.org
Sometimes its easier to work step by step through the circuit, converting pieces to Thevenin or Norton models as you go, swallowing up the circuit until you're left with a single source and resistor, or a least a circuit that is trivial to analyze further.

For example, suppose you were to convert both of the voltage supplies and their resistors to Norton equivalents. You could then combine them both easily into a single Norton equivalent since the currents will be in parallel as will their resistors. Then convert it to a Thevenin model and swallow up the next two resistors. Eventually you should be able to get it down to two current sources and a couple of resistors. Open circuit voltage and short circuit current should be obtainable practically by inspection.
 
So I do something like this.

Where the resistor I drew has the same resistance as the resistor next to the 6V source (in this case 4 ohms) and the current source is just 6/4 A or 3/2 Amps?
 

Attachments

  • Untitled.png
    Untitled.png
    7.3 KB · Views: 417
GreenPrint said:
So I do something like this.

Where the resistor I drew has the same resistance as the resistor next to the 6V source (in this case 4 ohms) and the current source is just 6/4 A or 3/2 Amps?

Yup. Do the same for the next voltage source/resistor. You should then be able to combine them into a single current source and resistance...
 
This is what I get
what do I do from here?
 

Attachments

  • Untitled.png
    Untitled.png
    4.3 KB · Views: 380
Is it a voltage source of 380/53 with a resistor of 190/53 in parallel?
 
It seems odd that you'd end up with a voltage supply in parallel with a resistance if you've been doing Thevenin/Norton reductions along the way. Can you outline the steps you've taken to get there?
 
Ya
see attached
 

Attachments

  • Untitled.jpg
    Untitled.jpg
    22.3 KB · Views: 368
Last edited:
Okay. A Thevenin model is always a voltage source in series with a resistance. A Norton model is a current source in parallel with a resistance. If you convert a Norton model to a Thevenin model, the resistance is the same value, and vice versa.

I see from your attachment that the second voltage source, 4V with 6 Ohms in series, has been turned into a 1/2 Amp source with 8 Ohms in parallel. That's not right. The 2 Ohm resistor is NOT in series with the 4V supply. Only the 6 Ohm resistor is. So turn the 6 Ohm resistor and the 4V source into its Norton equivalent. Then combine the two parallel Norton models into one. This in turn can become a Thevenin model with a series resistance that can take then take the 2 Ohm resistor on board.
 

Similar threads

  • · Replies 3 ·
Replies
3
Views
2K
  • · Replies 7 ·
Replies
7
Views
8K
  • · Replies 11 ·
Replies
11
Views
3K
Replies
2
Views
6K
Replies
7
Views
2K
Replies
40
Views
3K
Replies
8
Views
2K
  • · Replies 2 ·
Replies
2
Views
1K
  • · Replies 2 ·
Replies
2
Views
2K
  • · Replies 11 ·
Replies
11
Views
6K