Gabriel Maia
- 70
- 1
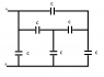
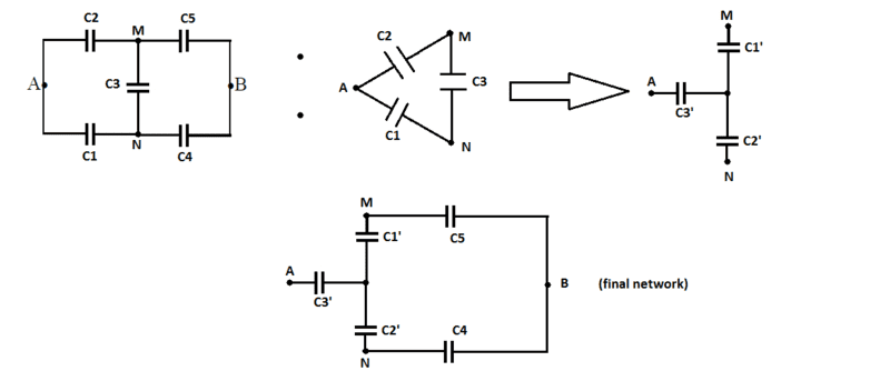
Hi. The problem is: Show that this capacitor network can be reduced to one equivalent capacitor and find its capacitance Ceq. (The network is in the attached image)
I've tried to solve this problem by eliminating the capacitors two by two but it never lead me to the correct answer: Ceq=2C. In fact, I've reached a fair amount of different solutions trying different combinations of capacitor pairs.
My problem is: None of them have a clear association with any other. Neither a parallel nor a series connection. The three inferior capacitors have their inferior plates conected to the potential VB but their superior plates are connected to different potentials. They are not, therefore, connected in parallel.
How do I analyse this system?
Thank you.
I've tried to solve this problem by eliminating the capacitors two by two but it never lead me to the correct answer: Ceq=2C. In fact, I've reached a fair amount of different solutions trying different combinations of capacitor pairs.
My problem is: None of them have a clear association with any other. Neither a parallel nor a series connection. The three inferior capacitors have their inferior plates conected to the potential VB but their superior plates are connected to different potentials. They are not, therefore, connected in parallel.
How do I analyse this system?
Thank you.
Attachments
Last edited:
