Something I don't understand about kirchhoff's laws

  • Thread starter Thread starter Eitan Levy
  • Start date Start date
  • Tags Tags
    Laws
Click For Summary

Homework Help Overview

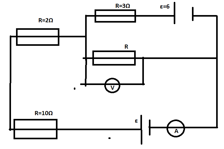
The discussion revolves around applying Kirchhoff's laws to a circuit problem involving an ammeter reading of 2A and a voltmeter reading of 5V. Participants are tasked with finding unknown values of ε and R based on the provided circuit parameters.

Discussion Character

  • Exploratory, Assumption checking, Problem interpretation

Approaches and Questions Raised

  • Participants discuss the ambiguity of current direction in relation to the signs of voltage and resistance in their equations. There are questions about how to determine the correct sign for RI1 and the implications of current direction on the calculations.

Discussion Status

The discussion is ongoing, with participants providing guidance on the importance of clearly indicating current and voltage directions in circuit diagrams. There are multiple interpretations of the problem, particularly regarding the signs of the values involved, and participants are exploring these interpretations without reaching a consensus.

Contextual Notes

Some participants express confusion over the assumptions made regarding current direction and the resulting calculations. There is a mention of the need for a complete circuit diagram to facilitate clearer communication and understanding of the problem.

Eitan Levy
Messages
259
Reaction score
11

Homework Statement


The value displayed on the ampetmeter is 2A.
The value displayed on the voltmeter is 5V
Find the unknown ε and R

Homework Equations

The Attempt at a Solution


I have the correct equations, I am sure of it. However on of them is:
2*2+2*10-ε-RI1=0
How do I know if RI1 (I1 is the current on the "branch" with the unknown R) is 5 or -5? The correct answer is -5, because the answer is 29. How do I know this? Why can't it be 5?
 

Attachments

  • ‏‏לכידה.PNG
    ‏‏לכידה.PNG
    2.5 KB · Views: 551
Physics news on Phys.org
It can be 5 or -5 depending on which way you have drawn your current arrow.
Eitan Levy said:

Homework Statement


The value displayed on the ampetmeter is 2A.
The value displayed on the voltmeter is 5V
Find the unknown ε and R

Homework Equations

The Attempt at a Solution


I have the correct equations, I am sure of it. However on of them is:
2*2+2*10-ε-RI1=0
How do I know if RI1 (I1 is the current on the "branch" with the unknown R) is 5 or -5? The correct answer is -5, because the answer is 29. How do I know this? Why can't it be 5?
Since you have not shown your assumed current direction in the loop on the diagram I have to assume that your difficulty is that you drew the arrow such that the answer is -5 instead of the +5 you would prefer. Reverse your arrow and you'll get +5
 
phinds said:
It can be 5 or -5 depending on which way you have drawn your current arrow.

Since you have not shown your assumed current direction in the loop on the diagram I have to assume that your difficulty is that you drew the arrow such that the answer is -5 instead of the +5 you would prefer. Reverse your arrow and you'll get +5

The direction isn't supposed to matter, I am supposed to get the same answer, and I don't know the answer beforehand so I can't do what you suggested.
 
Eitan Levy said:
The direction isn't supposed to matter, I am supposed to get the same answer, and I don't know the answer beforehand so I can't do what you suggested.
That makes no sense.
 
phinds said:
That makes no sense.
What do you mean? There is only one correct answer, 29, what I am asking is how can I know if it's 29 and not 19 using what was given to me.
 
Eitan Levy said:
What do you mean? There is only one correct answer, 29, what I am asking is how can I know if it's 29 and not 19 using what was given to me.
Draw DIRECTION ARROWS on the diagram for ALL voltages and currents and then we can talk more.
 
phinds said:
Draw DIRECTION ARROWS on the diagram for ALL voltages and currents and then we can talk more.
upload_2017-12-12_21-41-12.png

My equations:
I3=I1+I2
12I2-ε-RI1=0
RI1+6+3I3=0
(Again, no idea if RI1 is 5 or -5 and if I2 is 2 or -2).
 

Attachments

  • upload_2017-12-12_21-41-12.png
    upload_2017-12-12_21-41-12.png
    2.9 KB · Views: 388
12I2-ε ? Since the voltages are going in the same direction, why did you subtract when you should have added?

What is the value of I2? You didn't show a sign on the ammeter. Please show directions for ALL voltages and currents.
 
phinds said:
12I2-ε ? Since the voltages are going in the same direction, why did you subtract when you should have added?

What is the value of I2? You didn't show a sign on the ammeter. Please show directions for ALL voltages and currents.
From what I understood if the current is headed to the "longer" line you subtract and the opposite. I have solved a lot of problems so far and it always worked for me.
 
  • #10
If I understood you correctly the equations should be:
I3=I1+I2
12I2+ε-RI1=0
RI1-6+3I3=0
Still no idea if RI1 is 5 or -5 and if I2 is 2 or -2.
 
  • #11
Please show directions for ALL voltages and currents. I'm just going to keep saying that until you do it. I don't consider that there is anything to discuss without a complete circuit diagram.
 
  • #12
Eitan Levy said:
From what I understood if the current is headed to the "longer" line you subtract and the opposite. I have solved a lot of problems so far and it always worked for me.
I have no idea what that means but it doesn't sound good.
 
  • #13
phinds said:
I have no idea what that means but it doesn't sound good.
Not a native speaker, I am talking about the voltage source.
 
  • #14
phinds said:
Please show directions for ALL voltages and currents. I'm just going to keep saying that until you do it. I don't consider that there is anything to discuss without a complete circuit diagram.
I really don't know what you are talking about.
 
  • #15
phinds said:
Please show directions for ALL voltages and currents. I'm just going to keep saying that until you do it. I don't consider that there is anything to discuss without a complete circuit diagram.
upload_2017-12-12_22-44-11.png

Is this good enough?
 

Attachments

  • upload_2017-12-12_22-44-11.png
    upload_2017-12-12_22-44-11.png
    4 KB · Views: 414
  • #16
Not really, but it will have to do. When I say ALL what I actually mean is ALL. For example, there is a voltage across the 2ohm resistor and it will have a value of 2I2 with the arrow pointing to the right. You did not show this voltage, nor did you show any of the other voltages across the resistors. You see what I mean here? Once you have REALLY and properly labeled ALL of the currents and voltages then correctly writing loop equations is trivial and you can't confuse yourself about which way things go and it is also trivially easy for others to follow your logic and point out any mistakes.

I'm getting ready to cook dinner so I'll be back later and look at this again
 
  • #17
The way I see it you have four possible cases where you consider the each possible "direction" for the readings. So, for example, the value for your assumed ##I2## could be +2 A or - 2 A. I suppose that some of the cases will lead to either contradictions or unrealistic values for components (Such as the sign of ε not matching its drawn symbol, or a negative value for R).
 
  • #18
And to add a specific to what gneill said, if you assume the voltmeter has one polarity you get E = 19v and if you assume the other polarity you get 29v. I'm getting tired of saying it, but one more time. Please show directions for ALL voltages and currents.
 

Similar threads

  • · Replies 18 ·
Replies
18
Views
3K
Replies
6
Views
2K
  • · Replies 1 ·
Replies
1
Views
2K
  • · Replies 12 ·
Replies
12
Views
4K
  • · Replies 2 ·
Replies
2
Views
2K
  • · Replies 8 ·
Replies
8
Views
2K
  • · Replies 3 ·
Replies
3
Views
1K
  • · Replies 2 ·
Replies
2
Views
1K
  • · Replies 6 ·
Replies
6
Views
2K
  • · Replies 1 ·
Replies
1
Views
1K