Very basic circuit question about a Wheatstone Bridge

Click For Summary

Homework Help Overview

The discussion revolves around a basic circuit problem involving a Wheatstone Bridge, specifically focusing on the configuration of resistors and the implications of a balanced bridge on current measurement through an ammeter.

Discussion Character

  • Exploratory, Conceptual clarification, Assumption checking

Approaches and Questions Raised

  • Participants explore the configuration of resistors in series and parallel, questioning the original poster's assumptions about effective resistance. There are inquiries about the meaning of a 'balanced Wheatstone bridge' and its effect on current measurement.

Discussion Status

Participants are actively questioning and clarifying concepts related to series and parallel resistor configurations. Some guidance has been offered regarding the identification of resistor arrangements and the characteristics of an ideal ammeter, but no consensus has been reached on the implications for the current in the ammeter.

Contextual Notes

There is a mention of the ideal characteristics of the ammeter and the assumption that it has zero resistance, which raises questions about current flow in that part of the circuit. Participants are also addressing potential misunderstandings regarding the definitions of series and parallel connections.

User1265
Messages
29
Reaction score
1
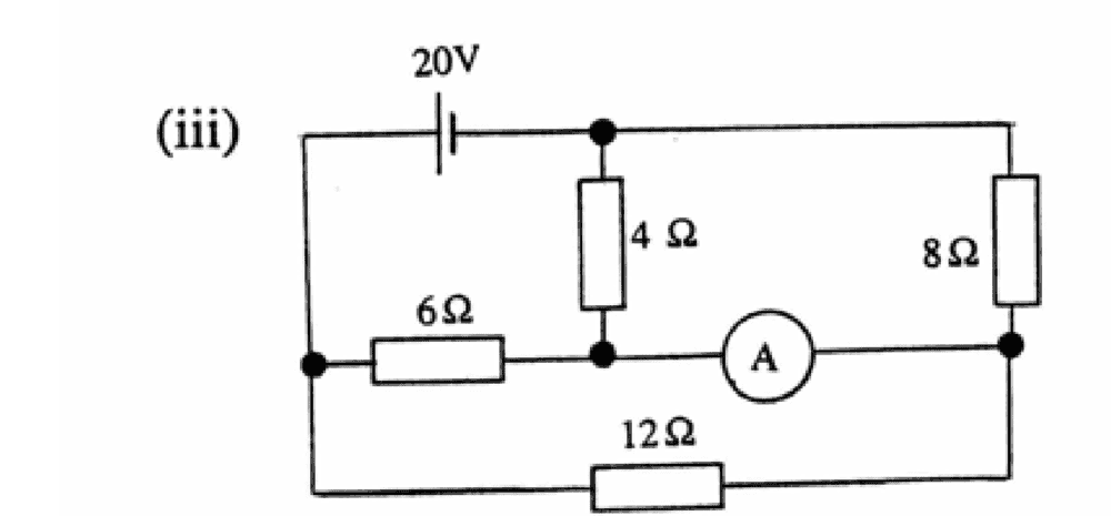
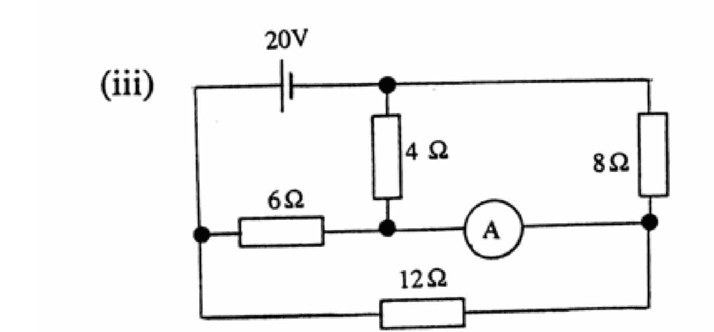
Homework Statement
My Question is how would find the current of the ammeter

Image inserted in solution
The answer says "balanced wheatstone bridge, I = 0" I do not quite understand.
Relevant Equations
V=IR
I tried to solve by making 4 ohm and 8 ohm, which I believe are parallel as one effective resistance, and making 6 and 12 ohms which I believe are parallel as one effective resistance, and diving the total of the two effective resistance by the total voltage, but by doing so, I can only find the total current in the circuit, whereas I need the current in the branch containing the ammeter.

However the answer noted it was a 'balanced wheatstone bridge'. What does this mean? and what are the implications of this upon solving to find the current in the Ammeter?
 

Attachments

  • 2019-10-07 (3).png
    2019-10-07 (3).png
    18.7 KB · Views: 280
Physics news on Phys.org
User1265 said:
However the answer noted it was a 'balanced wheatstone bridge'. What does this mean? and what are the implications of this upon solving to find the current in the Ammeter?
Look it up here.
 
User1265 said:
which I believe are parallel
question your belief: only one of the two ends of both is in common
 
BvU said:
question your belief: only one of the two ends of both is in common
Could you elaborate more on how you identify in this particular case which are in parallel and which are in series and why this is in this case?
 
Two resistors are in series if all the current that goes through one resistor has to go through the other before encountering a node where more than two circuit elements are connected.

Two resistors are in series if both their ends are at the same electric potential, i.e. the voltage across them is the same.

Note that the ammeter in the diagram is assumed to be ideal, i.e. it has zero resistance, the voltage across it is zero, and doesn't count as a circuit element. Also note that if two resistors are not in series, this does not necessarily mean that they must be in parallel. They can be neither in series nor in parallel.
 
  • Like
Likes   Reactions: User1265
kuruman said:
ammeter in the diagram is assumed to be ideal, i.e. it has zero resistance, the voltage across it is zero, and doesn't count as a circuit element.
Does this mean no current would be flowing through that part?
 
No. The straight wires connecting the resistors are also considered to have zero resistance, yet current flows them. On the contrary, ammeters measure all the current in whatever part of the circuit they are connected.
 
A bit of a typo, methinks.

kuruman said:
Two resistors are in series?? parallel ?? if both their ends are at the same electric potential, i.e. the voltage across them is the same.
https://www.electronics-tutorials.ws/resistor/res_4.html

https://www.electronics-tutorials.ws/resistor/res_3.html
 

Similar threads

  • · Replies 1 ·
Replies
1
Views
2K
  • · Replies 10 ·
Replies
10
Views
4K
  • · Replies 3 ·
Replies
3
Views
3K
  • · Replies 2 ·
Replies
2
Views
6K
  • · Replies 1 ·
Replies
1
Views
866
  • · Replies 2 ·
Replies
2
Views
792
Replies
1
Views
3K
Replies
6
Views
2K
  • · Replies 8 ·
Replies
8
Views
4K