What Factors Determine the Best Transistor Type for a 12VDC Project?

Click For Summary

Discussion Overview

The discussion revolves around the factors influencing the choice of transistor types (Bipolar, IGBT, MOSFET) for various 12VDC projects. Participants explore the applications, advantages, and disadvantages of each transistor type, as well as specific circuit design considerations, particularly in relation to high-side switching from a 5V microcontroller.

Discussion Character

  • Exploratory
  • Technical explanation
  • Debate/contested
  • Mathematical reasoning

Main Points Raised

  • Some participants suggest that bipolar transistors are suited for analog/linear applications due to their proportional current characteristics.
  • Others argue that MOSFETs are better for PWM control and switching applications.
  • Participants discuss the importance of maximum current handling capabilities, noting that BJTs are typically for low current, while IGBTs can handle much higher peak currents.
  • Efficiency is highlighted as a critical factor, with considerations on voltage drop and power loss.
  • Several participants propose methods for high-side switching without optocouplers, including capacitive coupling and using pull-down transistors to activate high-side switches.
  • Some suggest using Darlington transistor arrays for multiple outputs, while others mention the use of level shifters for high-side switching.
  • There is mention of specific components, such as the NCV7719 driver and the IRF9540 MOSFET, as suitable for certain applications.
  • Concerns are raised about the reliability and efficiency of opto-isolators, with suggestions to manage ground connections instead.

Areas of Agreement / Disagreement

Participants express a range of views on the best transistor types for specific applications, with no clear consensus on a single "best" choice. The discussion includes multiple competing perspectives on the use of optocouplers and alternative methods for high-side switching.

Contextual Notes

Participants note various assumptions about current requirements, switching speeds, and application contexts, which may influence the choice of transistor type. There are also unresolved discussions regarding the efficiency and practicality of different switching methods.

Who May Find This Useful

Electronics enthusiasts, engineers, and students working on 12VDC projects or interested in transistor applications in circuit design may find this discussion beneficial.

Rx7man
Messages
425
Reaction score
189
I'm working on a few little 12VDC projects, and am wondering on the logic for choosing different types of transistors... Bipolar vs IGBT vs Mosfet... What makes one of them a clear choice in each application?

I can see bipolar transistors would be ideally suited for for analog/linear applications since current in is proportional to current out

Mosfets seems to be suited best to PWM control

So generally speaking, what are the applications for each?

Side question, If you want to do high side switching of a 12V source from a 5V microcontroller, is there any reasonable way to do this without an optocoupler?
 
Engineering news on Phys.org
Whatever fits to the application.
Rx7man said:
Side question, If you want to do high side switching of a 12V source from a 5V microcontroller, is there any reasonable way to do this without an optocoupler?
You can use a capacitive coupling - you have to drive it with AC to activate it, and switch off the AC to deactivate it. Needs constant power input in one state, but sometimes that can be acceptable. I have never seen it in use for 12 V. A DC-DC converter would be possible as well.
 
It's depends on your project, especially:
1. max current needed - simple BJT usually designed for low current, IGBT can handle peak current of ~800A, sometimes even more. simple MOSFET usually designed for few Amps(~25-30A), Power MOSFET even ~600-800A(but usually with low power relative to IGBT)
2. max delay time - how fast the switching should be? for repetitive switching(like PWM), how much switches per second?
3. for linear uses - fidelity is critical? e.g. if you build audio amplifier you can't exceed the linear domain, if you want to control motor speed - you can
4. price$$$
 
  • Like
Likes   Reactions: Rx7man
Adding to the list above, efficiency. You may have to determine how many volts you can afford to drop out or how many watts you can forget about using.
 
Rx7man said:
Side question, If you want to do high side switching of a 12V source from a 5V microcontroller, is there any reasonable way to do this without an optocoupler?
Yeah, the MCU just controls a pull-down transistor that activates the high-side switch transistor. Something like this:

https://i.stack.imgur.com/jomG1.jpg
jomG1.jpg
 
  • Like
Likes   Reactions: NTL2009 and Rx7man
Rx7man said:
Side question, If you want to do high side switching of a 12V source from a 5V microcontroller, is there any reasonable way to do this without an optocoupler?

if you have more than 2-3 outputs, darlington trans array should be fine. ULN2003/4 for example
 
Rx7man said:
So generally speaking, what are the applications for each?
Design a circuit using BJTs and then another using MOSFETs. Evaluate the advantages and disadvantages. You will quickly learn to identify the applicable situations for each.
Rx7man said:
Side question, If you want to do high side switching of a 12V source from a 5V microcontroller, is there any reasonable way to do this without an optocoupler?
You need a "level shifter".
Will you use an N-chan, P-chan, PNP or NPN as the high side power switch?
 
Thanks for all the replies, I'm a little smarter now.

Current iteration of my design is using a P channel mosfet (IRF9540) fed by an optocoupler.. this unit will have 4-8 identical channels, and I found a reasonable 4 channel optocoupler chip (PC847), so that helps reduce parts counts.. I think I found some good resistor networks too which will make the pullups easy
 
Consider the NCV7719: Octal Half-Bridge Driver. http://www.onsemi.com/pub/Collateral/NCV7719-D.PDF
No external components needed. It reduces the microcontroller ports needed and, if you need more than 0.5 amp, will drive a high side IRF9540 gate quickly and directly.
 
  • Like
Likes   Reactions: Rx7man
  • #10
That is a really cool chip that probably would do it nicely.. I would need more than .5A capability, but since it makes it easy to drive the mosfets, it seems well suited.. and it saves pins on the microcontroller that way too... unfortunately no ebay sellers have it.. guess I'll have to get it through Mouser
 
  • #12
Thanks.. another interesting read!.. I'll have to read it more than once to really get it
 
  • Like
Likes   Reactions: berkeman
  • #13
In general yes the BJTs for analog or signal switching. For power MOSFET to about 600V and a few hundred amps. IGBT from 600V on up and thousands of amps.

Silicon Carbide (SiC) is currently the buzz in the industry, but is and will always be more expensive "per amp" but has it's place. SiC MOSFETS are in use at 1200 and 1700V devices ( 360 to 900 VAC type applications)

Just saw this big-one today

As for drivers for any significant power I would use a https://www.digikey.com/product-detail/en/TLP351(F)/TLP351F-ND/527168 - with integrated bootstrap for the high side, DeSat and dead time management. To use a raw Opto - you may need to learn more about setting up a Gate Driver than you want to know, whereas a purpose built Gate Driver chip will cover everything in their Ap-Notes.
 
  • Like
Likes   Reactions: Rx7man and berkeman
  • #14
Thanks for pointing out that dual driver IC..

I should add that this isn't going to be switching on and off very often.. probably around 1hz.. the Mosfet I am using is far oversized for the current it's carrying, so I really don't think I need to be too worried about turn on and turn off times in this application.. I oversize it because it's in an industrial application and there's bound to be something going wrong in the wiring at some point in it's life.. It'll be fused for 15A over 4-6 channels, though it's unlikely any given channel sees over a couple amps.

This is roughly the schematic I'm following, though I'll be using a 4 channel optocoupler to save some space, and resistor arrays.. At least for Version 1, it'll all be through-hole...
Optocoupler P channel mosfet high side switch.jpg
 
  • #15
Since the Power side is only 12 V - I would say even a darlington may work here. The main purpose of an opto, IMO, is to provide good isolation between the two parts ( control and power for example) - if you were switching mains, or a high voltage then the opto. ( Also allows the voltage offset to the gate, but for a single battery driven point that is not much of an issue)

Here I do not think the opto is NEEDED - but, for the sake of learning the application of the opto, really no harm in it.
 
  • Like
Likes   Reactions: Rx7man and Baluncore
  • #16
Opto-isolators are now often the biggest waste of energy in a design, they are temperature sensitive, slow and expensive. They have a reliability and lifetime that is significantly lower than the logic that drives them.

More could be learned here by managing the ground connection between the logic and the power so as to eliminate the floating 12V supply. If the –12V was connected to ground and the logic supply was derived with a +5V regulator from the +12V, referenced to ground, there could be no possible need for the opto-isolators. The signal that controls the gate voltage is a digital signal so even one volt of ground noise is not going to be a problem.

By designing-out the opto-isolators you reduce the logic supply current requirement. The linear regulator can then be smaller and will not need a heatsink. Likewise, a slow opto-isolator with a 10k pull-up resistor will not carry enough current to quickly transition the MOSFET's high capacitance gate, so the MOSFET will dissipate more power during the transition. With the slow gate signal the MOSFET will need more thermal mass, something that adds to the cost, weight and the associated reliability problems.

Opto-isolators in their day were a big advance over light globes with LDRs. There are still places where opto-isolators can be useful. That is usually where safety is critical such as when communicating between line voltage and ground. For higher speeds, pulse transformers are faster and waste less energy. In order to avoid any need for opto-isolators, high-side drivers employ a differential “long-tailed pair”.

I have spent so much time designing opto-isolators out of equipment that I had quite forgotten that there are some who still think they are a panacea, a magic ingredient that will somehow ward-off an unspecified evil. At some point one must choose between witchcraft and science. In my experience, opto-isolators cause more problems than they solve, they let the Devil in.
 
  • Like
Likes   Reactions: Rx7man
  • #17
That's an interesting solution to it as well.. I'll think about it and how to implement it

Just to be clear, you're saying you'd use a floating ground (about 7V for a 12V system) for the 5V MCU ground, so that the +5V rail of the logic is at 12V? A bit like this.. V2 is a battery in this case which was just for simulation purposes since the regulator doesn't have a model.. the Op amp would be an MCU
PF high side driver.jpg
 
  • #18
It was not my recommendation, but you could do that, if you get the -9V regulator the right way down. Gate drive current may need to be increased somehow.

I was suggesting eliminating the LED current and increasing the drive to the capacitive gate.
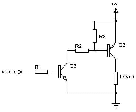
Attached is a clever and flexible circuit with very low parts cost. It provides at least 50mA drive to the gate so it switches fast. The driver here uses only 1.7mA when on, none when off. The collector of Q7 isolates the logic level from the +12V power rail voltage. The logic signal is loaded only by the 10k resistor so the logic output only needs to supply 0.45mA to Q7 base.
HighSideDrive.jpg
 
  • Like
Likes   Reactions: Rx7man
  • #19
In an SMD format or with only a couple channels, I think that would work nicely, I'm attempting to fit this into a pretty small box with a number of channels.. and self-etched PCB's at least for V1.0 beta

What does R3 do here? Hardly seems necessary, and perhaps counterproductive to fast switching times, but I am unenlightened (unlearned).
 
  • #20
There are two reasons for R3.
1. Some MOSFETs will oscillate at an ultrasonic frequency during the transition. A gate resistance of maybe 10 ohms will be sufficient to prevent that oscillation.
2. The gate capacitance will take time to charge and discharge. R3 protects the two NPN transistors and the diode from over-current if the transistor beta is too high.
 
  • Like
Likes   Reactions: Rx7man
  • #21
Windadct said:
In general yes the BJTs for analog or signal switching. For power MOSFET to about 600V and a few hundred amps. IGBT from 600V on up and thousands of amps.

Silicon Carbide (SiC) is currently the buzz in the industry, but is and will always be more expensive "per amp" but has it's place. SiC MOSFETS are in use at 1200 and 1700V devices ( 360 to 900 VAC type applications)

Just saw this big-one today

As for drivers for any significant power I would use a https://www.digikey.com/product-detail/en/TLP351(F)/TLP351F-ND/527168 - with integrated bootstrap for the high side, DeSat and dead time management. To use a raw Opto - you may need to learn more about setting up a Gate Driver than you want to know, whereas a purpose built Gate Driver chip will cover everything in their Ap-Notes.
I've thought about this for a long time, and it seems oversimplified to me (about the transistor choices)
About heat dissipation... Am I missing something here.. a BJT pretty much always has a 0.7V drop across it, so at high currents, it has to dissipate a fair bit of heat... (0.7V x Ic)... Mosfets on the other hand have no inherent voltage drop between source and drain, but rather (and typically) a quite low resistance (.01 ohm or less being common), so excluding switching times, they handle high currents more efficiently than BJT's... IGBT's only benefit that I can see is they require virtually no current to hold a steady load, but they would dissipate the same heat as an equivalent BJT.
Another thing that has me a little baffled is why it seems that AT ANY COST, the MOSFET is driven in saturation mode... I understand the benefit to it as far as reducing heat, but I don't see why the same isn't true of any transistor... Voltage drop across the device multiplied by current through it will generate heat.. it doesn't matter if it's a MOSFET, BJT, or IGBT.. If a Mosfet is more suited because of the low gate drive current (or low voltage drop across source and drain) in some application, I don't see a problem with using one outside of saturation mode... heat generated won't be any different than a BJT
Am I missing something here?
 
  • #22
It is not surprising you are confused. You are looking for one general solution to a collection of diverse problems over time. Understanding why one solution is better than another requires you stop trying to understand the answer to the universe and everything. You should consider one problem only, then design solutions using several different technologies. You will then understand why one solution may have been chosen over half a dozen others at design time.

It is quite acceptable for a silicon BJT to be in saturation with say Vce = 50mV, while there is Vbe = 750mV. BJT current gain limits the efficiency only if the base current is derived from the same voltage source as the load. Complementary Darlington transistors are more efficient than traditional same-sex Darlingtons.
 
  • Like
Likes   Reactions: Rx7man

Similar threads

  • · Replies 42 ·
2
Replies
42
Views
6K
  • · Replies 28 ·
Replies
28
Views
6K
  • · Replies 49 ·
2
Replies
49
Views
7K
Replies
7
Views
15K
Replies
1
Views
3K
  • · Replies 10 ·
Replies
10
Views
12K
  • · Replies 1 ·
Replies
1
Views
6K
  • · Replies 9 ·
Replies
9
Views
4K
  • · Replies 15 ·
Replies
15
Views
3K
  • · Replies 3 ·
Replies
3
Views
2K