What is the Total Capacitance After a Thread Cleanup?

Click For Summary

Homework Help Overview

The discussion revolves around determining the total capacitance in a circuit involving capacitors, where participants explore the relationships between capacitors in series and parallel configurations. The original poster references a practice question from a physics textbook.

Discussion Character

  • Exploratory, Assumption checking, Problem interpretation

Approaches and Questions Raised

  • Participants discuss the difficulty in identifying which capacitors are in series or parallel and express uncertainty about calculating total charge and voltage. Suggestions include redrawing the circuit diagram to clarify relationships and exploring Kirchhoff's laws for analysis.

Discussion Status

The conversation includes various attempts to analyze the circuit, with some participants offering guidance on redrawing the diagram and applying Kirchhoff's laws. However, there is a lack of consensus on how to proceed, and some express frustration over the complexity of the problem.

Contextual Notes

Participants note that the problem does not exhibit symmetry, complicating the analysis. There are references to specific equations and assumptions about voltage sources that may affect the interpretation of the circuit.

JJJAKE
Messages
3
Reaction score
0
Homework Statement
Show that total capacitance is equal to C_eq below.
Relevant Equations
C_eq= C_1+C_2+C_3+...+C_n (parallel capacitors)

C_eq^(-1)= C_1^(-1)+C_2^(-1)+...+C_n^(-1) (serial capacitors)
Capture-vert.jpg
 
Physics news on Phys.org
Hello @JJJAKE , :welcome: !

Physics forum is not an agency that does your homework for you. You'll have to make an effort yourself first.

So: what can you do to make an inroad to this exercise ? Perhaps redraw the diagram a little ?

(as a welcome present:) Your relevant equations are not. You'll need something more elementary.
 
Last edited:
I can't understand which ones are parallel or which ones are series. I can say Qtotal=Q1+Q4=Q2+Q5 but not sure about Q3 because the current way is unknown at C3. Because of that, I can't calculate from V values. This is not my homework by the way, It is a practice question from Pearson's physics book.
 
The relevant equation in this case is Q = CV.
What about my suggestion to re-draw the diagram ? How would it look if one particular :wink: C wasn't there ?

(bit cryptic, I concede, but when I give it away the fun is gone, for you too)
 
I'm afraid there is no symmetry here. This is the general (worst) case. A capacitor cannot disappear if there is no symmetry. Agree with BvU that redrawing this would be helpful, in that it would reveal an arrangement that would inspire the use of another relevant equation useful in cases where nothing is in series nor in parallel.
 
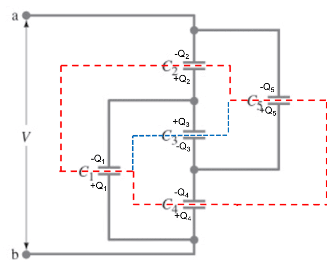
An alternate method to the general (worst) case would be to use the Kirchhoff voltage law (KVL) around closed loops and replace the current conservation at nodes with charge conservation. When the voltage source is connected, parts of the circuit that were neutral and electrically isolated remain neutral overall as charges are induced within them to and from capacitor plates. So if one constructs appropriate Gaussian surfaces, one can demand that the sum of enclosed charges be zero. In OP's modified figure below, it is assumed that ##V_b>V_a##. This assumption sets the polarity of all plates except ##C_3##. When specific numbers are substituted, the sign of ##Q_3## will indicate whether the guess was good or bad.

Capture-vert.png

Sample equations:
##Q_2-Q_1-Q_4+Q_5=0## (red Gaussian outline)
##V-\dfrac{Q_1}{C_1}-\dfrac{Q_2}{C_2}=0## (KVL for leftmost loop)
As usual, one should watch out for redundancy. Here, only two of the three Gaussian loops are usable. It is also clear from the drawing that ##Q_1+Q_4=Q_2+Q_5=Q_{tot}##. This reduces the number of equations and unknowns.
 
I believe no one here knows how to solve the problem.
 
  • Skeptical
Likes   Reactions: BvU
JJJAKE said:
I believe no one here knows how to solve the problem.
When tricks don't work, what is left? Show us your KCL equations for an AC input source please...
 
  • Like
Likes   Reactions: BvU
After a thread cleanup, the OP has left the building and the thread will be closed now. Thanks folks for trying to help the poster.
 

Similar threads

Replies
1
Views
908
Replies
11
Views
3K
  • · Replies 3 ·
Replies
3
Views
1K
  • · Replies 7 ·
Replies
7
Views
2K
  • · Replies 16 ·
Replies
16
Views
2K
  • · Replies 9 ·
Replies
9
Views
2K
  • · Replies 4 ·
Replies
4
Views
2K
  • · Replies 3 ·
Replies
3
Views
3K
Replies
3
Views
2K
Replies
4
Views
3K