Which solution is correct for finding Vth and Rth?

Click For Summary
SUMMARY

The discussion centers on determining the correct method for calculating Vth and Rth in a circuit analysis problem. The first proposed solution incorrectly assumes values for currents I1 and I2 without proper definition, leading to a calculated Vth of 12V. The second solution, which involves transforming the voltage source into a current source and applying Kirchhoff's Current Law (KCL), yields a Vth of 8V and is deemed more accurate. Rth is confirmed as 4 Ohms.

PREREQUISITES
  • Understanding of circuit analysis principles
  • Familiarity with Kirchhoff's Current Law (KCL)
  • Knowledge of voltage and current source transformations
  • Basic concepts of Ohm's Law
NEXT STEPS
  • Study voltage source to current source transformation techniques
  • Learn detailed applications of Kirchhoff's Current Law (KCL)
  • Explore practical circuit design and resistor selection methods
  • Review common mistakes in circuit analysis and how to avoid them
USEFUL FOR

Electrical engineering students, circuit designers, and anyone involved in circuit analysis and troubleshooting.

sciman
Messages
24
Reaction score
1
hello!
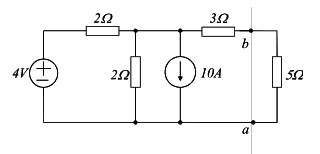
can you tell me please which solution is correct:

upload_2015-4-6_18-43-31.png


We need to find the Vth and Rth. Rth is easily 4Ohms, but what about Vth?

1st solution:
Calculate Vth, by doing 10A=I1+I2 and 4V+2xI1=2xI2, where you find I1=6A and I2=4A, so Vth=12V

2nd solution:
Calcullate Vth, by transforming the voltage source into current source and then apply KCL, so Vth=8V

which is the correct?thanks!
 
Last edited:
Physics news on Phys.org
Perhaps, in this case, it's good to apply the theorem thrice, in 3 easy steps... - that would help to choose the values of the resistors if you're doing a real practical circuit.
 
Hi sciman.

In future be sure to use the homework template when you post a problem here in the homework sections! It's in the rules.

I can see by the result that your first method is incorrect, but it is also incorrect because you haven't defined I1 and I2 so your equation doesn't mean anything!

Your second approach is much better, but you need to be careful about the polarities of things. What direction will the net current be flowing through the combined resistance?
 

Similar threads

  • · Replies 10 ·
Replies
10
Views
4K
  • · Replies 7 ·
Replies
7
Views
3K
  • · Replies 3 ·
Replies
3
Views
2K
  • · Replies 10 ·
Replies
10
Views
3K
  • · Replies 8 ·
Replies
8
Views
2K
  • · Replies 5 ·
Replies
5
Views
3K
  • · Replies 6 ·
Replies
6
Views
2K
  • · Replies 2 ·
Replies
2
Views
2K
  • · Replies 22 ·
Replies
22
Views
3K
  • · Replies 4 ·
Replies
4
Views
2K