BJT voltage divider bias beta variation

Click For Summary

Discussion Overview

The discussion revolves around the analysis of a BJT (Bipolar Junction Transistor) circuit using voltage divider biasing. Participants are tasked with finding the minimum value of the base resistor (Rb) to ensure the BJT remains in the active region, as well as determining the base-collector voltage when the transistor's beta (β) changes. The conversation includes calculations, assumptions about voltage levels, and the implications of varying beta values.

Discussion Character

  • Homework-related
  • Technical explanation
  • Mathematical reasoning
  • Debate/contested

Main Points Raised

  • Some participants calculate the base current (Ib) and collector current (Ic) based on an assumed minimum VCE for active operation, leading to different interpretations of the correct value for Rb.
  • There is confusion regarding the application of Thevenin's theorem, with some participants suggesting it is not appropriate for this scenario.
  • One participant proposes an equation for Rb based on the voltage divider output and the current through the voltage divider, while others challenge this approach.
  • Participants discuss the implications of changing beta (β) values on the collector current (Ic) and the base-collector voltage, with varying assumptions about saturation voltage and its impact on calculations.
  • There is uncertainty about the correct method to incorporate the new beta value into the calculations, with participants seeking clarification on how to proceed.
  • One participant mentions that the saturation voltage can vary significantly depending on the type of transistor, indicating a lack of consensus on its specific value.

Areas of Agreement / Disagreement

Participants express differing views on the correct approach to calculating Rb and the implications of beta variation. There is no clear consensus on the best method to apply, and multiple competing interpretations of the circuit behavior remain unresolved.

Contextual Notes

Participants assume various values for voltage levels and currents, which may not be universally agreed upon. The discussion includes unresolved mathematical steps and differing interpretations of circuit analysis techniques.

Who May Find This Useful

This discussion may be useful for students and practitioners interested in BJT circuit analysis, voltage divider biasing, and the effects of transistor parameters on circuit behavior.

likephysics
Messages
638
Reaction score
4

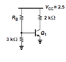
Homework Statement


Given, β=100, Is = 6E-16
See attachment.
a) Find min value of Rb such that the BJT is in active region
b) For the Rb found, what is the base-collector voltage if β=200


Homework Equations





The Attempt at a Solution


Assuming, VCE min for active region operation as 0.75V, I got Ic = 0.87mA
since β=100, Ib = 0.0087mA
Vbe = Vt ln (Ic/Is) = 0.728V

using Ib = (Vth-Vbe)/Rth {thevenin equivalent}, I got Rbmin as 7K. The voltage divider voltage is 0.75v and Rth is 2.1k.
But now, when I plug in Ib = Vth-Vbe/Rth, I get 0.00104mA. Which Ib is correct?

I can't figure out how to calculate the beta change. Where do I use the beta?

Ib is 0.0087mA, with new beta Ic will be 1.74mA. which will make IcRc = 3.48v, which doesn't make sense.
 

Attachments

  • bjt.png
    bjt.png
    2.4 KB · Views: 584
Physics news on Phys.org
likephysics said:

Homework Statement


Given, β=100, Is = 6E-16
See attachment.
a) Find min value of Rb such that the BJT is in active region
b) For the Rb found, what is the base-collector voltage if β=200


Homework Equations





The Attempt at a Solution


Assuming, VCE min for active region operation as 0.75V, I got Ic = 0.87mA
since β=100, Ib = 0.0087mA
Vbe = Vt ln (Ic/Is) = 0.728V

using Ib = (Vth-Vbe)/Rth {thevenin equivalent}, I got Rbmin as 7K. The voltage divider voltage is 0.75v and Rth is 2.1k.
But now, when I plug in Ib = Vth-Vbe/Rth, I get 0.00104mA. Which Ib is correct?

I can't figure out how to calculate the beta change. Where do I use the beta?

Ib is 0.0087mA, with new beta Ic will be 1.74mA. which will make IcRc = 3.48v, which doesn't make sense.
[/b]

Rb has to furnish the base current plus the current thru the 3K. So how did you arrive at that strange equation for Rb? You know Vcc and you calculated ib and Vbe correctly, so what is the right equation for Rb?
 
I can't figure out the equation for Rb.

I assumed the Vth as 0.75v (voltage divider output)

So, if Rb=7k, I get Vth as 0.75v

Equation for Rb = (Vcc-Vth)/Ix
Ix=0.25mA (this is the current flowing thru the voltage divider).

To supply the desired Ib, Rth should be 2.1k
Rth = Rb(3K)/(Rb+3k)
 
I don't know what Vth is. Stop worrying about Thevenin equivalents. That theorem is not appropriate here.

Instead, write an equation summing currens to zero at the base.
 
rude man said:
I don't know what Vth is. Stop worrying about Thevenin equivalents. That theorem is not appropriate here.

Instead, write an equation summing currens to zero at the base.
Whenever I see voltage divider bias, I immediately think thevenin.

Anyway,

Vcc-Vbe/Rb = Vbe/3k + Ib

I know, Ib = 0.0087mA and Vbe = 0.728v

I get, Rb = 7.05K

How do I use the new β?
 
likephysics said:
Whenever I see voltage divider bias, I immediately think thevenin.

Anyway,

Vcc-Vbe/Rb = Vbe/3k + Ib

I know, Ib = 0.0087mA and Vbe = 0.728v

I get, Rb = 7.05K

How do I use the new β?

Almost.
(Vcc - Vbe)/Rb = Vbe/3K + Ib. Which I think is what you meant anyway. So, so far, so good.

Rb = 7.05K is correct.

With the new beta of 200, what do you compute Ic to be? Vc? Realizing that Ic can't exceed 2.5V/2K and Vc can't be < 0V, what do you conclude about Ic and Vc?
 
Max Vce is Vce sat, which is about 200mV generally.

This will result in an Icmax of Ic = (2.5-0.2)/2K = 1.15mA

IS that it , you just assume Vce?
 
I would give you an A at this point.

Saturation voltage is a tricky business, it depends a whole lot on the particular type of transistor. At saturation, the base-collector junction is also forward-biased. Generally, Vc_sat is lower than 200 mV. More like 50-100 mV. But you see the picture vey well now.
 

Similar threads

  • · Replies 4 ·
Replies
4
Views
3K
  • · Replies 1 ·
Replies
1
Views
3K
Replies
4
Views
6K
  • · Replies 1 ·
Replies
1
Views
3K
  • · Replies 2 ·
Replies
2
Views
2K
Replies
12
Views
3K
  • · Replies 5 ·
Replies
5
Views
14K