Capacitors/Resistors in parallel

  • Thread starter Thread starter megr_ftw
  • Start date Start date
  • Tags Tags
    Parallel
Click For Summary

Homework Help Overview

The discussion revolves around a circuit involving capacitors and resistors in parallel, specifically focusing on the charge of a capacitor after a switch is opened. The original poster presents a scenario with given voltage and resistance values, seeking to determine the charge on the capacitor and the time it takes for the charge to decrease to a certain percentage.

Discussion Character

  • Exploratory, Conceptual clarification, Problem interpretation

Approaches and Questions Raised

  • Participants discuss the equivalence of resistance in the circuit and the total current. There are questions about the relationship between voltage drops across the resistor and the capacitor, as well as the steps needed to find the charge on the capacitor.

Discussion Status

Participants are actively exploring the problem, with some providing guidance on relevant equations. There is a recognition of confusion regarding the sequence of calculations needed to find the charge on the capacitor, indicating a productive dialogue about the concepts involved.

Contextual Notes

There is an emphasis on understanding the behavior of circuit elements when the switch has been closed for a long time, and the implications of opening the switch on the capacitor's charge. Participants are navigating the complexities of parallel and series circuit relationships.

megr_ftw
Messages
68
Reaction score
0

Homework Statement


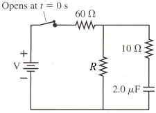
Consider the circuit in the figure below, in which V = 110 V, R = 30 , and the switch has been closed for a very long time.
p31-77alt.gif


What is the charge on the capacitor?
The switch is opened at t = 0 s. At what time has the charge on the capacitor decreased to 10% of its initial value?



Homework Equations


Capacitance= Q/V
V=IR
Q(t)=Q0*e^(-t/[tex]\tau[/tex])

The Attempt at a Solution


I found the resitance equivalence for the whole circuit to be 67.5 ohms and the total current to be 1.63A.

Is the voltage drop on the 10 ohm resistor the same as the 2[tex]\mu[/tex]F capacitor?
 
Physics news on Phys.org
megr_ftw said:

The Attempt at a Solution


I found the resitance equivalence for the whole circuit to be 67.5 ohms and the total current to be 1.63A.

when the switch has been closed for a long time, there's no more current through the 10ohm resistance

Is the voltage drop on the 10 ohm resistor the same as the 2[tex]\mu[/tex]F capacitor?

No. The voltage drops across two circuit elements that are parallel are the same. Not if they are
in series.
 
so i should find the voltage drop for the 10ohm resistor and then the capacitor. I am starting to get confused now, how should I find the charge for the capacitor? or should I find the voltage first?
 
megr_ftw said:
so i should find the voltage drop for the 10ohm resistor and then the capacitor.

Yes. Two things to remember: V=IR, and the voltage drop across a series circuit is the sum of the voltage drops of each element.

Im starting to get confused now, how should I find the charge for the capacitor? or should I find the voltage first?

Refer to the equations you gave, its right there.
 

Similar threads

Replies
20
Views
2K
  • · Replies 4 ·
Replies
4
Views
2K
Replies
2
Views
1K
Replies
9
Views
3K
  • · Replies 6 ·
Replies
6
Views
3K
Replies
3
Views
2K
  • · Replies 8 ·
Replies
8
Views
2K
  • · Replies 1 ·
Replies
1
Views
3K
  • · Replies 4 ·
Replies
4
Views
4K