Finding Current in Resistors & Charge of Capacitor

Click For Summary

Homework Help Overview

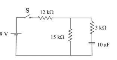
The discussion revolves around a circuit problem involving resistors and a capacitor. The original poster is tasked with finding the current in each resistor and the charge of the capacitor after a switch has been closed for a long time, as well as determining the current function for a resistor after the switch is opened.

Discussion Character

  • Exploratory, Conceptual clarification, Assumption checking

Approaches and Questions Raised

  • The original poster attempts to calculate the current through the resistors and expresses uncertainty about finding the charge on the capacitor. Some participants question the assumptions made regarding the voltage across the capacitor and the implications of having no current through one of the resistors.

Discussion Status

Participants are actively engaging in clarifying concepts related to voltage and current in the circuit. Some guidance has been provided regarding the relationship between the voltage across the capacitor and the resistors, leading to a successful calculation by the original poster.

Contextual Notes

There is an emphasis on understanding the behavior of the circuit components when the switch is closed and subsequently opened. The original poster's confusion about the voltage across the capacitor indicates a need for deeper exploration of circuit principles.

ananonanunes
Messages
19
Reaction score
6
Homework Statement
_
Relevant Equations
_
Suppose the switch has been closed for a long time so that the capacitor is fully charged and current is constant.
a)Find the current in each resistor and charge Q of the capacitor.
b)The switch is now opened at t=0s. Write the equation for the current for the resistor of 15kΩ as a function of time and find the time interval needed for the charge to drop to 1/5 of its original value.
1682093015932.png

I was able to find the current in the resistors. I assumed the current would be 0A in the resistor of ##3k\Omega## and since there is no current in this "branch", the other two resistors are in series so ##I_{R_1}=I_{R_2}## and ##R_{eq}=12+15=27k \Omega##. ##I=\frac{\mathcal{E}}{R_{eq}}=333mA##.
I don't know how to find the charge in the capacitor. I thought that, because it was fully charged, ##Q=C\mathcal{E}## but that is not the correct answer.
 
Physics news on Phys.org
##Q=CV.##
What do you think the voltage across the capacitor is? Hint: There is no current through the 3 kΩ resistor.
 
kuruman said:
##Q=CV.##
What do you think the voltage across the capacitor is? Hint: There is no current through the 3 kΩ resistor.
Since there is no current through the ##3k\Omega## there is also no voltage across that resitor. So I thought the voltage across the capacitor would be the same as the electromotive force, because the voltage wouldn't need to be "split" between the capacitor and the resistor. But this is incorrect and I don't really understand why.
 
ananonanunes said:
Since there is no current through the ##3k\Omega## there is also no voltage across that resitor. So I thought the voltage across the capacitor would be the same as the electromotive force, because the voltage wouldn't need to be "split" between the capacitor and the resistor. But this is incorrect and I don't really understand why.
Look at the circuit again. The voltage across the capacitor is the same as the voltage across the 15kΩ resistor. What is that voltage?
 
  • Like
Likes   Reactions: ananonanunes
kuruman said:
Look at the circuit again. The voltage across the capacitor is the same as the voltage across the 15kΩ resistor. What is that voltage?
I just calculated the voltage and the charge using that voltage and I got the correct result. Thank you so much for the help!
 
  • Like
Likes   Reactions: berkeman and kuruman

Similar threads

Replies
20
Views
2K
Replies
9
Views
3K
  • · Replies 1 ·
Replies
1
Views
2K
Replies
3
Views
2K
  • · Replies 6 ·
Replies
6
Views
3K
Replies
3
Views
2K
  • · Replies 4 ·
Replies
4
Views
4K
  • · Replies 31 ·
2
Replies
31
Views
5K
  • · Replies 62 ·
3
Replies
62
Views
6K
  • · Replies 8 ·
Replies
8
Views
3K