Current and resistance in series and parallel circuits

Click For Summary

Homework Help Overview

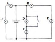
The discussion revolves around determining the order of brightness of bulbs in a circuit configuration involving series and parallel connections, specifically when the switch is open. The context is set within a physics lab assignment focusing on electrical circuits.

Discussion Character

  • Exploratory, Assumption checking

Approaches and Questions Raised

  • Participants discuss the brightness of bulbs A, C, D, and F being equal due to their series connection, while bulbs B and E are also noted to be equal in brightness as they form a series circuit. There is uncertainty about how the series and parallel arrangement affects the brightness of bulbs B and E compared to the others.

Discussion Status

Some participants have provided clarifications regarding the circuit configuration, noting that there are three strings of two series bulbs connected in parallel across the battery. This has led to a better understanding of the relationships between the bulbs, although there remains some exploration of how this affects brightness.

Contextual Notes

Participants are working under the constraints of a physics lab assignment, which may impose specific rules or assumptions about the circuit setup that are currently being examined.

RelativeJosef
Messages
6
Reaction score
1

Homework Statement


List the order of brightness of each bulb (while the switch is open) assuming the bulbs are all of the same resistance.
image00654b9b5a1.jpg

Homework Equations


Ohm's Law: Change in voltage = current divided by resistance

The Attempt at a Solution


I know that bulbs A,C,D,F are all equal in brightness because they are both simple series circuits (while the switch is open). I know that B and E are also equal in brightness as they are a series circuit.

My difficulty begins in that the B and E bulb are in a series and also a parallel circuit. Does this make these two bulbs brighter than bulbs A,C,D,F or dimmer?

Any help with some sort of reference would be very helpful.

(this is for my Physics Lab homework)
 
Physics news on Phys.org
RelativeJosef said:

Homework Statement


List the order of brightness of each bulb (while the switch is open) assuming the bulbs are all of the same resistance.
View attachment 88110

Homework Equations


Ohm's Law: Change in voltage = current divided by resistance

The Attempt at a Solution


I know that bulbs A,C,D,F are all equal in brightness because they are both simple series circuits (while the switch is open). I know that B and E are also equal in brightness as they are a series circuit.

My difficulty begins in that the B and E bulb are in a series and also a parallel circuit. Does this make these two bulbs brighter than bulbs A,C,D,F or dimmer?

Any help with some sort of reference would be very helpful.

(this is for my Physics Lab homework)

There are three strings of two series bulbs connected in parallel across the battery, so you are correct (until the switch is closed). Don't let the drawing fool you with a little extra wire length leading to the B-E bulbs. Each of the three strings of two series bulbs is connected the same way across the battery. :smile:
 
  • Like
Likes   Reactions: RelativeJosef and Hamza Abbasi
Redraw the circuit with all bulbs on the same side of the battery and all series pairs in vertical legs.
 
  • Like
Likes   Reactions: RelativeJosef, Hamza Abbasi and berkeman
berkeman said:
There are three strings of two series bulbs connected in parallel across the battery, so you are correct (until the switch is closed). Don't let the drawing fool you with a little extra wire length leading to the B-E bulbs. Each of the three strings of two series bulbs is connected the same way across the battery. :smile:

Ah! Thank you for your help, your answer was correct (I double checked using a program at our physics lab). :smile:
 

Similar threads

Replies
4
Views
2K
  • · Replies 6 ·
Replies
6
Views
2K
Replies
6
Views
2K
Replies
1
Views
3K
Replies
4
Views
2K
  • · Replies 2 ·
Replies
2
Views
4K
Replies
5
Views
2K
  • · Replies 6 ·
Replies
6
Views
3K
Replies
2
Views
3K
  • · Replies 14 ·
Replies
14
Views
2K