Current through shorted branch -- clarification

Click For Summary

Homework Help Overview

The discussion revolves around a circuit analysis problem involving Kirchhoff's Current Law (KCL) and the behavior of an inductor when a switch is closed. The original poster is trying to determine the current through a shorted branch and the voltage across the inductor after a switch is closed, given specific circuit parameters.

Discussion Character

  • Mixed

Approaches and Questions Raised

  • The original poster attempts to apply KCL to find the current in a shorted branch, while questioning the validity of different sources that provide conflicting results. They also explore the behavior of the inductor at the moment the switch is closed, referencing their approach to the problem and the initial conditions.

Discussion Status

Participants are actively questioning the assumptions regarding the polarity of the batteries and the interpretation of the circuit. Some have pointed out potential misunderstandings in the original poster's approach, while others are clarifying the relevance of the larger context of the problem. There is an ongoing exploration of how the inductor behaves immediately after the switch is closed.

Contextual Notes

There are references to a YouTube video that may have incorrect polarity, which could affect the interpretation of the circuit. The original poster has identified a potential mistake in their calculations regarding the steady state current, suggesting a need for careful consideration of current directions.

palaphys
Messages
267
Reaction score
17
Homework Statement
clarification in a part of a larger question
Relevant Equations
v=ir
View attachment 365575
In this seemingly simple circuit, applying KCL, I get the current in the shorted branch as
## 3E/(2R) - 2E/(2R) = E/(2R) ## but some sources suggest that it is ##5E/ (2R) ##

which is right and why?
 
Physics news on Phys.org
Are you sure that the polarity of the batteries in "some source" was the same as in your case?
 
nasu said:
Are you sure that the polarity of the batteries in "some source" was the same as in your case?
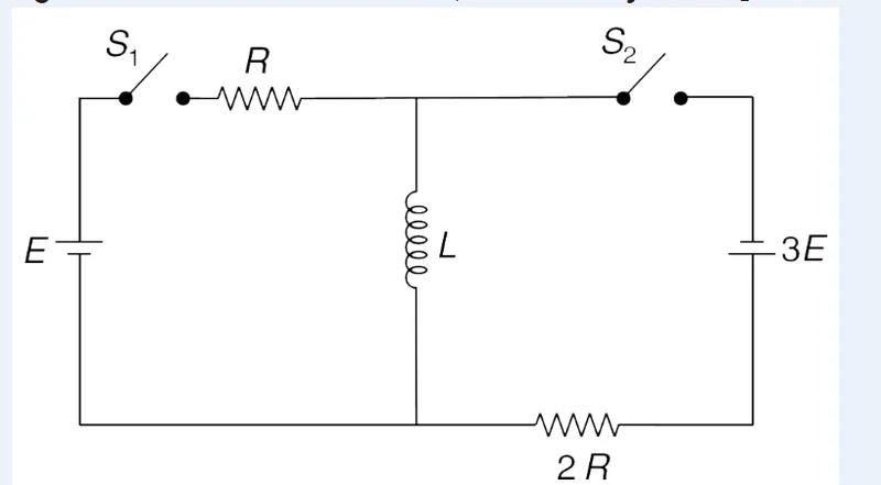
okay let me post the larger part of the question here.
1758120087377.webp

this was the original circuit. I am required to find the voltage across the inductor after S2 is closed at t=0+, given that initially S1 was closed for a long time, so as to establish an initial current ## i_0= E/R## through the inductor.
Here is my approach:
I can write ##i(t)= i_0 e^{-t/\tau} + i_{s.s} (1-e^{-t/\tau})## and for voltage at t=0
## L (di/dt) = \frac{L}{\tau}(i_{s.s} -i_0) ## (at t=0)

now, I have the time constant of the circuit, and the steady state current. the question also says that
## E = 20\text{V}, L = 0.5\text{H and } R = 10\Omega.##

I want to know if this approach is right
 
Is this diagram from the "some source"? Adding the inductor does not change the premise of your original question. "Some source" is not a very useful reference.
 
nasu said:
Is this diagram from the "some source"? Adding the inductor does not change the premise of your original question. "Some source" is not a very useful reference.
I think there is some misunderstanding here. My original question posted here was a part of a larger question, which is the one described above in the previous message.
 
palaphys said:
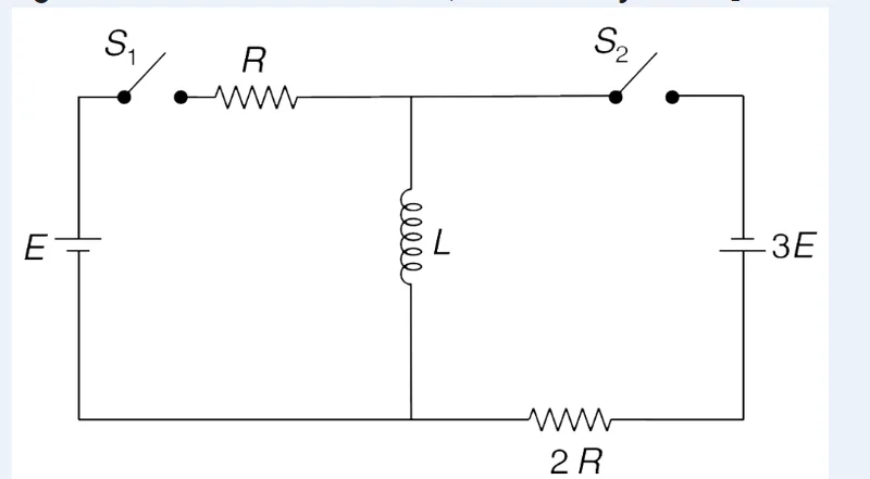
okay let me post the larger part of the question here.View attachment 365577
this was the original circuit. I am required to find the voltage across the inductor after S2 is closed at t=0+, given that initially S1 was closed for a long time, so as to establish an initial current ## i_0= E/R## through the inductor.
Here is my approach:
I can write ##i(t)= i_0 e^{-t/\tau} + i_{s.s} (1-e^{-t/\tau})## and for voltage at t=0
## L (di/dt) = \frac{L}{\tau}(i_{s.s} -i_0) ## (at t=0)

now, I have the time constant of the circuit, and the steady state current. the question also says that
## E = 20\text{V}, L = 0.5\text{H and } R = 10\Omega.##

I want to know if this approach is right
I think I have found my mistake.
In this charging equation, I had to substitute ##i_{s.s} ## as -E/(2R) and not just E/2R . (As the steady state current in the inductor is upward, as opposed to the initial current which is downward.) Have I identified my mistake correctly?(I'm getting the correct answer when I make this change) Or is it a coincidence, and something else is wrong?
 
nasu said:
Are you sure that the polarity of the batteries in "some source" was the same as in your case?
also, to be precise the source is a Youtube video, which uses the incorrect polarity. thanks for pointing that out.
 
palaphys said:
I think I have found my mistake.
In this charging equation, I had to substitute ##i_{s.s} ## as -E/(2R) and not just E/2R . (As the steady state current in the inductor is upward, as opposed to the initial current which is downward.) Have I identified my mistake correctly?(I'm getting the correct answer when I make this change) Or is it a coincidence, and something else is wrong?
What is the correct answer that you are getting? Is it for the voltage across the inductor or for the current through the inductor?

As this problem is about the instant immediately after closing the switch, you really don't need the full time-dependent solution for the current or the voltage. You just need to remember how an inductor behaves at t=0+.
 
palaphys said:
I think there is some misunderstanding here. My original question posted here was a part of a larger question, which is the one described above in the previous message.
The larger question does not matter for the OP question. As you already figured out, it was just a matter of comparing two different circuits so each version of the answer is right for the right circuit.
 
  • Like
Likes   Reactions: palaphys
  • #10
cnh1995 said:
What is the correct answer that you are getting? Is it for the voltage across the inductor or for the current through the inductor?

As this problem is about the instant immediately after closing the switch, you really don't need the full time-dependent solution for the current or the voltage. You just need to remember how an inductor behaves at t=0+.
the correct answer is for voltage at t=0+ is -E.
 
  • Like
Likes   Reactions: cnh1995

Similar threads

  • · Replies 10 ·
Replies
10
Views
1K
Replies
4
Views
2K
  • · Replies 13 ·
Replies
13
Views
2K
  • · Replies 13 ·
Replies
13
Views
1K
  • · Replies 36 ·
2
Replies
36
Views
5K
  • · Replies 3 ·
Replies
3
Views
2K
  • · Replies 3 ·
Replies
3
Views
2K
  • · Replies 5 ·
Replies
5
Views
6K
  • · Replies 3 ·
Replies
3
Views
5K
  • · Replies 14 ·
Replies
14
Views
5K