Designing a +10V Supply with Emitter Follower Circuit: A Practical Approach

  • Thread starter Thread starter irishhockey
  • Start date Start date
  • Tags Tags
    Transistors
Click For Summary
SUMMARY

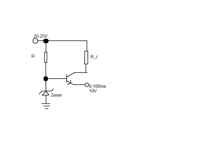
The discussion focuses on designing a +10V supply using an emitter follower circuit, with specifications of Iout ranging from 0-100 mA and Vin between 20-25V. The participant references "The Art of Electronics" for practical design approaches, emphasizing the importance of resistor and zener diode selection. Key equations include Ibase * beta = Icollector and Iemitter = Ibase + Icollector, which guide the calculations for base and collector currents. The main challenge identified is determining the appropriate resistor values while accounting for voltage drops and zener current requirements.

PREREQUISITES
  • Understanding of emitter follower circuit design
  • Familiarity with zener diode operation and characteristics
  • Knowledge of transistor current relationships (Ibase, Icollector, Iemitter)
  • Basic circuit analysis techniques for voltage and current calculations
NEXT STEPS
  • Study zener diode voltage regulation techniques in depth
  • Learn about transistor biasing methods for stable operation
  • Explore resistor selection criteria for power supply circuits
  • Investigate the impact of supply voltage variations on circuit performance
USEFUL FOR

Electrical engineers, electronics hobbyists, and students involved in power supply design and transistor circuit analysis.

irishhockey
Messages
14
Reaction score
0

Homework Statement


Design a +10V supply with the following specs:
Iout =0-100 mA
Vout =10V
Vin=20-25V (unregulated supply w/ ripple)

The circuit will have the diagram attached.

The book I am using is The Art of Electronics, which is very "practical" the authoppr says things like why worry about calculating something to 1 in 100, when you will then reach for a 10% resistor or 20% cap.

Homework Equations


Ibase * beta = Icollector
Iemitter = Ibase (1+beta) = Ibase + Icollector
Iemitter=Ibase +0.6V

The Attempt at a Solution


I start at the output, 10V and 0-100mA. The Voltage at the base and also zener must be equal to collector voltage +0.6V. The current in the base is 1/100 the collector current, and output current is 100mA(max) so I base = 1mA and Icollector=100mA. The zener also requires a constant 10mA, which is needed to keep the dynamic resistance under control. My issue is now the resistors.

So, I know that the resistoprs have 25V on the side facing the power supply, and for R, the voltage on the base/zener side is 10.6V. Does this mean I can say the voltage drop across the res is 14.4 V (using 25V and planning for worst case)? If so, can I just say IBASE + Izener=11mA, asnd the use V/I=R? if so Ic an figure everything else out I belive.

Thank you
 

Attachments

  • diagram.png
    diagram.png
    2.3 KB · Views: 533
Physics news on Phys.org
The worst case is when power supply = 20V.

If you assume 25V and compute R your way, what would be the consequence of a "soft" zener voltage if the supply dropped to 20V?
 

Similar threads

Replies
1
Views
1K
  • · Replies 3 ·
Replies
3
Views
2K
  • · Replies 1 ·
Replies
1
Views
4K
  • · Replies 14 ·
Replies
14
Views
4K
  • · Replies 1 ·
Replies
1
Views
4K
  • · Replies 6 ·
Replies
6
Views
3K
Replies
68
Views
8K
Replies
17
Views
10K
  • · Replies 2 ·
Replies
2
Views
3K
  • · Replies 1 ·
Replies
1
Views
1K