Designing a +10V Supply with Transistors: A Practical Approach

  • Thread starter Thread starter irishhockey
  • Start date Start date
  • Tags Tags
    Transistors
Click For Summary
SUMMARY

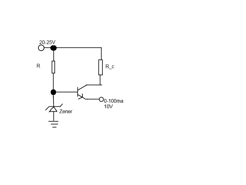
The discussion focuses on designing a +10V power supply using transistors, with specifications of Iout ranging from 0-100 mA and Vin between 20-25V. The participant references "The Art of Electronics" for practical guidance and applies key transistor equations, including Ibase * beta = Icollector. The main challenge identified is calculating resistor values while considering voltage drops across components, particularly with varying input voltages affecting zener current. The conversation emphasizes the importance of understanding dynamic resistance in zener diodes for stable output.

PREREQUISITES
  • Understanding of transistor operation and configurations
  • Familiarity with zener diodes and their applications
  • Knowledge of basic circuit analysis techniques
  • Proficiency in using "The Art of Electronics" as a reference
NEXT STEPS
  • Research zener diode dynamic resistance and its impact on circuit performance
  • Learn about transistor biasing techniques for stable operation
  • Explore resistor selection methods for varying input voltages
  • Study practical applications of power supply design in electronics
USEFUL FOR

Electronics students, hobbyists designing power supplies, and engineers involved in practical circuit design and analysis.

irishhockey
Messages
14
Reaction score
0

Homework Statement


Design a +10V supply with the following specs:
Iout =0-100 mA
Vout =10V
Vin=20-25V (unregulated supply w/ ripple)

The circuit will have the diagram attached.

The book I am using is The Art of Electronics, which is very "practical" the author says things like why worry about calculating something to 1 in 100, when you will then reach for a 10% resistor or 20% cap.

Homework Equations


Ibase * beta = Icollector
Iemitter = Ibase (1+beta) = Ibase + Icollector
Iemitter=Ibase +0.6V

The Attempt at a Solution


I start at the output, 10V and 0-100mA. The Voltage at the base and also zener must be equal to collector voltage +0.6V. The current in the base is 1/100 the collector current, and output current is 100mA(max) so I base = 1mA and Icollector=100mA. The zener also requires a constant 10mA, which is needed to keep the dynamic resistance under control. My issue is now the resistors.

So, I know that the resistoprs have 25V on the side facing the power supply, and for R, the voltage on the base/zener side is 10.6V. Does this mean I can say the voltage drop across the res is 14.4 V (using 25V and planning for worst case)? If so, can I just say IBASE + Izener=11mA, asnd the use V/I=R? if so Ic an figure everything else out I belive.

Thank you
 

Attachments

  • diagram.png
    diagram.png
    2.3 KB · Views: 561
Last edited:
Physics news on Phys.org
You are on the right track but is 25V the worse case? What does the zener current fall to if the input is 20V instead of 25V.
 

Similar threads

Replies
1
Views
2K
  • · Replies 3 ·
Replies
3
Views
2K
Replies
4
Views
2K
Replies
11
Views
3K
  • · Replies 52 ·
2
Replies
52
Views
5K
Replies
68
Views
8K
Replies
3
Views
2K
  • · Replies 5 ·
Replies
5
Views
3K
  • · Replies 3 ·
Replies
3
Views
2K
  • · Replies 3 ·
Replies
3
Views
2K