Direction of Current between nodes

Click For Summary

Homework Help Overview

The discussion revolves around determining the direction of current flow in a circuit with multiple sources and resistors. Participants are exploring concepts related to circuit analysis, specifically focusing on Kirchhoff's Current Law (KCL) and the passive sign convention.

Discussion Character

  • Exploratory, Conceptual clarification, Problem interpretation

Approaches and Questions Raised

  • Participants discuss the difficulty in inferring current directions by inspection and suggest writing KCL equations to analyze the circuit. Questions arise regarding the determination of voltage drops without knowing current directions, and the implications of the passive sign convention are examined.

Discussion Status

The discussion is active, with participants sharing their attempts to solve the circuit and questioning the reasoning behind voltage drops across specific components. Some guidance has been offered regarding the use of KCL equations, and there is an ongoing exploration of the relationships between voltages and current directions.

Contextual Notes

Participants are working within the constraints of circuit analysis rules and are encouraged to clarify their assumptions and interpretations of the circuit setup.

cavalieregi
Messages
41
Reaction score
0
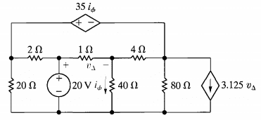
Say for example you had the following circuit.
upload_2014-11-12_8-29-0.png

Since it is hard to determine which source will have a bigger influence on current I am unsure of how I would determine which way the current would flow between each node.
 
Physics news on Phys.org
cavalieregi said:
Say for example you had the following circuit.
View attachment 75335
Since it is hard to determine which source will have a bigger influence on current I am unsure of how I would determine which way the current would flow between each node.

In general, you may not be able to infer the directions of the final currents by inspection. The general way to handle these circuits is just to write the KCL equations (or KVL if you prefer), and solve for the node voltages, which then give you the currents.
 
So how would I determine the direction of the voltage drop without knowing the direction of the current due to the passive sign convention.
 
cavalieregi said:
So how would I determine the direction of the voltage drop without knowing the direction of the current due to the passive sign convention.

You don't need to assume anything about the currents. Just write the KCV equations as the sum of all currents leaving a node is = 0. If there is a current source connected to a node, you call that current + or - depending on if it is leaving or entering the node.

Can you write the KCL equations for the circuit that you posted, so that we can check your work? :-)
 
Its okay I have worked it out I just am unsure why the voltage drop over the 4 ohm resistor is from left to right.
 
cavalieregi said:
Its okay I have worked it out I just am unsure why the voltage drop over the 4 ohm resistor is from left to right.

What voltages did you work out for the left and right sides of that resistor when you solved the circuit?
 
-29V RHS and 10V LHS
 
cavalieregi said:
-29V RHS and 10V LHS

Yeah, so that's why the current direction is the way it is. It's not intuitive to me either, but that's what solving the circuit does for us. :-)
 

Similar threads

  • · Replies 12 ·
Replies
12
Views
2K
  • · Replies 9 ·
Replies
9
Views
1K
Replies
7
Views
1K
  • · Replies 7 ·
Replies
7
Views
8K
Replies
4
Views
3K
  • · Replies 6 ·
Replies
6
Views
2K
Replies
15
Views
3K
  • · Replies 1 ·
Replies
1
Views
2K
  • · Replies 3 ·
Replies
3
Views
4K
Replies
13
Views
2K