Equivalent Capacitance and Voltage Across

Click For Summary

Homework Help Overview

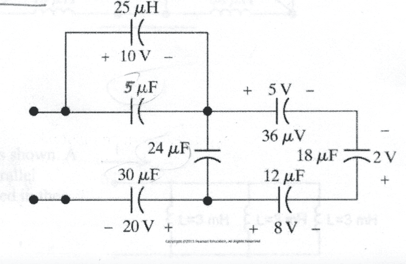
The discussion revolves around calculating the equivalent capacitance in a circuit with multiple capacitors arranged in both series and parallel configurations. Participants are exploring how to approach the problem and the implications of voltage across the capacitors.

Discussion Character

  • Mixed

Approaches and Questions Raised

  • Participants discuss methods for finding equivalent capacitance by combining capacitors in series and parallel. There are questions about the relevance of voltage across capacitors and how to approach finding total voltage in the circuit.

Discussion Status

Some participants have offered guidance on using Kirchhoff's Voltage Law (KVL) to analyze the circuit. There is ongoing exploration of how to handle missing voltage labels and the implications of different configurations on voltage calculations.

Contextual Notes

There are mentions of potential labeling errors in the circuit diagram, with some capacitors incorrectly labeled with units for inductance and voltage. Participants are also considering how to treat junctions and parallel connections in their calculations.

Marcin H
Messages
306
Reaction score
6

Homework Statement


Screen Shot 2016-02-08 at 6.32.36 PM.png


Homework Equations


Series: 1/Ceq=1/C1+1/C2
Parallel: Ceq =C1+C2

The Attempt at a Solution


So to find the equivalent resistance do I short (put a wire through the open terminals) the circuit and start adding up the capacitors? Once I do that do I just create a new circuit with the equivalent capacitance and inductor and find the voltage?
 
Physics news on Phys.org
Here is a bigger picture of the circuit
Screen Shot 2016-02-08 at 6.42.26 PM.png
 
You treat it as an arrangement where some capacitors are in series, and some are in parallel, and you combine what you can, then combine that result with others, and continue in this fashion. You are determining the equivalent capacitance. Resistance is absent from this picture.

Note: you have a capacitor mistakenly labelled in μH and another in μV.
 
NascentOxygen said:
You treat it as an arrangement where some capacitors are in series, and some are in parallel, and you combine what you can, then combine that result with others, and continue in this fashion. You are determining the equivalent capacitance. Resistance is absent from this picture.
Sorry that was a typo in my post. Meant to say capacitance.

Note: you have a capacitor mistakenly labelled in μH and another in μV.
Also, that is how the problem was given. I am not sure if that is a mistake or meant to be there. But then again, inductors have a different symbol, so I guess that needs to be changed. Also, what is the point of telling me all the voltages across those capacitors? Will I need that to find the voltage later? Or do I find the voltage using only the equivalent capacitance?
 
The voltage seen at the terminals is a separate problem; you could do it first, or leave it till later.
 
NascentOxygen said:
The voltage seen at the terminals is a separate problem; you could do it first, or leave it till later.
Ok, I'll try both and see if I can get it.
 
NascentOxygen said:
The voltage seen at the terminals is a separate problem; you could do it first, or leave it till later.
I got 16.3 uF for my equivalent capacitance. I'm not sure how I can find the voltage using that though. I'm not sure how to do it separately either
 
To find the total voltage, work your way around from one terminal to the other, adding up voltages as you go.
 
NascentOxygen said:
To find the total voltage, work your way around from one terminal to the other, adding up voltages as you go.
Is that how you add voltages? What if you reach a junction with voltages? How would you treat that? Also, it looks like some of the capacitors were not labeled with a voltage, like 5uF and 24uF. Should I just ignore those or is there a way to find the voltages across those capacitors?
 
  • #10
Marcin H said:
Is that how you add voltages?
Yes. In any loop, the net addition of voltages should be 0. This is according to KVL.
Marcin H said:
. Should I just ignore those or is there a way to find the voltages across those capacitors?
Think harder:wink:! There's a way and I'm pretty sure you'll see it if you looked at the arrangement carefully..
 
Last edited:
  • #11
cnh1995 said:
Think harder:wink:! There's a way and I'm pretty sure you'll see it if you looked at the arangement carefully..

I don't think there is an equation for this. I was thinking that voltage is the same in parallel, so would the 24uF be at 2V too? But I don't know about that because the 5uF is in a weird position. It's in parallel with 2 different voltages. I don't think that's how you'd find it either.
 
  • #12
Parallel connection means having common end points. 5μC is in parallel only with 25μC and no other capacitor.
cnh1995 said:
In any loop, the net addition of voltages should be 0. This is according to KVL.
If you are still confused, use this.
 
  • #13
cnh1995 said:
Parallel connection means having common end points. 5μC is in parallel only with 25μC and no other capacitor.

If you are still confused, use this.
Ok so if I wanted to find the voltage for the 5uF I would use KVL for the top box and it would be +10V -V5 =0. But how do I find the voltage across that capacitor? Is there an equation for that? One that relates voltage and capacitance? I don't know the energy stored or the charge, so I'm not sure how I can find the voltage.
 
  • #14
Marcin H said:
+10V -V5 =0.
Doesn't that give V5=10V? This is the voltage across the 5μF capacitor.
 
  • #15
Oh... Wow. Yes it does. I don't know what I was thinking. -_-
facepalm_400x400.jpeg
 
  • #16
cnh1995 said:
Doesn't that give V5=10V? This is the voltage across the 5μF capacitor.
So once I get those missing voltages (10V for V5 and 5V for V24) how would I get the voltage across the terminals?

To find the total voltage, work your way around from one terminal to the other, adding up voltages as you go.
This is what NQ said, but I'm not sure how. What do I do when I get to a junction or if I have voltages in parallel, like the box on top? Is there a way to add voltages in parallel? I think if they are in series you just add them together.
 
  • #17
:smile::smile:
Edit: This is for the above image..My login expired and that got this post here, after your queries..:wink:
 
  • #18
Marcin H said:
So once I get those missing voltages (10V for V5 and 5V for V24) how would I get the voltage across the terminals?
Choose any loop containing the terminals and have a "KVL walk" along it.
 
  • #19
cnh1995 said:
Choose any loop containing the terminals and have a "KVL walk" along it.
Ohhhhhhhhh. :confused::confused::confused: I don't know why I am overthinking this so much. So much facepalm. 25V across the terminal.
 
  • #20
Marcin H said:
Ohhhhhhhhh. :confused::confused::confused: I don't know why I am overthinking this so much. So much facepalm. 25V across the terminal.
Right.
 
  • Like
Likes   Reactions: Marcin H

Similar threads

  • · Replies 27 ·
Replies
27
Views
5K
Replies
2
Views
1K
  • · Replies 7 ·
Replies
7
Views
3K
  • · Replies 3 ·
Replies
3
Views
4K
  • · Replies 12 ·
Replies
12
Views
8K
Replies
108
Views
12K
  • · Replies 11 ·
Replies
11
Views
3K
Replies
5
Views
2K
  • · Replies 6 ·
Replies
6
Views
3K
  • · Replies 5 ·
Replies
5
Views
3K