Finding an expression for x(t) (steady state 1st ODE & electronics)

Click For Summary
SUMMARY

The discussion focuses on finding the expression for x(t) in a first-order ordinary differential equation related to electronics. The transfer function is given as \(\frac{X}{Y}(jw) = \frac{2+jwC}{1+jwC}\), with steady states x(0-) = 8 and x(0+) = 2. The user, Thomas, attempts to derive the constant A in the equation x(t+) = 2 + Ae^{t/T}, concluding that A should equal 3 based on the voltage drop observed in the answer booklet, despite initially calculating it as 6.

PREREQUISITES
  • Understanding of first-order ordinary differential equations (ODEs)
  • Familiarity with transfer functions in electronics
  • Knowledge of capacitor behavior in circuits
  • Ability to interpret voltage and current graphs
NEXT STEPS
  • Study the derivation of transfer functions in electronic circuits
  • Learn about the behavior of capacitors in transient analysis
  • Explore the concept of DC and high-frequency (HF) gain in circuits
  • Practice plotting voltage and current over time for first-order systems
USEFUL FOR

Electrical engineering students, electronics enthusiasts, and anyone studying first-order differential equations in the context of circuit analysis.

thomas49th
Messages
645
Reaction score
0

Homework Statement



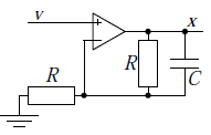
Find an expression for x(t) and plot on graph T < 0 < 3T
opampcap.png


v = 4 for t < 0
= 1 for t >= 0T is time const.

Homework Equations



Voltage across capacitor cannot change instantly

The Attempt at a Solution



Well the transfer equation is [tex]\frac{X}{Y}(jw) = \frac{2+jwC}{1+jwC}[/tex]

The steady states of x are

x(0-) = 8 (t < 0)
x(0+) = 2 (t >= 0)

DC gain = 2
HF gain = 1

x(t+) = 2 + Ae^{t/T}

where T is the time constantNow comes to finding A. As the differential for x is 6, using the fact that the voltage across a cap cannot change instantly I get A = 6. However this is incorrect and the correct answer is A = 3. If I look at the plot in the answer booklet there is a 3v drop from the 8 volts at time t+ (t>=0)

Im guessing that the voltage across the cap is still 6 volts as x and v(-) have shifted by -3?

How do I find A?

Thanks
Thomas
 
Physics news on Phys.org
EDIT: Sketch a graph of - T < 0 < 3T
 

Similar threads

Replies
1
Views
2K
  • · Replies 2 ·
Replies
2
Views
3K
  • · Replies 4 ·
Replies
4
Views
3K
  • · Replies 5 ·
Replies
5
Views
2K
  • · Replies 11 ·
Replies
11
Views
2K
  • · Replies 6 ·
Replies
6
Views
4K
  • · Replies 2 ·
Replies
2
Views
3K
  • · Replies 15 ·
Replies
15
Views
4K
  • · Replies 16 ·
Replies
16
Views
4K
  • · Replies 3 ·
Replies
3
Views
3K