Finding the Current in a circuit, with series opposing voltage sources.

Click For Summary
SUMMARY

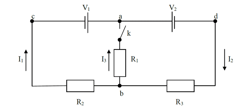
The discussion focuses on calculating current in a circuit with two opposing voltage sources, V1 (12V) and V2 (9V), along with resistors R1 (4 Ohms), R2 (7 Ohms), and R3 (8 Ohms). When the switch is open, the current can be calculated directly, but confusion arises when the switch is closed. The solution requires applying Kirchhoff's rules to analyze the two loops formed in the circuit, which is essential for determining the current flow accurately.

PREREQUISITES
  • Understanding of Kirchhoff's Voltage Law (KVL)
  • Basic circuit analysis techniques
  • Familiarity with series and parallel resistor combinations
  • Knowledge of Ohm's Law
NEXT STEPS
  • Study Kirchhoff's rules in-depth for circuit analysis
  • Practice solving circuits with multiple loops and opposing voltage sources
  • Learn about Thevenin's and Norton's theorems for simplifying circuits
  • Explore advanced circuit simulation tools like LTspice or Multisim
USEFUL FOR

Electrical engineering students, hobbyists learning circuit analysis, and anyone interested in mastering complex circuit problems involving multiple voltage sources and resistors.

Killstudy
Messages
1
Reaction score
0

Homework Statement


asd.png

V1-12V
V2-9V
R1-4 Ohms
R2-7 Ohms
R3-8 Ohms

Each current has to be found when the switch (k) is both open and closed.

Homework Equations


The Attempt at a Solution



I can find each current when the switch is open, however I'm confused at what would happen when it becomes closed.
 
Physics news on Phys.org
Hi Killstudy, welcome to PF. I hope your studies do not kill you.

The forum rules here says that you need to show your attempts for solving the problem. How did you solve the case with open switch?

If the switch is closed you have two loops and need to use Kirchhoff' rules.

ehild
 

Similar threads

  • · Replies 3 ·
Replies
3
Views
2K
Replies
4
Views
1K
Replies
4
Views
2K
  • · Replies 14 ·
Replies
14
Views
2K
  • · Replies 13 ·
Replies
13
Views
2K
  • · Replies 1 ·
Replies
1
Views
908
  • · Replies 10 ·
Replies
10
Views
3K
Replies
3
Views
2K
  • · Replies 1 ·
Replies
1
Views
954
  • · Replies 3 ·
Replies
3
Views
2K