Finding Values in a Complex Circuit

  • Thread starter Thread starter KieranRye
  • Start date Start date
  • Tags Tags
    Circuit Complex
Click For Summary

Homework Help Overview

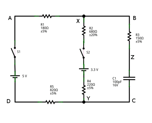
The discussion revolves around analyzing a complex circuit using Kirchhoff's laws, specifically focusing on finding various electrical values throughout the circuit, including currents and resistances. The participants reference circuit components such as power sources and a capacitor, indicating a multifaceted problem in circuit analysis.

Discussion Character

  • Exploratory, Conceptual clarification, Mathematical reasoning, Problem interpretation

Approaches and Questions Raised

  • Participants discuss breaking the circuit into smaller loops to apply Kirchhoff's laws effectively. There are attempts to write equations based on voltage and current relationships, with some participants questioning how to handle multiple voltage sources and the specifics of current splitting at junctions.

Discussion Status

Guidance has been offered regarding the designation of currents and the application of Kirchhoff's laws to individual loops. Some participants are actively engaging with the problem, attempting to derive equations based on the circuit's configuration, while others express uncertainty and seek further clarification on specific steps.

Contextual Notes

Participants mention assumptions such as the switches being closed for a while, which may affect the circuit's behavior. There is also a reference to a diagram and additional materials that may provide further context for the problem.

KieranRye
Messages
3
Reaction score
0

Homework Statement



I need to find all the values essentially across the entire circuit

Homework Equations



Kirchoffs First and Second Law

The Attempt at a Solution



Attempted to find currents and resistance multiple time; didn't know how to work with the two power sources or the capacitor

An explanation of the assignment can be found here, along with a diagram of the circuit
 

Attachments

  • KirchoffsLaws.pdf
    KirchoffsLaws.pdf
    145.3 KB · Views: 1,049
  • vjae.png
    vjae.png
    6.2 KB · Views: 685
Last edited:
Physics news on Phys.org
KieranRye said:

Homework Statement



I need to find all the values essentially across the entire circuit

Homework Equations



Kirchoffs First and Second Law

The Attempt at a Solution



Attempted to find currents and resistance multiple time; didn't know how to work with the two power sources or the capacitor

An explanation of the assignment can be found here, along with a diagram of the circuit

Assume the switches have been closed for a while. Start by writing KVL around the AXYD loop. Show us what you get.
 
As gneill put it, it helps to split them up, and get individual equations. I would split the circuit up into three different loops.

loop AXYD

loop XBCY

loop ABCD

And write out the equations in terms of voltages. V=IR. Also, don't forget to take into account that your current will split or join at a junction point.
 
How do I account for the two voltage IN though. I'm sorry to put you through this but can you show me an example of say AXYD so I can figure out how to do it? I was never taught how, just handed the formula.
 
It will probably be easiest for you to first designate your currents through the loops. Which, you can choose arbitrarily. So, to start you off, I would compel you to glance at the end of page 3 in your attached pdf, to give you something to look at, when taking into account Kirchoff's second law.

So along, imagine the current I1 traveling along the wire from Y→D→A→X . You'll notice that the wire doesn't split along this path, so the current through that length of the wire is the same. When you get to X, you'll notice the wire splits, and thus, the current must split into two different paths.

So, (again, I would recommend you to look at the figure in your notes), let's say the current splits into I2 and I3 . I2 follows the wire from X→B→C→Y , while I3 goes from X→Y

In this case, this means the current splits. I1 = I2 + I3

Now that we can identify each individual current, it makes it a LOT easier to follows Kirchoff's first law. That the total voltages over the whole loop should be equal to zero.

In conjunction with Ohm's law, you can write out these equations for each loop.

(I know this may sound super confusing, with all these laws, but it's not that bad)

So just write each loop in terms of V
 
  • Like
Likes   Reactions: 1 person
To help start you off to better understand, let's go around the loop from Y→D→A→X→Y

We'll hit the resistor of 820Ω. Since we already defined the current I1 traveling through this part of the wire,

V820Ω = I1(820Ω)

now following this along clockwise

V820Ω + V5V + V180Ω + V680Ω + V3.3V + V220Ω = 0

I1(820Ω) - 5V +I1(180Ω) + I3(680Ω) + 3.3V + I3(220Ω) = 0

You're just changing everything to voltages to be able to apply Kirchoff's first law, that all voltages in a loop must equal 0.

Now do that for each of the two other loops A→B→C→D→A and X→B→C→Y→X
 
  • Like
Likes   Reactions: 1 person
Alright, I'll try it myself on this one again (so I learn how to do it!) and the other two in the morning. Thank you for your help!
 

Similar threads

Replies
3
Views
2K
  • · Replies 12 ·
Replies
12
Views
2K
  • · Replies 3 ·
Replies
3
Views
2K
  • · Replies 8 ·
Replies
8
Views
3K
  • · Replies 3 ·
Replies
3
Views
1K
  • · Replies 7 ·
Replies
7
Views
3K
  • · Replies 3 ·
Replies
3
Views
2K
  • · Replies 6 ·
Replies
6
Views
1K
  • · Replies 2 ·
Replies
2
Views
2K
  • · Replies 6 ·
Replies
6
Views
3K