Help understanding Armstrong's 1924 Superheterodyne Radio Receiver

  • Thread starter Thread starter Cool4Kat
  • Start date Start date
  • Tags Tags
    Radio Receiver
Click For Summary

Discussion Overview

The discussion centers on Howard Armstrong and Harry Houke's superheterodyne radio receiver developed in 1924. Participants seek to understand the use of the second harmonic in the receiver's design, the number of triodes utilized, and the implications of these design choices on radio performance.

Discussion Character

  • Exploratory, Technical explanation, Conceptual clarification, Debate/contested

Main Points Raised

  • Kathy questions the purpose of using a second harmonic in the superhet radio receiver and seeks clarification on its application.
  • Some participants suggest that the schematic referenced by Kathy is not a complete block diagram but rather a schematic that likely includes six tubes, although this is debated.
  • One participant proposes that the second harmonic is generated in the mixer tube when using a local oscillator at half the required frequency, explaining advantages such as reduced interference with the antenna tuned circuit.
  • Another participant discusses the historical context of the design challenges faced by Armstrong, including the limitations of available tubes for stable amplification at high frequencies.
  • Kathy expresses confusion regarding the mixing frequencies needed to tune to a station at 870 kHz with a 45 kHz IF, prompting further clarification from other participants.
  • A participant clarifies the required local oscillator frequencies based on the desired station frequency and IF, emphasizing the role of the mixer tube in generating the second harmonic.

Areas of Agreement / Disagreement

Participants generally agree on the technical aspects of harmonic mixing and its advantages, but there is some disagreement regarding the interpretation of the schematic and the exact number of triodes used in the design. The discussion remains unresolved on certain specifics, particularly Kathy's confusion about the mixing frequencies.

Contextual Notes

Participants reference historical articles and schematics, but there are mentions of potential typographical errors in the original descriptions. The discussion also highlights the evolution of radio technology and the challenges faced by early engineers.

Who May Find This Useful

This discussion may be useful for individuals interested in the history of radio technology, the technical workings of superheterodyne receivers, and the challenges faced by early radio engineers.

Cool4Kat
Messages
45
Reaction score
13
Hi,

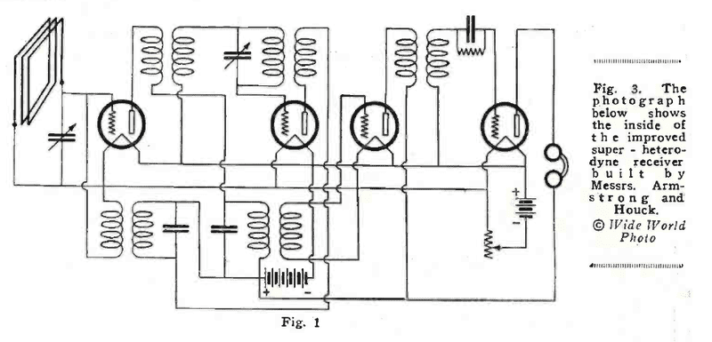
I was wondering if any of you fine people can help me understand a few things about Howard Armstrong and Harry Houke's superhet radio receiver built in 1924. My fist question is that they used a second harmonic and I don't understand why. Where was the second harmonic used and how did it help?

In addition, I read a description of their design from a Radio News article from May of 1924 where they have a simplified schematic with 4 triodes and then write that it was great because it only used 6! Where are the missing 2 triodes?

Thank you so much,

Kathy
Screen Shot 2018-06-26 at 3.55.13 PM.png
Screen Shot 2018-06-26 at 3.55.13 PM.png
 

Attachments

  • Screen Shot 2018-06-26 at 3.55.13 PM.png
    Screen Shot 2018-06-26 at 3.55.13 PM.png
    46.5 KB · Views: 1,478
Engineering news on Phys.org
Lance Wenner said:
This is just a block diagram type to show the converters. It is not the complete schematic which likely has 6 tubes.

well, it's obviously a schematic, NOT a block diagram ( there are no blocks ( labelled boxes
with single lines to the next block/box))it doesn't look too much different to any other radio schematic of that era , eg ...

upload_2018-6-29_8-1-39.png
if anyone would like some really fun learning about a slice of radio history and also where the above diagram came from ...

https://americanradiohistory.com/UK/Wireless-Age/Wireless-Age-1924-05.pdf

Dave
 

Attachments

  • upload_2018-6-29_8-1-39.png
    upload_2018-6-29_8-1-39.png
    103 KB · Views: 1,014
  • Like
Likes   Reactions: Asymptotic, Cool4Kat, jim hardy and 2 others
Cool4Kat said:
Hi,

I was wondering if any of you fine people can help me understand a few things about Howard Armstrong and Harry Houke's superhet radio receiver built in 1924. My fist question is that they used a second harmonic and I don't understand why. Where was the second harmonic used and how did it help?

In addition, I read a description of their design from a Radio News article from May of 1924 where they have a simplified schematic with 4 triodes and then write that it was great because it only used 6! Where are the missing 2 triodes?

Thank you so much,

after finally finding the article you were referring to
page 1576 of the magazine

https://www.americanradiohistory.com/Archive-Radio-News/20s/Radio-News-1924-05-R.pdf

I strongly suggest that there has been typo's and that it should have said 4, not 6 for the 2 times mentioned in the text

The article backs up my comments in post #4 that this is the full diagram and not a block diag., as a block diag. is also
presented in the same article !

In years gone by, back when I lived in New Zealand, the restoration of old tube radios
was one of my major interests. I was fortunate to have a several old amateur radio operator
friends who were well versed in tube operation. One of them even worked for a local business,
in my home town of Dunedin City, building tubed radios for sale around NZ.

I had years of fun collecting old radios and restoring them to their former glory as best as possible.
When I left NZ for Australia in 1999, one of my fellow collector/restorers got all my radio chassis
and my huge collection of tubes

Dave
 
Last edited:
  • Like
Likes   Reactions: dlgoff and berkeman
Cool4Kat said:
Hi,

I was wondering if any of you fine people can help me understand a few things about Howard Armstrong and Harry Houke's superhet radio receiver built in 1924. My fist question is that they used a second harmonic and I don't understand why. Where was the second harmonic used and how did it help?

In addition, I read a description of their design from a Radio News article from May of 1924 where they have a simplified schematic with 4 triodes and then write that it was great because it only used 6! Where are the missing 2 triodes?

Thank you so much,

KathyView attachment 227440 View attachment 227440
When using a local oscillator at half the required frequency, the second harmonic is generated in the mixer tube and this is used for the frequency conversion.
The advantages of harmonic mixing are :
1) The LO is at a different frequency to the antenna tuned circuit so it is not pulled by adjustment of the antenna tuned circuit. If it were at the same frequency, when we adjust the antenna tuning it would severely pull the LO frequency.
2) The LO energy, being predominantly at half frequency, is not strongly coupled to the antenna, where it would radiated interference for other receivers in the vicinity.
I should mention that harmonic mixing works very well.
Discussion: The objective with the early sets was to obtain as much gain as possible, hence the low IF, and this exacerbated the problems I have mentioned. When broadcasting commenced, a few years later, a higher IF was chosen, which together with the invention of special mixer tubes, eased these problems and improved the image rejection.
The problem faced by Armstrong at the time was the lack of a tube able to provide stable amplification at high frequencies. This came later with the invention of the pentode, and even later, the grounded grid circuit for a triode. Armstrong had previously invented the regenerative detector, which is very sensitive, but it was tricky to adjust and was pulled around by the antenna. In recent times I have made a "proper" version of the regenerative receiver using mechanically solid construction and with pentode RF amplifier to isolate the antenna. This received is extremely stable and sensitive and is better, I am sure, than the superhet shown above. It is able to detect antenna noise and maybe thermal noise.
 
  • Like
Likes   Reactions: dlgoff
There's a lot of scary looking math that describes mixers. It's worth slogging through the Fourier terms that result from multiplying two signals because it makes it easier to believe they really do work . And it's an eye opener to the genius of early radio engineers.
Google will return lots of scholarly papers, try a few and find one that suits your own thinking patterns.

http://www.analog.com/media/en/training-seminars/tutorials/MT-080.pdf
http://rfic.eecs.berkeley.edu/~niknejad/ee242/pdf/ee242_mixer_fund.pdf
 
  • Like
Likes   Reactions: Cool4Kat, dlgoff and Bystander
Thank you everyone who has replied *so much* for taking the time to help me. I thought that the LO energy was at twice the frequency, but it sounds like the LO was half the frequency making the antenna tuned circuit to be at the second harmonic (that makes so much more sense!). So, to put in some numbers, let's say they wanted to tune to a station at 870 kHz, and the IF was 45 kHz, what signal would they mix? 480 Hz (870/2 + 45) or 457.5 ([870+45]/2) or am I hopelessly confused?

Thanks again for all the help

Kathy
 
  • Like
Likes   Reactions: davenn
Hi Kathy
The signal is at 870kHz and the required IF is 45kHz. So we require an LO at either 870+45 = 915 or 870-45=825. So the actual oscillator frequency will be half these values, viz 915/2=407.5kHz or 825/2 = 412.5kHz.
The input tuned circuit is not involved in obtaining the second harmonic - the non linear action of the mixer tube will do that. Also notice that the input circuit is tuned to 870kHz which is far away from the oscillator. When small adjustments are made to the input circuit, they do not pull the oscillator..
 
Thank you! That makes a lot more sense.
 

Similar threads

  • · Replies 12 ·
Replies
12
Views
3K
  • · Replies 1 ·
Replies
1
Views
11K
Replies
2
Views
4K
  • · Replies 12 ·
Replies
12
Views
11K
  • · Replies 1 ·
Replies
1
Views
4K
  • · Replies 5 ·
Replies
5
Views
3K
  • · Replies 64 ·
3
Replies
64
Views
8K
  • · Replies 27 ·
Replies
27
Views
5K
  • · Replies 1 ·
Replies
1
Views
4K
  • Sticky
  • · Replies 0 ·
Replies
0
Views
23K