Help with 555 Timer Chip & 38 kHz IR Light

  • Thread starter Thread starter jbord39
  • Start date Start date
  • Tags Tags
    555 timer Timer
Click For Summary

Discussion Overview

The discussion revolves around using a 555 timer chip to generate 38 kHz IR light for an IR LED and the challenges associated with the IR receiver's response to the signal. Participants explore various methods to achieve bursts of 38 kHz pulses and address the limitations of their current setups.

Discussion Character

  • Technical explanation
  • Exploratory
  • Debate/contested

Main Points Raised

  • John seeks a method to have his 555 timer send 38 kHz bursts of about 14 waves, as his IR receiver only responds to the first few pulses.
  • Some participants suggest using another 555 oscillator to control the timing of the bursts, while others propose using a counter that counts to 14.
  • One participant mentions that using a 556 timer could provide both timers in one IC, but John notes a reduction in range and stabilization issues with this approach.
  • Another suggestion involves letting the 555 oscillate continuously and using NAND gates to switch the output, providing flexibility with pulse rates.
  • John expresses confusion about the function of the 74C00 NAND gate and its application in his circuit.
  • A participant explains the behavior of a NAND gate and how it can control the output of the 38 kHz pulses based on another input signal.
  • John mistakenly considers a comparator chip (LM339) for his needs, which a participant corrects, recommending a quad 2-input NAND gate chip instead.

Areas of Agreement / Disagreement

Participants present multiple approaches to the problem, with no consensus on the best solution. There are differing opinions on the effectiveness of various components and configurations, indicating an unresolved discussion.

Contextual Notes

Participants express uncertainty regarding the behavior of the components and the specific requirements for the circuit. There are mentions of limitations related to the range and stabilization of signals, as well as confusion about the appropriate chips to use.

Who May Find This Useful

Individuals interested in electronics, particularly those working with timer chips, IR communication, and digital logic circuits may find this discussion relevant.

jbord39
Messages
74
Reaction score
0
Hey all.

I am using a 555 timer chip to power an IR LED, which switches something on or off. My question is, now my timer chip is sending out 38 kHz IR light. My IR receiver is made to pick up 38 kHz IR light, but only the first 14 (I think) pulses, then ignores all pulses without a pause. Is there any way I could have my TL555 timer chip send out 38 kHz bursts of about 14 waves? Or are there any other ways around this (possibly on the receiving end.)

Thanks,

John

edit: Possibly using just another 555 oscillator at some frequency going to the enable(would that be the reset?) of the other 555 timer chip?
 
Last edited:
Engineering news on Phys.org
jbord39 said:
edit: Possibly using just another 555 oscillator at some frequency going to the enable(would that be the reset?) of the other 555 timer chip?

Yes, that's probably the easiest way. There are other ways too, for instance using a counter that counts to 14.
 
And a 556 will give you both timers in the same IC.
 
It is probably better to let the 555 oscillate all the time and switch the output with NAND gates.
If you turn a 555 or any oscillator on, it will take a few cycles to stabilize.

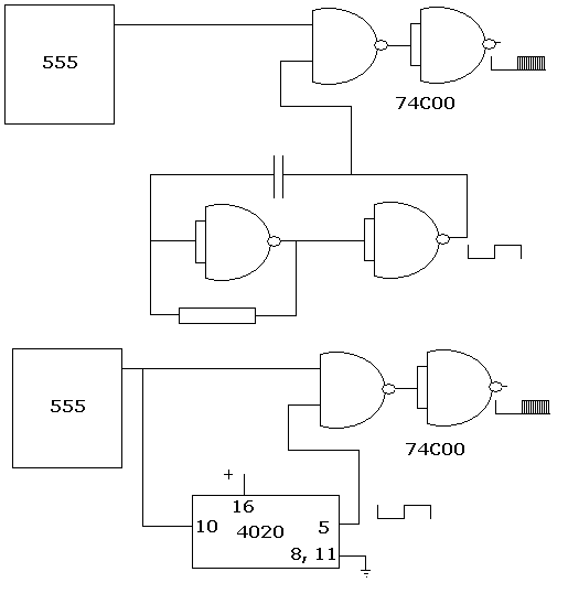
Here are a couple of ways of turning a NAND gate on and off to give bursts of output signal.
38 kHz interrupt.PNG


The first uses a free running oscillator which would give you good flexibility with pulse rate. It should oscillate at about 1 KHz. Any other square wave oscillator (including another 555 ) could be used. I just used some spare gates.

The second uses a counter set to divide by 32. So, the first 16 pulses would produce no output but the next 16 pulses would produce 16 pulses of output from the top NAND gates. So, you would get an exact output which would require no adjusting.

The 74C00 and other chips have 4 NAND gates in one IC. They are very cheap.

.
 
Thanks. I have so far never used any IC except the 555 timers. I know that a NAND gate sends a high output only if both inputs have different logics.

Also, if the original 555 oscillator is oscillating only at 1kHz, then I don't think the IR receiver would pick it up. My 555 is already oscillating at a steady 38 kHz (I also tried using a 556-- it worked alright but range was reduced significantly and the pulses didn't have time to stabilize).

I am a little confused with the 74C00. What is it actually doing?

Thanks again,

John
 
A NAND gate works like this:

Both inputs low ...Output high.
Either input low ...Output high
Both inputs high ...Output low.

So if you have 38 KHz pulses getting to one input, they will cause the output to go high and low at a 38 KHz rate only if the other input is high.

The "other" input acts as a control pin and either let's the 38 KHz pulses through or not. This is because, if it is low, it doesn't matter what the other pin is, there is one input low so the output stays high.

If it is "high", the other input will make the output go low if it is high, but remain high if it is low. Try drawing it on a bit of paper, or I will send a diagram of it if you like.

Anyway, the output of the gate will be inverted. (highs will be low and lows will be high). So, the output of the first NAND gate would be high when it is not switching, so I added the second gate to turn the light off.

Notice that the switching rate is still 38 KHz but it is being turned on and off at a 1 KHz rate.
 
Thanks. I got this chip (would it work for the four NAND gates) : LM339 Quad OP Comparator.
(They did not have the one your recommended at Radioshack).

I am trying to draw it out but my Digital Logic is pretty bad (I had to push the class back a semester so it is behind everything else).

Any help is appreciated,

John

(Again, you guys rock).
 
NO, that comparator chip is something different. A good chip, but not what you need in this case.

Try a different store or ask for a 4011 or look in their catalog for a quad 2 input NAND gate chip.

Alternative types like 74HC00 74HCT00 74F00 74AC00 would also be OK.

I checked Radio Shack, but they don't sell ANY digital IC's.

Futurlec have 74HC00's for 25 cents each. I'd get 10.

This is a summary of NAND gate behaviour:

http://dl.dropbox.com/u/4222062/NAND%20gate.PNG
 
Last edited by a moderator:
Thanks for the help. I'll look into ordering those tonight.
 

Similar threads

  • · Replies 9 ·
Replies
9
Views
4K
Replies
16
Views
3K
  • · Replies 6 ·
Replies
6
Views
11K
Replies
11
Views
4K
Replies
2
Views
6K
  • · Replies 2 ·
Replies
2
Views
3K
  • · Replies 1 ·
Replies
1
Views
8K
Replies
2
Views
3K
  • · Replies 8 ·
Replies
8
Views
5K
  • · Replies 4 ·
Replies
4
Views
7K