How Can an Op-Amp and Diode be Used to Convert 12V to 5V for a PIR Detector?

Click For Summary

Discussion Overview

The discussion revolves around designing a voltage converter to step down a 12 V supply to 5 V for a PIR detector using an op-amp and a diode. Participants explore the theoretical and practical aspects of this design, including calculations for component values and assumptions regarding circuit behavior.

Discussion Character

  • Homework-related
  • Technical explanation
  • Exploratory
  • Debate/contested

Main Points Raised

  • Some participants propose using a forward voltage of 320 mV for the diode, requiring a forward current of 1 mA, and calculate the necessary resistor values to limit current.
  • Others discuss the need to balance the voltages at the op-amp inputs and suggest using a potential divider formed by resistors R1 and R2.
  • There are suggestions to calculate the operating points at DC and to consider the frequency of operation, with some participants noting the lack of specific frequency information provided in the problem.
  • Some participants express uncertainty about how to approach part (b) of the problem, particularly regarding the frequency of operation and assumptions that need to be stated.
  • A few participants mention that the circuit could resemble a bandpass amplifier and suggest using a mid-frequency as the operating frequency for calculations.
  • There is a discussion about whether the specific circuit design is necessary, with some suggesting that alternative methods may exist that could simplify analysis.

Areas of Agreement / Disagreement

Participants do not reach a consensus on the best approach to the problem. There are multiple competing views on how to design the circuit and calculate the necessary parameters, as well as uncertainty regarding the assumptions that should be made.

Contextual Notes

Participants note the absence of specific frequency information, which complicates the analysis. There are also discussions about the assumptions related to RC feedback and the nature of the op-amp circuit.

topcat123
Messages
77
Reaction score
1

Homework Statement


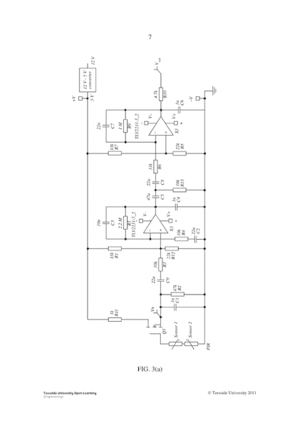
FIGURE 3 (on page 7) shows a PIR (passive infra-red) detector and its
associated amplifier, as used in burglar alarm systems1.

(a) The detector is powered from a 12 V unregulated supply that needs
to be stepped down to 5 V. Design a suitable 12-to-5 V voltage
converter using an op-amp and a diode that has the forward
characteristics given in FIGURE 3(b).

(b) Estimate the quiescent voltages at the inputs and outputs of the two
op-amps and the overall voltage gain (in decibels) of the circuit at the
frequency of operation. State any assumptions made.

Homework Equations


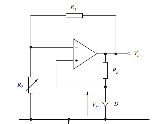
[itex]V_-=V_o\frac{R_2}{R_1+R_2}[/itex]
Vo = GV (V+ – V–)
Vd = V+

The Attempt at a Solution


I think pic 2 is the circuit they are asking for.
as for the rest.Any help would be appreciated.
Thanks
 

Attachments

  • pic 1.png
    pic 1.png
    19.9 KB · Views: 557
  • pic2.PNG
    pic2.PNG
    3.6 KB · Views: 577
  • pic3.PNG
    pic3.PNG
    5.9 KB · Views: 556
Physics news on Phys.org
What is your actual question?

Why don't you give the problem your best shot...
 
(a)
If we work with a forward voltage VD of 320mV this means the diode would require a forward current If of 1mA. The resister R3 would be requred to drop the remanig voltage and limit the current through the diode
[tex]R_3 = \frac{5-0.32}{0.001}=4.68K[/tex]
The voltage at V_ and V+ must be equal when the system is balance at the required output voltage.
[tex]V_D = V_+[/tex]
The inverting input is worked out as R1 and R2 form a potential divider.
[tex]V_o=V_D\frac{R_1+R_2}{R_2}=5[/tex]
[tex]\frac{V_D}{V_O}=\frac{R_2}{R_1+R_2}=\frac{0.32}{5}=0.064[/tex]
So if we give R2 a value of “1” we can find the ratio of R2 to R1.
[tex]\frac{1}{0.064}-1=14.625[/tex]
So if we give R2 3.3k then R1 will be 48k

As for part (b) I don't know where to star
 
topcat123 said:
(a)
If we work with a forward voltage VD of 320mV this means the diode would require a forward current If of 1mA. The resister R3 would be requred to drop the remanig voltage and limit the current through the diode
[tex]R_3 = \frac{5-0.32}{0.001}=4.68K[/tex]
The voltage at V_ and V+ must be equal when the system is balance at the required output voltage.
[tex]V_D = V_+[/tex]
The inverting input is worked out as R1 and R2 form a potential divider.
[tex]V_o=V_D\frac{R_1+R_2}{R_2}=5[/tex]
[tex]\frac{V_D}{V_O}=\frac{R_2}{R_1+R_2}=\frac{0.32}{5}=0.064[/tex]
So if we give R2 a value of “1” we can find the ratio of R2 to R1.
[tex]\frac{1}{0.064}-1=14.625[/tex]
So if we give R2 3.3k then R1 will be 48k
All very well done for part (a).
As for part (b) I don't know where to star
As for part (b) you haven't given us the frequency of operation so can't do part (b).
Can you flip the image 90 deg for us?
Since they're asking for voltage gain you also have to define the input point. The overall circuit gain is volts/watt or volts/lumen or similar with infrared input quantity.
 
rude man said:
As for part (b) you haven't given us the frequency of operation so can't do part (b).
Can you flip the image 90 deg for us?
Since they're asking for voltage gain you also have to define the input point. The overall circuit gain is volts/watt or volts/lumen or similar with infrared input quantity.

assuming they don't give you a frequency, you might need to make it generic (the answer will simply have f as a parameter).
 
No frequencies are given.
That all the info I have been given.
Although it says state any assumptions.
I assume the RC feedback is some kind of high or low pass filter. I really don't know where to start.
Thanks for you help.
 
topcat123 said:
No frequencies are given.
That all the info I have been given.
Although it says state any assumptions.
I assume the RC feedback is some kind of high or low pass filter. I really don't know where to start.
Thanks for you help.
I would first calculate the operating points at DC.

Information I found on the web is saying PIR sensors operate in the 1 Hz range. You could calculate it there.
Is this for a homework problem. you can ask your professor for clarification. Or like I said earlier calculate as a function of frequency.
 
donpacino said:
I would first calculate the operating points at DC.

Information I found on the web is saying PIR sensors operate in the 1 Hz range. You could calculate it there.
Is this for a homework problem. you can ask your professor for clarification. Or like I said earlier calculate as a function of frequency.
if you really don't know where to start, maybe do nodal anlysis or some other system at DC (at dc capacitors are open circuit). It should be easy to find the voltages at the IOs of the op amps.
 
I really don't have a clue.

so R1and R2 form a potential divider giving 2V at the non-inverting inputs of X3 and X1

but I am not sure about the inverting side this looks like it is held low at 0V
 
  • #10
topcat123 said:
I really don't have a clue.

so R1and R2 form a potential divider giving 2V at the non-inverting inputs of X3 and X1

but I am not sure about the inverting side this looks like it is held low at 0V
there is a property of op-amps that states with negative feedback the inverting and non inverting terminals will be equal
 
  • #11
donpacino said:
I would first calculate the operating points at DC.
Information I found on the web is saying PIR sensors operate in the 1 Hz range. You could calculate it there.
Is this for a homework problem. you can ask your professor for clarification. Or like I said earlier calculate as a function of frequency.

I think, the whole circuit resembles a kind of bandpass amplifier. Why not using the mid frequency Fo as operating frequency?
A circuit simulation can give the value of Fo.
 
  • #12
LvW said:
I think, the whole circuit resembles a kind of bandpass amplifier. Why not using the mid frequency Fo as operating frequency?
A circuit simulation can give the value of Fo.
that could work (assuming the circuit is properly designed/tuned). I assume op is supposed to do this analytically.
 
  • #13
topcat123 said:
(a) The detector is powered from a 12 V unregulated supply that needs
to be stepped down to 5 V. Design a suitable 12-to-5 V voltage
converter using an op-amp and a diode that has the forward
characteristics given in FIGURE 3(b).

There is no requirement to use that specific circuit is there ?

There are other ways of doing the same thing and some of these other ways will certainly be easier to analyse .
 
  • #14
Nidum said:
There is no requirement to use that specific circuit is there ?

There are other ways of doing the same thing and some of these other ways will certainly be easier to analyse .
This looks like a homework problem. I doubt a "solution" would be resdesign the problem.
 

Similar threads

  • · Replies 13 ·
Replies
13
Views
3K
  • · Replies 9 ·
Replies
9
Views
3K
  • · Replies 3 ·
Replies
3
Views
2K
Replies
3
Views
2K
  • · Replies 38 ·
2
Replies
38
Views
5K
Replies
3
Views
1K
  • · Replies 7 ·
Replies
7
Views
4K
  • · Replies 11 ·
Replies
11
Views
14K
  • · Replies 4 ·
Replies
4
Views
2K
Replies
6
Views
3K