peasngravy
- 72
- 6
- Homework Statement
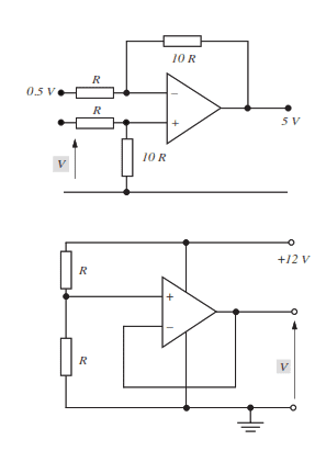
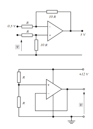
- FIGURE 1 shows two amplifier circuits, each of which has one unknown
voltage (shown highlighted). Select, from TABLE A, the most
appropriate value for the unknown voltages for each circuit. Assume that
the op-amps are ideal and that the magnitude of their output voltages is
less than their maximum peak output voltage swing (VOM).
- Relevant Equations
- V+ = V1/(R+10R)
(V2 - V-)/R = -(Vo - V-)/10R

Hi - I have made an attempt at both of these circuits, but I am not 100% sure I am correct. Would it be possible to check if I have this right, and if not, please give me some pointers as to where I have gone wrong? ThanksFirst op-amp
Given data:
Vo = 5V
I have called the voltage feeding into the non-inverting input V1 = 0.5V
voltage feeding into the inverting input = V2
For non inverting input V+ = V1/(1+10)
For inverting input V- :
(V2 - V-)/R= -(Vo - V-)/10R
V2 - V- =(-Vo + V-)/10
10(V2 - V-)-V- = -Vo
10V2 - 11V- = -Vo
Plug in values
(10*0.5) - 11V- = -5
-11V- = -10
V- =10/11 = 0.909V
As it is an ideal op-amp:
V+ = V- = 0.909V
Therefore:
V+ =V1/(10+1)
V1 = V+ * 11
V1 = 0.909*11 = 10V
Second op-amp
At non-inverting input:
V+ =Vo/(R+R)
V+=12/2=6V
As it is an ideal op-amp:
V+ = V- =6V
Due to short from inverting input to output, output voltage (V) is 6V