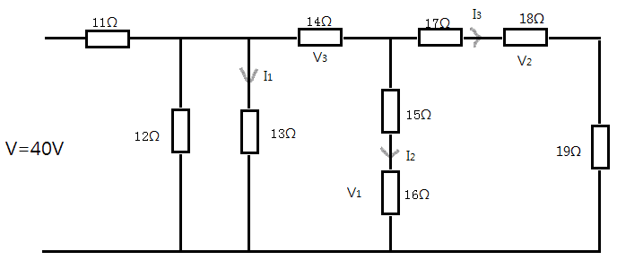
How do I solve a series-parallel circuit with a 40V power supply?
- Thread starter kai92
- Start date
-
- Tags
- Circuit
Click For Summary
Homework Help Overview
The discussion revolves around solving a series-parallel circuit with a 40V power supply, focusing on finding voltages (V1, V2, V3) and currents (I1, I2, I3) within the circuit.
Discussion Character
- Exploratory, Assumption checking, Problem interpretation
Approaches and Questions Raised
- Participants discuss finding total resistance and current, with some expressing uncertainty about their calculations. There are suggestions to find specific voltages and currents based on resistance ratios and circuit laws.
Discussion Status
The discussion is ongoing, with participants sharing their calculations and questioning the accuracy of their results. Some guidance has been offered regarding the next steps in the analysis, but there is no explicit consensus on the correct approach or final values.
Contextual Notes
Participants have noted discrepancies in calculated values for total resistance and current, indicating potential misunderstandings or errors in their setups. There is also a request for step-by-step guidance, reflecting the homework context and expectations for learning.
Similar threads
- · Replies 3 ·
- · Replies 11 ·
- · Replies 5 ·
- · Replies 9 ·
- · Replies 6 ·
- · Replies 6 ·
- · Replies 9 ·
- · Replies 31 ·