Parallel RLC circuit complex impedance graphing

Click For Summary

Discussion Overview

The discussion revolves around the complex impedance of a parallel RLC circuit, focusing on the mathematical representation and graphing of the impedance. Participants explore the formulation of the impedance, its components, and how to derive and visualize it using Bode plots.

Discussion Character

  • Technical explanation
  • Mathematical reasoning
  • Debate/contested

Main Points Raised

  • Some participants discuss the need to express the complex impedance ##Z## in the form ##|Z| e^{j\phi}## and inquire about the method to achieve this.
  • There are multiple approaches suggested for calculating the real and imaginary parts of ##Z##, including using complex conjugates and separating components.
  • One participant mentions the necessity of having specific values for R, L, and C to perform complex arithmetic and obtain ##Z(w)## as a function of frequency.
  • Several participants express confusion regarding the presence of imaginary units in their calculations and how to correctly derive the magnitude and phase of the impedance.
  • Some participants propose using Bode plots to visualize the gain and phase shift of the impedance, while others suggest alternative methods such as Laplace transformations.
  • A later reply emphasizes the importance of keeping the transfer function in a specific form for clarity in plotting and understanding system dynamics.
  • There is a correction regarding the calculation of terms in the impedance formula, with participants refining their expressions based on earlier posts.

Areas of Agreement / Disagreement

Participants do not reach a consensus on the best method for calculating and graphing the impedance. There are competing views on how to approach the problem, including different mathematical techniques and interpretations of the results.

Contextual Notes

Some participants express uncertainty about the correct forms of their equations and whether certain terms should be simplified or left in a more complex form. There are also discussions about the implications of using different plotting techniques and the importance of understanding the underlying mathematics.

Who May Find This Useful

This discussion may be useful for students and practitioners in electrical engineering, particularly those interested in circuit analysis, impedance calculations, and frequency response visualization.

lys04
Messages
144
Reaction score
5
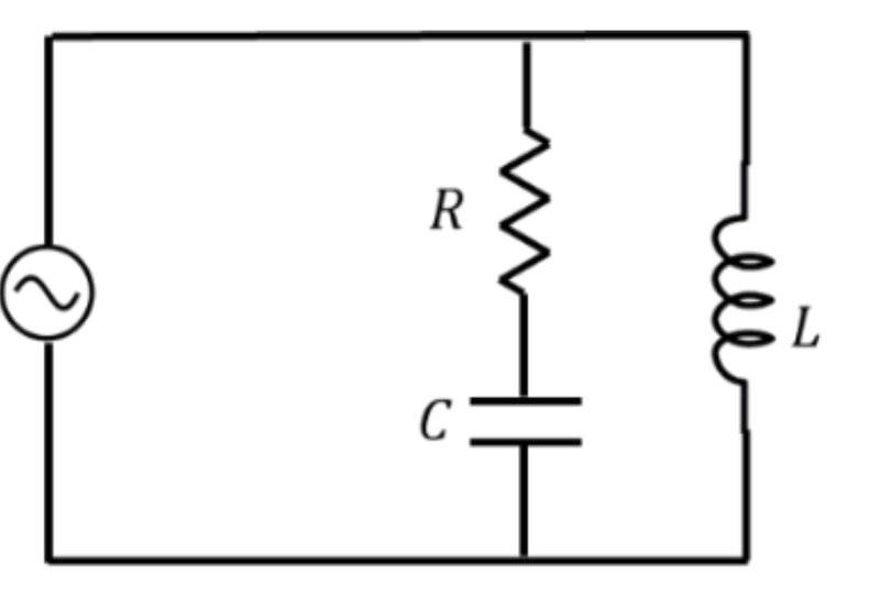
Homework Statement
How can I graph the impedance against the frequency using a logarithmic scale for the frequency axis?
Relevant Equations
$$ Z = \frac{iwL-w^{2}RLC}{1-w^{2}LC+iwRC} $$
^^ as mentioned in the homework statement, the relevant equation is my worked out impedance for the circuit. I have attached a diagram of the circuit below.
 

Attachments

  • IMG_1022.jpeg
    IMG_1022.jpeg
    14.4 KB · Views: 82
Physics news on Phys.org
##Z## is complex. You want to write it as ##|Z| e^{j\phi}##. Do you know how to do that ?

##\ ##
 
  • Like
Likes   Reactions: FactChecker
BvU said:
##Z## is complex. You want to write it as ##|Z| e^{j\phi}##. Do you know how to do that ?

##\ ##
Is it like this? for the branch with resistor and capacitor,
1729162523247.png


And then for the branch with just the inductor in it its just wLe^90j?

And then I need to add them together which is 1/Z = 1/Z_l + 1/Z_c?
 
No. You already did the work to get the correct complex ##Z##.

To write it as ##|Z| e^{j\phi}## you want to use ##|Z|^2=ZZ^*## with ##Z^*## the complex conjugate.
And ##\tan\phi = \Im Z/\Re Z## (imaginary part / real part).

If ##Z= (a+jb)/(c+jd)## you get the real and imaginary part by multiplying with ##(c-jd)/(c-jd) ## (because then the denominator ##c^2-d^2## is real).

##\ ##
 
BvU said:
If ##Z= (a+jb)/(c+jd)## you get the real and imaginary part by multiplying with ##(c-jd)/(c-jd) ## (because then the denominator ##c^2-d^2## is real).
Did you mean to say "the denominator ##c^2+d^2## is real"?
 
  • Like
Likes   Reactions: BvU
Yes, thanks ! o:)

##\ ##
 
To actually make a graph, you will need values for R, L, and C. Then you can do the complex arithmetic and get Z(w) as a complex function of w. Then, |Z(w)| is the gain and arg(Z(w)) is the phase shift of the response. You can plot the result. A Bode plot does that.
 
  • #10
BvU said:
To write it as |Z|ejϕ you want to use |Z|2=ZZ∗ with Z∗ the complex conjugate.
And tan⁡ϕ=ℑZ/ℜZ (imaginary part / real part).

If Z=(a+jb)/(c+jd) you get the real and imaginary part by multiplying with (c−jd)/(c−jd) (because then the denominator c2−d2 is real).
Alright,

I did

$$ \frac{iwL-w^{2}RLC}{1-w^2LC+iwRC} . \frac{1-w^2LC-iwRC}{1-w^2LC-iwRC}$$ which gives me $$ \frac{iwL-iw^3L^2C+w^4RL^2C^2+iw^2R^2C^2L}{(1-w^2LC)^2+(wRC)^2}$$

But this still has i's in it?
 
  • #11
lys04 said:
Alright,

I did

$$ \frac{iwL-w^{2}RLC}{1-w^2LC+iwRC} . \frac{1-w^2LC-iwRC}{1-w^2LC-iwRC}$$ which gives me $$ \frac{iwL-iw^3L^2C+w^4RL^2C^2+iw^2R^2C^2L}{(1-w^2LC)^2+(wRC)^2}$$

But this still has i's in it?
And also do I need to take square root to get |z|?
 
  • #12
You need to separate the real and imaginary parts first. This means find real numbers ##Z_1## and ##Z_2## such that $$Z=Z_1+iZ_2.$$ Then $$|Z|=\sqrt{Z_1^2+Z_2^2}.$$
 
  • #13
FactChecker said:
To actually make a graph, you will need values for R, L, and C. Then you can do the complex arithmetic and get Z(w) as a complex function of w. Then, |Z(w)| is the gain and arg(Z(w)) is the phase shift of the response. You can plot the result. A Bode plot does that.
Yeah I have values of R, L and C given to me.

Is arg(z) $$ tan(\phi) = \frac{Im(Z)}{Re(Z)} $$?
 
  • #14
kuruman said:
You need to separate the real and imaginary parts first. This means find real numbers ##Z_1## and ##Z_2## such that $$Z=Z_1+iZ_2.$$ Then $$|Z|=\sqrt{Z_1^2+Z_2^2}.$$
Okay,

real part of |z|^2 is $$ \frac{w^4RL^2C^2}{(1-w^2LC^2)^{2}+(wRC)^{2}} $$ and imaginary part is $$ \frac{wL-w^3L^2C+w^3R^2C^2L}{(1-w^2LC^2)^{2}+(wRC)^{2}}$$

And then do I need to take the square root?
 
Last edited:
  • #15
lys04 said:
Okay,

real part of |z|^2 is $$ \frac{w^4RL^2C^2}{(1-w^2LC^2)+(wRC)^2}$$ and imaginary part is $$ \frac{wL-w^3L^2C+w^3R^2C^2L}{(1-w^2LC^2)+(wRC)^2}$$

And then do I need to take the square root?
Oh wait what I got above is z1^2 and z2^2 so then I just need to take the square root of their sum?
 
  • #16
lys04 said:
Oh wait what I got above is z1^2 and z2^2 so then I just need to take the square root of their sum?
No.
If you have $$Z=\frac{iwL-iw^3L^2C+w^4RL^2C^2+iw^2R^2C^2L}{(1-w^2LC)^2+(wRC)^2},$$the real part is $$Z_1=\frac{w^4RL^2C^2}{(1-w^2LC)^2+(wRC)^2}$$and the imaginary part is $$Z_2=\frac{wL-w^3L^2C+w^2R^2C^2L}{(1-w^2LC)^2+(wRC)^2}.$$You need to find $$|Z|=\sqrt{Z_1^2+Z_2^2}.$$
 
  • #17
kuruman said:
No.
If you have $$Z=\frac{iwL-iw^3L^2C+w^4RL^2C^2+iw^2R^2C^2L}{(1-w^2LC)^2+(wRC)^2},$$the real part is $$Z_1=\frac{w^4RL^2C^2}{(1-w^2LC)^2+(wRC)^2}$$and the imaginary part is $$Z_2=\frac{wL-w^3L^2C+w^2R^2C^2L}{(1-w^2LC)^2+(wRC)^2}.$$You need to find $$|Z|=\sqrt{Z_1^2+Z_2^2}.$$
But is the first fraction you've got not |z|^2 since its ZZ*?
 
  • #18
Alright I did it anyways, does this look correct?, using x for w
1729204766252.png
 
  • #19
There are a few different ways to solve this. One way is how you are approaching it and another way is to convert it to a Laplace transformation. How are you supposed to solve this currently for your class?
 
  • #20
FactChecker said:
There are a few different ways to solve this. One way is how you are approaching it and another way is to convert it to a Laplace transformation. How are you supposed to solve this currently for your class?
Using phasors I think
 
  • Like
Likes   Reactions: FactChecker
  • #21
lys04 said:
Using phasors I think
Then I think your work is good. The only "knit-pick" I would mention is that you might see if your graphics tool can directly plot x on a logarithmic scale and label it appropriately.
 
  • #22
I'm trying to do this on python, neglect the fact that I'm plotting admittance instead, but why is the graph showing negative values? I don't think that's correct?
1729209795663.png
 
  • #23
By the way the solutions look like this
1729210671353.png
 
  • #24
lys04 said:
By the way the solutions look like this
View attachment 352416
It's much more clear on log-log plot, which is standard. That way you will get straight line asymptotes for an approximate solution. Pro EEs will call the vertical axis dBΩ, which is ##20*log(|Z|)##, the phase is plotted as degrees, both with either a ##log(\omega)## or ##log(f)## horizontal axis.

You will want to keep your transfer function in a factored pole-zero form where you have linear ##(1+\frac{ j \omega}{\omega_n})##, or quadratic ##(1+(\frac{1}{Q})(\frac{ j \omega}{\omega_n}) + (\frac{ j \omega}{\omega_n})^2)## terms. These will typically be separated in frequency and can thus be treated independently in the plotting process.

The correct (intuitive) way is really a lot to explain here, but look for this book online (I can't link to it here). It has a good description of manual frequency response (bode) plotting in section 8. You can pretty much ignore most all of the previous comments (sorry guys, I call them like I see them). Your original formula for Z in post #1 is all you need. Further arithmetic will just obscure things. You want the polynomial factors of ##j \omega##, not the expanded polynomial. Do not simplify ##(j \omega)^2 = -\omega^2##, even though that's true. That's great for a calculator, but not a good approach for understanding the system dynamics.

1729228606764.png


Finally, there is a big advantage to learning how to do this by hand for analog EEs. Even though your data lives in a computer that can calculate and plot things for you, you won't get a good understanding of what a pole, zero, or quadratic term really does to the frequency response of your system. It's similar to learning in your algebra class to solve quadratic equations even though Wolfram-Alpha et. al. can do it for you.

P.S. - In that book, as well as most other analog EE texts, you will see polynomials in ##s##. For your case you can use ##s=j \omega##, which is true for steady state solutions. You'll learn why people do this later (hint: Laplace Transforms).
 
Last edited:
  • #25
lys04 said:
$$ \frac{iwL-w^{2}RLC}{1-w^2LC+iwRC} . \frac{1-w^2LC-iwRC}{1-w^2LC-iwRC}$$ which gives me $$ \frac{iwL-iw^3L^2C+w^4RL^2C^2+iw^2R^2C^2L}{(1-w^2LC)^2+(wRC)^2}$$
In post #10, that last term should have ##w^3##. That is corrected in post #14 and 18, but it led post #16 astray.
 
Last edited:
  • #26
lys04 said:
But is the first fraction you've got not |z|^2 since its ZZ*?
You didn't calculate ##ZZ^*##. You multiplied by 1 in a way to make the denominator real, so the expression you got is just another form of ##Z##.

Another way you could have attacked this problem is to put both the numerator and denominator in polar form:

$$Z = \frac {a+bi}{c+di} = \frac{\sqrt{a^2+b^2}\,e^{i\varphi_1}}{\sqrt{c^2+d^2}\,e^{i\varphi_2}} = \underbrace{\sqrt\frac{a^2+b^2}{c^2+d^2}}_{\lvert Z \rvert}e^{i(\varphi_1-\varphi_2)}$$ where ##\varphi_1 = \arg(a+bi)## and ##\varphi_2 = \arg(c+di)##.

Either way, you should get the same result. I think the second way involves less tedious algebra.
 
  • Informative
  • Like
Likes   Reactions: BvU and FactChecker
  • #27
DaveE said:
You will want to keep your transfer function in a factored pole-zero form where you have linear ##(1+\frac{ j \omega}{\omega_n})##, or quadratic ##(1+(\frac{1}{Q})(\frac{ j \omega}{\omega_n}) + (\frac{ j \omega}{\omega_n})^2)## terms. These will typically be separated in frequency and can thus be treated independently in the plotting process.

The correct (intuitive) way is really a lot to explain here, but look for this book online (I can't link to it here). It has a good description of manual frequency response (bode) plotting in section 8. You can pretty much ignore most all of the previous comments (sorry guys, I call them like I see them). Your original formula for Z in post #1 is all you need. Further arithmetic will just obscure things. You want the polynomial factors of ##j \omega##, not the expanded polynomial. Do not simplify ##(j \omega)^2 = -\omega^2##, even though that's true. That's great for a calculator, but not a good approach for understanding the system dynamics.
Oops! I failed to recheck your original equation. You'll want it in terms of ## j \omega ## for easy analysis, like this: $$ Z(j \omega) =
j \omega L
\frac
{(1+ j \omega CR)}
{(1+j \omega CR) +( j \omega )^2 LC)} $$
This can also be expressed in the canonical form as
$$ Z(j \omega) =
j \omega L
\frac
{(1+(\frac{1}{Q}) (\frac{j \omega}{\omega_o}))}
{(1+(\frac{1}{Q}) (\frac{j \omega}{\omega_o}) +( \frac{j \omega}{\omega_o})^2 )} $$
Where ##\omega_o = \frac{1}{\sqrt{LC}}##, ##Q = \frac{Z_o}{R}##, and ##Z_o = \sqrt{ \frac{L}{C} }##
 

Similar threads

  • · Replies 5 ·
Replies
5
Views
3K
  • · Replies 3 ·
Replies
3
Views
2K
  • · Replies 4 ·
Replies
4
Views
1K
  • · Replies 9 ·
Replies
9
Views
12K
  • · Replies 32 ·
2
Replies
32
Views
4K
  • · Replies 13 ·
Replies
13
Views
8K
  • · Replies 8 ·
Replies
8
Views
3K
  • · Replies 2 ·
Replies
2
Views
2K
Replies
19
Views
3K
  • · Replies 7 ·
Replies
7
Views
2K