RC circuit question(Charging A Capacitor)

Click For Summary

Homework Help Overview

The discussion revolves around an RC circuit involving two capacitors (C1 and C2) with given capacitances and a resistor. The problem poses questions about the initial current reading when a switch is closed and the voltages at specific points after the current has decayed to zero.

Discussion Character

  • Exploratory, Conceptual clarification, Assumption checking

Approaches and Questions Raised

  • Participants explore the initial conditions of the circuit, questioning the behavior of current and voltage as the capacitors charge. There are discussions about the relationship between charge, voltage, and capacitance, as well as the implications of a fully charged capacitor on the circuit's voltage readings.

Discussion Status

Participants are actively engaging with the problem, raising questions about the assumptions related to voltage across the capacitors and the role of the resistor. Some guidance has been offered regarding the relationships between charge and voltage, but there is no explicit consensus on the interpretation of the circuit behavior.

Contextual Notes

There are indications of confusion regarding the definitions of potential difference and the behavior of voltages across the capacitors in relation to the resistor. Participants are also grappling with the implications of the circuit's configuration on their calculations.

lionely
Messages
574
Reaction score
2

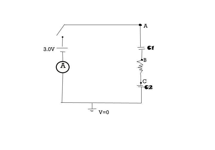
Homework Statement



358urzs.jpg


C1= 2.0 μF
C2= 5.0 μF
the resistor has a resistance of 0.10 MΩ

The circuit shows the charging of a capacitor
a) At t=0 the switch is closed. What is the initial measuring on the ammeter?
b) After the current has decayed to zero what are the voltages at points A,B and C?

Homework Equations



Q= Qo e^(-t/cr)

The Attempt at a Solution



Well at t= 0 the current should be 0

and then for the b) the current should decay to zero at t= ∞ , right? But if I use this idea I can't calculate any voltages and I just get confused.At first I thought since the current decayed to zero... the capacitor were fully charged so . I found the effective capacitance

Ce= 1.43μF
Q=CV
Q= 1.43x10^-6 x 3 = 4.29x10^-6C

Then I used that to find the voltage at each point.

But my teacher didn't agree...
Help is much appreciated!
 
Physics news on Phys.org
For
(a) - they mean the initial reading after the switch is closed.
(b) - after a long time, the capacitors will be charged up due to charge having been shifted between the plates.
The voltages at the different points will depend on the charges. Well done.

But you can use your knowledge of circuits to figure the voltages.
i.e. the voltage on the top plate of C1 is 3.0V ... do you see how I did that?

similarly, the voltage on the bottom plate of the bottom capacitor is 0.0V.

now you just need the voltages on the other plates ... are these going to be the same or different?
i.e. is there a voltage drop across the resistor?
 
If the capacitor is fully charged shouldn't it's p.d. equal the voltage of the supply so everything else should be zero?

I didn't know the voltage of one plate could be different from the bottom plate, thought they would be the same.
 
Last edited:
If the voltages on each plate are the same, then what is the potential difference between them?

The PD across a capacitor is the same as the supply voltage if it is the only components in the circuit.
 
If the voltage is the same on each plate the p.d. would be zero. So the P.d. at A is referring to the top of the plate of C1 so that is 3V? The voltage of the resistor would be... V= IR but... the current is zero so the voltage is also zero? and C is referring to the voltage of the top plate on C2 so it would be... I'm not sure... if the current decayed to zero , that means one of the capacitors became fully charged.. so the C2 has a p.d. of V.., but I don't know the charge or the current so I can't calculate it's p.d.
 
The voltage of the resistor would be... V= IR but... the current is zero so the voltage is also zero?
So you can treat the circuit as if the resistor is not there.

What the voltage source has done is move charge Q from the bottom plate of C2 and put it on the top plate of C1.

If the voltage on the bottom plate of C2 is zero (using the [-] terminal of the power supply as a reference) then the voltage on the top plate of C1 is +3V.

If the charge on the top plate of C1 is +Q, what is the charge on the bottom plate (of C1)?
Do you know an equation that relates the voltage across a capacitor with the charge on each plate?
Do you know an equation that relates the voltage across each capacitor with the total voltage across both?

Have a look at:
http://farside.ph.utexas.edu/teaching/302l/lectures/node46.html
 
Last edited:
Ah I see... so C2 discharged and electrons went to the top of C1 , so the Voltage at A is 3V,

B is 0V

C is also 0v since it discharged right?

I'm not used to circuits like this.
 
Ah I see... so C2 discharged and electrons went to the top of C1 , so the Voltage at A is 3V
If "electrons went to the top of C1" - would that give the top of C1 a positive or a negative charge?

Nope - C2 is charged up.
Please answer the questions put to you, they are designed to help you think about the question.
 
Yeah I know equations Q=CV . If the top plate has +Q the bottom plate has -Q. So you're saying I should find the effective capacitance and then find the charge? If I ignore the resistance and have one effective capacitor... then it will have the full voltage of 3, by Q=CV i could find the charge, since they are in series they should have the same charge but different voltages.. so I should just work out the voltages on each capacitor?
 
  • #10
So you're saying I should find the effective capacitance and then find the charge?
No.

If a capacitor is "charged" that means that +Q is on one plate and -Q on the other plate.

If the charge on the top of C1 is +Q, what is the charge on the bottom of C2? From that - what is the charge on the top of C2? ... i.e. both capacitors will have charge +Q on their top plate and -Q on their bottom plate.

since they are in series they should have the same charge but different voltages..
Well done :)

Write down the expression relating the voltage across each capacitor - individually - with the charge on it.
You don't need to work out the charge - just leave it as Q. This should give you two equations and three unknowns.

The next step is to relate the voltages across each capacitor to the total voltage across both of them.
This is the final equation: with three equations and three unknowns, you can solve for V1 and V2.
 
  • #11
The only equations I have are V1= Q/C1

V2= Q/C2

V= Q/C1 + Q/C2
 
  • #12
I'd have written V=V1+V2 ... you substituted too soon.
But it doesn't matter:
You know V, C1, C2.
You don;t know V1, V2, and Q.
... that's three equations and three unknowns.
Do you know how to solve simultaneous equations?
 
  • #13
V1= Q/(2x10^-6)

3= V1 + V2
V1= 3-V2

3-V2 = Q/(2x10^-6) ( But V2= Q/5x10^-6)

3 - Q/(2x10^-6) = Q/(5x10^-6)

3= 700,000Q
Q= 4.3x10^-6 C.

V1= 4.3x10^-6/2x10^-6 = 2.15V

V2= 4.3x10^-6/5x10^-6 = .86V.
 
  • #14
Why did you bother to compute Q??
You can eliminate it right of the bat in step 1 - use your first two equations to get:

1. C1V1=C2V2 so that V2=C1V1/C2 ...sub that into:

2. V=V1+V2 = V1+C1V1/C2 and solve for V1...

it is best practice to do the algebra before substiting the values.
You need to control that urge to leap ahead - it's getting you into trouble.

Still - good effort.
 

Similar threads

  • · Replies 4 ·
Replies
4
Views
2K
Replies
9
Views
3K
  • · Replies 3 ·
Replies
3
Views
2K
  • · Replies 15 ·
Replies
15
Views
1K
  • · Replies 4 ·
Replies
4
Views
4K
Replies
20
Views
4K
  • · Replies 11 ·
Replies
11
Views
3K
  • · Replies 1 ·
Replies
1
Views
3K
  • · Replies 5 ·
Replies
5
Views
7K
  • · Replies 5 ·
Replies
5
Views
3K