Saitama
- 4,244
- 93
Homework Statement
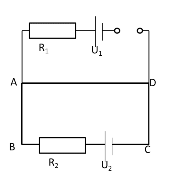
The terminal voltages of the power supplies shown in the figure are constant, and the values of the terminal voltage are: ##U_1=15 V## and ##U_2=45 V##. The resistances of the resistors are ##R_1=10 \Omega## and ##R_2=20 \Omega##.
a) What are the readings shown by the meters, which are considered ideal?
b) Solve the problem, if the two meters are swapped over
Homework Equations
The Attempt at a Solution
I have solved part a). I need help with part b).
The following is what I tried.
The circuit for part b) can be drawn as shown in attachment. Since the voltmeter is ideal, no current flows through it, hence, the current flows in the circuit ABCD. The current flowing in ABCD is 45/20=2.25 A which is correct. Since the voltmeter is connected across conducting wires, the reading must be zero but that's not the correct answer. Where did I go wrong?
Any help is appreciated. Thanks!
Attachments
Last edited:
