Remarkable New Marine Propulsion Systems

Click For Summary

Discussion Overview

The discussion revolves around the Azipod marine propulsion systems used in ships, particularly focusing on their engineering innovations, operational efficiency, and maintenance considerations. Participants explore both technical aspects and historical context, as well as the implications of these systems in marine engineering.

Discussion Character

  • Technical explanation
  • Debate/contested
  • Exploratory

Main Points Raised

  • One participant describes the Azipod propulsion system's features, including its use of permanent magnet synchronous motors and the role of cycloconverters in providing variable frequency AC power.
  • Another participant notes that the Azipod technology is not new and has been established in the marine engineering field for several years.
  • A different viewpoint highlights the evolution of the pod propulsion system, mentioning initial challenges related to sealing, heat production, and maintenance issues.
  • Concerns are raised about the potential need for dry dock repairs in the event of a failure within the pod or slip ring area, contrasting this with the accessibility of traditional shaft systems.
  • One participant references a design interval of five years for dry dock maintenance of the Azipod, while also discussing vulnerabilities associated with conventional propulsion systems.
  • Another participant recalls past high-profile failures of Azipods but notes that issues seem less frequent now, suggesting improvements over time.
  • A participant raises a related anecdote about a ship experiencing engine shutdown due to severe sea conditions affecting the oil lubrication system.

Areas of Agreement / Disagreement

Participants express a mix of interest and skepticism regarding the Azipod systems. While some acknowledge the advancements and efficiencies, others point out historical challenges and ongoing maintenance concerns. There is no consensus on the overall reliability or effectiveness of the technology.

Contextual Notes

Participants mention various assumptions regarding the operational conditions and maintenance schedules of Azipods, as well as the historical context of their development. Specific technical details and definitions are not fully resolved, leaving room for further exploration.

anorlunda
Staff Emeritus
Science Advisor
Homework Helper
Insights Author
Messages
11,326
Reaction score
8,755
TL;DR
Some modern ships use a new propulsion system called Azipod. These remarkably simple and effective devices are made possible by modern power electronic cycloconverters.
I recently came back from a cruise on MS Eurodam. The ship was equipped with two 17.6 MW Azipod propulsion systems. The captain explained a bit about them in a Q&A session, and I researched a bit more because I'm curious as an engineer. I'm sharing it here on PF for the benefit of other engineers. The innovations are more than just electrical, hence General Engineering.

1559062874999.png


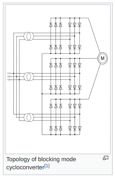
The Captain said that the ship has 6 diesel generators that produce 64 MW AC power at 11 KV (50 Hz? 60 Hz? I didn't ask.). Cycloconverters connect these fixed frequency AC sources to provide variable frequency AC power to the Azipods. Slip rings allow the Azipod to rotate for steering purposes without twisting cables.

In a recent thread, I said that the most powerful motors were synchronous AC. I was not thinking about permanent magnet synchronous. The Azipod uses permanent magnet synchronous motors, fed by a variable frequency supply, in sizes up to 20MW. Apparently, they can operate through the entire speed range from zero to maximum RPM with no special starting windings or mechanisms.

244270


We normally think of BLDC motors as very different things than AC synchronous motors, but with a cycloconverter in the middle to convert the frequency, the difference between BLDC and AC synchronous reduces to the difference between nearly square and nearly sinusoidal waveforms. Therefore, the BLDC concept stretches from the smallest hobby drone helicopter, to motorcycles, to EVs, to the largest 20 MW marine propulsion. That's impressive.

244271


On the mechanical side, the Azipod system eliminates long propeller shafts, through-hull penetrations with moving parts, rudders, stern thrusters, controllable-pitch propellers and reduction gears. The motor and bearings are directly cooled by sea water.

All of that leads to efficiency gains, but I don't know how much. I also imagine that 6 diesel generators plus 2 Azipods make for great reliability via simplicity and redundancy.

Tug boats are not needed, even in ice.

244266


Disclosure: Azipods are a product of ABB. I am an ex-ABB employee, but in a different field. This post is not a promotion for ABB.
 
  • Like
Likes   Reactions: hutchphd, jim mcnamara, BillTre and 4 others
Physics news on Phys.org
This is not new; it has been around quite a few years and is well known in the marine engineering world.
 
I suppose the pod propulsion system has had some birthing problems in the beginning and has matured over time. Sealing, heat production and cooling, motor design ( permanent magnet ), bearings - thrust and support, and ease of maintenance. In the event of a failure within the pod or slip ring area, the ship would have to go into dry dock for repairs which is still problematic if the ship is not near such a repair facility, whereas the standard shaft through the hull has a lot of equipment readily accessible within the floating ship.

I do wonder what the check up and preventative maintenance schedule looks like.
 
256bits said:
I do wonder what the check up and preventative maintenance schedule looks like.
One of the articles referenced in the wiki article says 5 years design interval between dry dock maintenance of the azipod.

Conventional propulsion has its own vulnerabilities. Rudder damage and cutlass bearings come to mind. (Do they use that word cutlass bearing on large ships?)

You can remove the azipod without letting water in. That suggests that you might be able to swap a failed azipod with a spare while in the water. But I have not seen any claims that that plan to try that.
 
  • Like
Likes   Reactions: 256bits
IIRC, Azipods and their 'fixed' kin had a bumpy start, with several high-profile failures. Don't hear much going wrong now, so well up the learning curve...

Speaking of diesels, didn't a ship recently have trouble off Scandinavian coast when 'severe' sea-state sloshed air into their oil lubrication system, and the engine management system sensed this, shut down ?
On a lee shore, in a gale...
Brrr...
 
  • Like
Likes   Reactions: anorlunda

Similar threads

Replies
49
Views
7K
  • · Replies 61 ·
3
Replies
61
Views
14K
  • · Replies 4 ·
Replies
4
Views
3K
  • · Replies 10 ·
Replies
10
Views
3K
  • · Replies 7 ·
Replies
7
Views
2K
Replies
0
Views
2K
  • · Replies 2 ·
Replies
2
Views
3K
  • · Replies 3 ·
Replies
3
Views
3K
  • · Replies 4 ·
Replies
4
Views
2K
  • · Replies 12 ·
Replies
12
Views
3K