Solve U1=U*R2/(R1+R2): Current Circuit Theory

  • Thread starter Thread starter Lindsayyyy
  • Start date Start date
  • Tags Tags
    Circuit Current
Click For Summary

Homework Help Overview

The discussion revolves around the equation U1=U*R2/(R1+R2) within the context of circuit theory, specifically focusing on voltage and current relationships in a series circuit involving resistors.

Discussion Character

  • Conceptual clarification, Assumption checking

Approaches and Questions Raised

  • Participants explore the reasoning behind the voltage drop at U1 being expressed as R2*I, questioning the nature of current flow in the circuit and whether it splits at the measurement point.

Discussion Status

Some participants have provided insights into the concept of a voltage divider and clarified that in a series circuit, the current remains constant. There is an acknowledgment of the need for further understanding regarding the implications of attaching additional components to the circuit.

Contextual Notes

Participants are grappling with terminology and concepts related to voltage measurement and current flow in series circuits, indicating potential gaps in foundational knowledge. There is also a mention of issues with expressing equations in LaTeX, which may affect clarity.

Lindsayyyy
Messages
215
Reaction score
0

Homework Statement



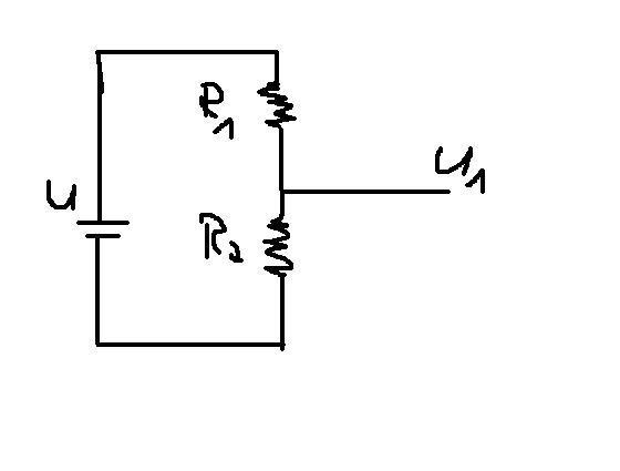
I want so show that U1=U*R2/(R1+R2) (sorry latex didn't work for me right now, don't know why)



Homework Equations





The Attempt at a Solution



I know the solution but I don't understand one step:
The solution says the following: the fall of voltage at U1 = R2*I (I is the current which comes from U). Why is that? Thats doesn't make sense to me, because I thought the current "splits" at this spot so I have: I=I1+I2.
Why does the solution say it's U=R2*I


Thanks for the help
 

Attachments

  • Unbenannt.JPG
    Unbenannt.JPG
    7.3 KB · Views: 493
Physics news on Phys.org
well u is the emf of the source right ?
but what is this ---------u1 ? wat's U1
 
I don't know how to describe it properly in english, but I think it's the voltage which drains off. I think the english term is voltage divider. But as I'am writing this I think I oversaw something.
The resistances are in series so the current is everywhere the same. Is this the right solution for the problem?
 
That's because the current does not really split.
The point where U1 is measured is not attached to anything, so no current flows.

This is indeed *only* a voltage divider.
Of course, when something (significant) is attached, the currents and voltages will change.
 
Ok, I didn't recognize that I have to handle it this way. Thanks for the help
 

Similar threads

Replies
4
Views
1K
  • · Replies 10 ·
Replies
10
Views
2K
  • · Replies 12 ·
Replies
12
Views
2K
Replies
5
Views
1K
  • · Replies 3 ·
Replies
3
Views
3K
  • · Replies 8 ·
Replies
8
Views
2K
Replies
22
Views
4K
  • · Replies 9 ·
Replies
9
Views
4K
  • · Replies 2 ·
Replies
2
Views
2K
  • · Replies 6 ·
Replies
6
Views
3K