How to determine the power of this circuit?

Click For Summary
SUMMARY

The discussion focuses on calculating the power of a circuit using nodal analysis, with the textbook solution stating P = 100 W. The user derived a power output of P = 98.4 W based on their calculations, which included determining input current I(input) = 4.92 A. The calculations involved setting up a system of equations based on the circuit's resistances and voltages, confirming that the user's answer is consistent with the textbook despite minor discrepancies due to rounding.

PREREQUISITES
  • Understanding of nodal analysis in electrical circuits
  • Familiarity with Ohm's Law and power calculations
  • Knowledge of circuit components such as resistors and their configurations
  • Ability to solve systems of linear equations
NEXT STEPS
  • Learn advanced techniques in nodal analysis for complex circuits
  • Explore circuit simulation tools like Falstad Circuit Simulator
  • Study the impact of rounding in electrical engineering calculations
  • Investigate the differences between theoretical and practical circuit outcomes
USEFUL FOR

Electrical engineering students, circuit designers, and anyone involved in analyzing and simulating electrical circuits will benefit from this discussion.

Leonid92
Messages
45
Reaction score
2
Homework Statement
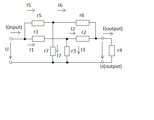
Determine power of the circuit (Fig. 1), if voltage U = 20 V, resistances of branches: r1 = r4 = 5 Ohm, r2 = r3 = 2 Ohm, r5 = r6 = r7 = 6 Ohm.
Relevant Equations
U(input) = A*U(output) + B*I(output)
I(input) = C*U(output) + D*I(output)
A*D - B*C = 1
In "Homework Equations" field, I wrote general equations for quadripole.
I have doubt about the solution. True answer given in the electrical engineering textbook is P = 100 W.
Here is my solution:
1)
In scheme, I pointed currents and U(output) (Fig. 2).

2)
U = A*U(output) + B*I2
I1 = C*U(output) + D*I2
A = 1 + r1/r3
B = r1 + r2 + (r1*r2)/r3
C = 1/r3
D = 1 + r2/r3

3)
U = A'*U(output) + B'*I6
I5 = C'*U(output) + D'*I6
A' = 1 + r5/r7
B' = r5 + r6 + (r5*r6)/r7
C' = 1/r7
D' = 1 + r6/r7

4)
U(output) = I(output)*r4

5)
U = A*I(output)*r4 + B*I2
I1 = C*I(output)*r4 + D*I2
U = A'*I(output)*r4 + B'*I6
I5 = C'*I(output)*r4 + D'*I6
I(output) = I2 + I6

6)
U = A*(I2 + I6)*r4 + B*I2
I1 = C*(I2 + I6)*r4 + D*I2,
U = A'*(I2 + I6)*r4 + B'*I6
I5 = C'*(I2 + I6)*r4 + D'*I6

7)
A = 3.5
B = 12 Ohm
C = 0.5 S
D = 2
A' = 2
B' = 18 Ohm
C' = (1/6) S
D' = 2

8) Substitute numbers into the system of equations:
20 = 29.5*I2 + 17.5*I6, (1)
I1 = 4.5*I2 + 2.5*I6, (2)
20 = 10*I2 + 28*I6, (3)
I5 = (5/6)*I2 + (17/6)*I6, (4)

(1) - (3):
19.5*I2 - 10.5*I6 = 0
I2 = (21*I6)/39

(3):
20 = 10*(21*I6)/39 + 28*I6
I6 = (130/217) A

I2 = (21*I6)/39 = (10/31) A

(2):
I1 = 4.5*(10/31) + 2.5*(130/217) = 2.95 A

(4):
I5 = (5/6)*(10/31) + (17/6)*(130/217) = 1.97 A

9)
I(input) = I1 + I5 = 4.92 A

10)
Power of the circuit:
P = I(input)*U = 98.4 W.

Is it right solution?

In the textbook, many answers are rounded, so the answer I obtained does not contradict the answer specified in the textbook.
 

Attachments

  • Problem6_10_figure1.png
    Problem6_10_figure1.png
    1.4 KB · Views: 325
  • Problem6_10_figure2.png
    Problem6_10_figure2.png
    2.9 KB · Views: 344
Physics news on Phys.org
Leonid92 said:
Homework Statement: Determine power of the circuit (Fig. 1), if voltage U = 20 V, resistances of branches: r1 = r4 = 5 Ohm, r2 = r3 = 2 Ohm, r5 = r6 = r7 = 6 Ohm.9)
I(input) = I1 + I5 = 4.92 A

10)
Power of the circuit:
P = I(input)*U = 98.4 W.

Is it right solution?

In the textbook, many answers are rounded, so the answer I obtained does not contradict the answer specified in the textbook.
I solved the problem with nodal analysis, and I got I(input)=4.91 A. Your solution looks correct.
 
  • Like
Likes   Reactions: Leonid92
  • Like
Likes   Reactions: Leonid92

Similar threads

  • · Replies 9 ·
Replies
9
Views
3K
  • · Replies 5 ·
Replies
5
Views
4K
  • · Replies 1 ·
Replies
1
Views
2K
  • · Replies 1 ·
Replies
1
Views
2K
  • · Replies 9 ·
Replies
9
Views
2K
Replies
22
Views
4K
  • · Replies 5 ·
Replies
5
Views
2K
  • · Replies 7 ·
Replies
7
Views
15K
  • · Replies 6 ·
Replies
6
Views
2K
Replies
10
Views
3K