Two batteries and two resistors circuit - wrong possible answers ?

Click For Summary

Homework Help Overview

The discussion revolves around a circuit problem involving two batteries and two resistors, where participants are analyzing the application of Kirchhoff's Voltage Law (KVL) and current relationships in the circuit. The original poster expresses doubt about the correctness of provided answer choices based on their calculations.

Discussion Character

  • Exploratory, Assumption checking, Problem interpretation

Approaches and Questions Raised

  • Participants discuss the application of KVL and current division in the circuit, questioning the use of certain terms in the equations. Some seek clarification on the total resistance and the impact of the configuration of the voltage sources and resistors.

Discussion Status

The discussion is active, with participants providing insights and questioning each other's reasoning. Some have offered guidance on interpreting the circuit configuration and the implications of current direction on the equations derived. There is recognition of potential errors in the provided answers, but no consensus has been reached on the correct interpretation.

Contextual Notes

Participants note constraints such as the inability to upload images of the circuit and solutions, which may affect the clarity of the discussion. There is also mention of a possible printing mistake in the answer choices provided.

mfratczak88
Messages
8
Reaction score
0
Homework Statement
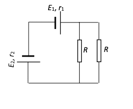
In the figure below, two batteries with emf E1 and E2 and internal resistances r1 and r2 forms a circuit together with two identical resistors each with resistance R. Find the current passing through each resistor.
Relevant Equations
KVL
It's ABCD question with answers attached.
Problem is that, I don't think that neither of those are correct. From KVL the equation seems to be i = (E2-E1)/(2r1+2r2 + R). I've attached images of the circuit, answers, and my solution.
Can someone please point me if I am wrong, and if yes, where's the error ?

Many thanks :)

Edit: It seems that for some reason Images of the solutions cannot be uploaded. None the less here's my solution:

Initial current i1 will produce two currents i2 and i3 so that from KCL we have i1 = i2+i3.
From KVL
1) -E1 + E2 - i1r1 -i1r2 - i2R = 0
2) -i3R+i2R = 0 => i2 = i3

using the fact that i2=i3 and i1 = i2+i3 we have
-E1+E2 - 2*(i2r1) - 2*(i2r2) - i2R = 0 => i2 = (E2-E1)/(2r1+2r2+R).
 

Attachments

  • homework_circuit.png
    homework_circuit.png
    947 bytes · Views: 237
  • homework_answers.png
    homework_answers.png
    2.3 KB · Views: 217
Last edited:
Physics news on Phys.org
mfratczak88 said:
2r1+2r2 + R
I don't get their answers either, but I don't necessarily agree with your use of the "2" terms above. Can you say in more detail how you got your solution?
 
berkeman said:
I don't get their answers either, but I don't necessarily agree with your use of the "2" terms above. Can you say in more detail how you got your solution?

I've edited my post, because I couldn't post the image. There you will find my solution.
 
Sorry, I'm not able to follow your logic. The two voltage sources are in series, so their voltages subtract and their internal resistances add. What is the total resistance of the external R//R?
 
berkeman said:
Sorry, I'm not able to follow your logic. The two voltage sources are in series, so their voltages subtract and their internal resistances add. What is the total resistance of the external R//R?
From KVL, if I go with the direction of the current in the inner loop on the left, with E2 there's a voltage drop as I am going from + to minus, with E1 there's a voltage increase as I am going from - to +. So it should be E1 - E2 not E2 - E1, the rest should be fine.
 
mfratczak88 said:
From KVL, if I go with the direction of the current in the inner loop on the left, with E2 there's a voltage drop as I am going from + to minus, with E1 there's a voltage increase as I am going from - to +. So it should be E1 - E2 not E2 - E1, the rest should be fine.
Is the given answer c)?

I agree none of the answers is correct. I suspect they made a printing mistake with parantheses in option c).
 
  • Like
Likes   Reactions: berkeman
cnh1995 said:
Is the given answer c)?

I agree none of the answers is correct. I suspect they made a printing mistake with parantheses in option c).
Can you write down KVL ? Whatever I can think of, the my KVL equations seems to be the same.
 
You didn't answer what R//R is...
 
berkeman said:
You didn't answer what R//R is...
(1/2)(R)
 
  • #10
Right! And that R/2 is in series with the other two resistors, and in series with the difference in the two supply voltages. Can you see how a missing "/2" in one of the answers might make it correct?
 
  • Like
Likes   Reactions: cnh1995
  • #11
berkeman said:
Right! And that R/2 is in series with the other two resistors, and in series with the difference in the two supply voltages. Can you see how a missing "/2" in one of the answers might make it correct?
So what should be the answer then ? I still don't get it why my KVLs is wrong ?
 
  • #12
mfratczak88 said:
So what should be the answer then ? I still don't get it why my KVLs is wrong ?
Only one KVL is needed if you combine the R//R into on R/2. Can you write that KVL and use it to solve for the current? Don't worry about the +/- sign for the current I, that just depends on the choice of current direction in your KVL loop. :smile:
 
  • #13
berkeman said:
Only one KVL is needed if you combine the R//R into on R/2. Can you write that KVL and use it to solve for the current? Don't worry about the +/- sign for the current I, that just depends on the choice of current direction in your KVL loop. :smile:
It will be I = E1-E2/(r1+r2+(1/2)R). But this is the current for equivalent resistor. The question was what was the current flowing through each of the resistors. So in this case, if they have the same resistance the current will be half of the value above, which is E1-E2/(2r1+2r2+R)
 
  • #14
@mfratczak88 , after going through your solution, it appears to me that you have assumed i1, i2 and i3 to be flowing anticlockwise. I believe your answer is correct as per your choice of current direction.

I chose i1, i2 and i3 to be clockwise and got E1-E2 in the numerator.
 
  • Like
Likes   Reactions: berkeman
  • #15
cnh1995 said:
@mfratczak88 , after going through your solution, it appears to me that you have assumed i1, i2 and i3 to be flowing anticlockwise. I believe your answer is correct as per your choice of current direction.

I chose i1, i2 and i3 to be clockwise and got E1-E2 in the numerator.
did you get (2r1+2r2+R) in the denominator ?
 
  • #16
mfratczak88 said:
did you get (2r1+2r2+R) in the denominator ?
Yes.
The difference in our numerators is simply because of the choice of current direction.
 
  • Like
Likes   Reactions: mfratczak88
  • #17
mfratczak88 said:
The question was what was the current flowing through each of the resistors.
Ah, apologies, I thought they wanted the overall loop current. So you are right, cut it in half to get the current in each of the R resistors. :smile:
 
  • Like
Likes   Reactions: mfratczak88

Similar threads

  • · Replies 18 ·
Replies
18
Views
3K
  • · Replies 1 ·
Replies
1
Views
2K
  • · Replies 4 ·
Replies
4
Views
2K
Replies
22
Views
4K
  • · Replies 12 ·
Replies
12
Views
2K
Replies
10
Views
2K
  • · Replies 2 ·
Replies
2
Views
2K
  • · Replies 4 ·
Replies
4
Views
4K
Replies
1
Views
2K
  • · Replies 31 ·
2
Replies
31
Views
3K