Why Does io'' Equal Zero in Parallel Resistor Circuits?

  • Thread starter Thread starter kougou
  • Start date Start date
  • Tags Tags
    Circuit
Click For Summary

Homework Help Overview

The discussion revolves around the behavior of current in parallel resistor circuits, specifically addressing why the current io'' is considered to be zero. Participants are examining the implications of short circuits and the application of Ohm's law in this context.

Discussion Character

  • Exploratory, Conceptual clarification, Assumption checking

Approaches and Questions Raised

  • Participants explore the concept of short circuits and the relationship between resistance and current flow. Questions arise regarding the validity of assuming zero resistance and how current is distributed in parallel paths.

Discussion Status

There is an ongoing examination of the principles involved, with some participants providing clarifications on misconceptions about current flow and resistance. Multiple interpretations of the circuit behavior are being explored, particularly regarding the role of resistance in current distribution.

Contextual Notes

Some participants note that real-world wires do not have zero resistance, challenging the assumption that current will only flow through the path of least resistance. The discussion also touches on the importance of circuit diagrams for clarity.

kougou
Messages
80
Reaction score
0
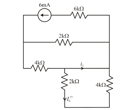
hi, please have a look of the following picture.http://www.cramster.com/solution/solution/1175199




Do you guys get 0 for io'', why is it 0?
 

Attachments

  • thisk.PNG
    thisk.PNG
    4.9 KB · Views: 550
Physics news on Phys.org
Because the potential difference between the points to the left and the right of the i_3 arrow is 0, because there's a wire between them with 0 resistance.

I = V * R and R is 0, so V = 0.
 
Yes, I0=0, because the path of i3 is a short circuit. But Ohm's law is V=I*R (not I = V * R). This yields V=i3*R, and since R=0, then V=0, regardless of i3.

(V = potential difference between the points to the left and the right of i3,
R = resistance between the points to the left and the right of i3)
 
Last edited:
A more formal explanation: Kirchhoff's voltage law (KVL) says "The directed sum of the electrical potential differences (voltage) around any closed circuit is zero." In the picture the path of i3 and I0 is a closed circuit. Since V=0, this means the voltage Vlower across the two lower resistors must be 0, which yields I0 = Vlower/(R1+R2) = 0 V/6 kΩ = 0.
 
because there is a short circuit over there :D
 
Current always takes the shortest route, so therefore no current exists at R3, because resistance is proportional to the wire's length's .
electricity moves from a higher potential to a lower one.
Potential = current intensity x resistance, thus potential increases when resistance does.
eventually electricity will not choose the longer path because it has a higher potential.

Rab
 
privateman said:
Current always takes the shortest route, so therefore no current exists at R3, because resistance is proportional to the wire's length's .
electricity moves from a higher potential to a lower one.
Potential = current intensity x resistance, thus potential increases when resistance does.
eventually electricity will not choose the longer path because it has a higher potential.

Rab

OWCH that's Schoolboy Howler number one!
Current is SHARED between the possible paths it can take. If one path happens to be very low Resistance (IRRESPECTIVE OF LENGTH) then proportionally more current will take that path but SOME current will go through other paths.

The only time (in theoretical problems only) when 'all the current' flows along a particular path is when it has Zero Resistance (drawn as a line between two points on the schematic diagram) which is a Short Circuit. Real wires are never total short circuits.
 
Sophiecentaur has nearly 5.5k posts here and is recognised as a science advisor, is it merited at all to have a go at someone here who's been helping people for a long time and has done a good job of it?

I don't know which resistor you're referring to as R3 here, but I'm inclined to agree with Sophiecentaur, if there's resistance, current is going to be shared between them no matter how low the resistance. In these kinds of problems, you're not meant to be worrying about wire lengths, that's not even stated in the problem, unless you want to unrealistically start assuming lengths.

Also:
so there's NO such thing as zero resistance as you say,
OWCH another howler back at ya

I believe this was already mentioned, read the post by SC again?

The only time the current is going down the "path of least resistance" is if there's a short somewhere, and even then that's only in theory as in the real-world there is resistance in a wire. That's my 2 cents.
 
To the O.P.

Consider doing a quick re-draw of a circuit if it's not clear what's happening at first, this way you can see what's happening with the currents:

http://img560.imageshack.us/img560/1792/dsc0005ew.jpg
 
Last edited by a moderator:
  • #10
I'm with Sophiecentaur and NewtonianAlch here. Sophie did a good thing by correcting a common misconception (that current always takes the shortest route is wrong), and also provided a short, excellent and correct description of how currents are divided between paths. No, in reality there are no connections with zero resistance (the closest thing would be superconductors, but today they're still a little difficult to implement for common use :smile:).

I wish you all a good weekend!
 
  • #11
(Current paths update)
Image description: R1 is a large resistance, R2 is a small resistance (e.g. from a wire or inductor). We can see that a smaller resistance R2 will result in a larger current I2. I1=V/R1, so I1 can in reality only get truly zero if the voltage V across R1 is truly zero.
Note: Rtotal=R1//R2 means R1 parallel with R2; a smaller R2 will result in a smaller Rtotal. (if anyone spots a typo, please say so, I'm a little tired at the moment :smile:)

And here's a link for Resistors in Parallel (see Example No3 in particular):
http://www.electronics-tutorials.ws/resistor/res_4.html
 

Attachments

  • CurrentPaths-Export.jpg
    CurrentPaths-Export.jpg
    12.8 KB · Views: 481
Last edited:

Similar threads

  • · Replies 9 ·
Replies
9
Views
3K
  • · Replies 5 ·
Replies
5
Views
8K
  • · Replies 6 ·
Replies
6
Views
1K
Replies
20
Views
2K
Replies
22
Views
4K
Replies
3
Views
2K
  • · Replies 1 ·
Replies
1
Views
2K
Replies
5
Views
2K
  • · Replies 3 ·
Replies
3
Views
1K
  • · Replies 6 ·
Replies
6
Views
2K