Why is T2 removed in low signal circuit analysis?

Click For Summary

Homework Help Overview

The discussion revolves around the removal of T2 in low signal circuit analysis within a circuit involving transistors, specifically in the context of AC and DC analysis. Participants are exploring the implications of this removal and the overall circuit configuration.

Discussion Character

  • Conceptual clarification, Assumption checking, Problem interpretation

Approaches and Questions Raised

  • Participants are questioning the validity of the circuit's biasing and the components that can be removed when transitioning from DC to AC analysis. There are inquiries about specific components and their roles, as well as requests for additional resources to understand the analysis process better.

Discussion Status

The discussion is ongoing, with participants providing insights into the roles of various components and their implications for circuit analysis. Some have offered clarifications regarding the function of T1, T2, and T3, while others are still seeking foundational understanding and resources.

Contextual Notes

There are mentions of a missing DC source in the circuit diagram and the challenge of understanding which components to retain or remove during analysis. Additionally, the original poster notes that their standard textbook does not adequately cover the topic, which may affect their understanding.

Drao92
Messages
70
Reaction score
0

Attachments

  • Circuit.png
    Circuit.png
    7.4 KB · Views: 689
Last edited by a moderator:
Physics news on Phys.org

Attachments

  • Circuit2.png
    Circuit2.png
    9.9 KB · Views: 726
Last edited:
Drao92 said:
Sure
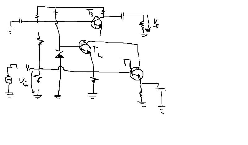
The DC source is above the T3 transistor and resistor, i forgot to draw it.
The problem i have is that i can't understand what parts of the circuit i have to remove when i move from DC analysis to AC analysis. Can you recommend me a book or some documentation which explains this because i couldn't find any.
https://www.physicsforums.com/attachment.php?attachmentid=57846&stc=1&d=1365923347

What is the component connected below the base of T2? Maybe a Zener diode?

What class is this for, and what is the standard textbook? Most textbooks on standard transistor analysis should cover how to analyze this circuit...
 
I study amplifiers. Yes, its a zener diode.
The standard textbook is not in english and it doesn't cover these things.I made these on seminars
Ill post another example.
So, the T2 and T3 transistors make a DC source and its a ground in AC, but i don't understand why the T1 transistor is a ground too. This is the problem i have.
After i make the AC circuit i have to calculate Vo/Vi, Rin, Rout, very easy but if i don't know how to make the AC circuit is useless .
https://www.physicsforums.com/attachment.php?attachmentid=57856&stc=1&d=1365959633
 

Attachments

  • Circuit3.png
    Circuit3.png
    22 KB · Views: 719
Last edited:
T3 is not a ground for AC. In fact, it's infinite impedance (theoretically) for AC. It's a source of dc current. A current source has infinite impedance. In fact, the collector of T3 is your input voltage point.

T1 is also a current source. The function of T2 is to mirror the current through its collector to the collector of T3. T1 defines the collector current for T2 and trerefore for T3 also. T3 defines the operating point of the grounded-gate JFET amplifier.
 

Similar threads

Replies
10
Views
2K
  • · Replies 4 ·
Replies
4
Views
2K
  • · Replies 3 ·
Replies
3
Views
1K
  • · Replies 3 ·
Replies
3
Views
2K
  • · Replies 2 ·
Replies
2
Views
3K
Replies
6
Views
1K
  • · Replies 4 ·
Replies
4
Views
2K
  • · Replies 17 ·
Replies
17
Views
4K
  • · Replies 7 ·
Replies
7
Views
2K
Replies
5
Views
6K