A circuit with non-linear devices

Click For Summary

Discussion Overview

The discussion revolves around analyzing a circuit that includes non-linear devices and determining the behavior of currents and voltages across various components. Participants explore different approaches to solve the problem, including the implications of infinite resistance and the use of I-V curves.

Discussion Character

  • Exploratory
  • Technical explanation
  • Mathematical reasoning
  • Debate/contested

Main Points Raised

  • One participant expresses uncertainty about how to start the problem and questions the conditions for the currents and voltages in the circuit.
  • Another participant challenges the notion of infinite resistance, suggesting that the term R is misleading and that V/I is not constant.
  • A participant reflects on the implications of assuming certain values for currents, noting that setting i_B to 0 leads to an invalid V/I ratio.
  • One participant describes a method to find the operating point of the non-linear devices and suggests creating a collective I-V curve for the devices in parallel.
  • Another participant proposes a mathematical approach to express the relationships between currents and voltages using piecewise functions for i_A and i_B.

Areas of Agreement / Disagreement

Participants do not reach a consensus, as there are competing views on how to approach the problem, particularly regarding the interpretation of resistance and the validity of certain assumptions about current values.

Contextual Notes

Limitations include the unclear definitions of the non-linear devices and the assumptions made about the relationships between currents and voltages. The discussion also reflects uncertainty about the correct methodology for analyzing the circuit.

JessicaHelena
Messages
188
Reaction score
3
Homework Statement
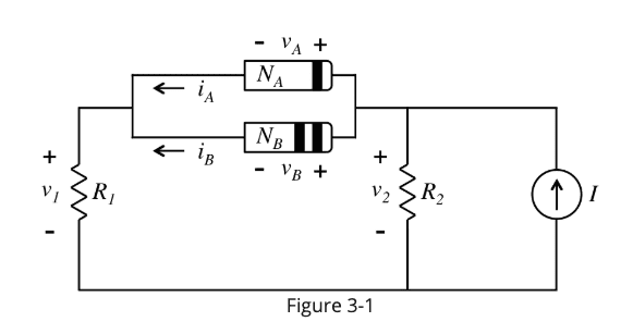
Two non-linear devices are placed in parallel in the circuit show in Figure 3-1. The resistors in the circuit have the following values: ##R_1 = 2## Ohms and ##R_2 = 1## Ohms.

The non-linear devices have different current-voltage (I-V) characteristics shown in Figure 3-2, where ##I_S = 1A## and ##V_S = 1V##.

1. Given that the current source, I = 3A, calculate the numerical value for v1 and v2.

2. Now assume that the current source, I = 1A, and calculate the numerical value for v1 and v2.
Relevant Equations
KVL, KCL
I honestly don't know how to quite even begin this problem.

Looking at Fig 3-2, the slopes of the graphs are 1/R, and hence where the slopes are 0, we have infinite resistance, in which case current wouldn't flow through that resistor and hence simplify the circuit. So I was trying to find ways to use that, only I don't really know what the conditions are for ##i_A, i_B, v_A, v_B##, and I don't think I could just randomly choose values I want to work with, could I?
 

Attachments

  • Fig 3-1.png
    Fig 3-1.png
    4.5 KB · Views: 353
  • Fig 3-2.png
    Fig 3-2.png
    4.9 KB · Views: 370
Physics news on Phys.org
JessicaHelena said:
we have infinite resistance

No we don't. It's just that V/I has a value that is not a constant.
Again, the use of the term R is misleading here.
 
@BvU

Okay—I take it then that maybe I shouldn't concern myself with R's, such as R_A and R_B?

From the graphs N_A and N_B, at I_S = 1 and V_S = 1, i_A = 1 and i_B = 0... That is however wrong since if I have i_B = 0, I would not have a valid V/I.

How else might I approach this?
 
going with the previous idea that i_A = 1 and i_B = 0, I get v_1 = iA*R_1 = 2V and i_2 = 3-1 = 2A and hence v_2 = i_2*R_2 = 2V. And they turn out to be right.

But using the same method, my answers to Q2—2V and 0V for v_1 and v_2—turn out to be wrong... so it does seem like my method itself is wrong.
 
So the trick is to find the operating point of the two mystery devices, then knowing the total current they are passing use that to work out the potential drops across the two resistors.

I would try to form a "collective" I-V curve for the pair. Since they are in parallel they must both share the same potential across them, and the currents that they pass will sum (##I = I_A + I_B##).

Now treat this new I-V curve as a single device. Draw load lines on this plot to find the operation point (I'd turn the current source and resistors into their Thevenin equivalent to simplify this step).
 
vA=vB [Take different values up to I will be as required]

I=iA+iB+I2

I2=[(iA+iB)*R1+vA]/R2

iA=function(vA)

iB=function(vB)

function(vA)=

if vA<-1 iA=-1

if 0>vA>-1 iA=vA

if 0<vA<1 iA=vA

if vA>1 iA=1

function(vB)=

if vB<0 iA=1

if 0<vB<1 iB=1-vB

if vB>1 iB=vB-1
 

Similar threads

  • · Replies 23 ·
Replies
23
Views
3K
Replies
15
Views
3K
  • · Replies 8 ·
Replies
8
Views
2K
  • · Replies 3 ·
Replies
3
Views
2K
  • · Replies 7 ·
Replies
7
Views
2K
  • · Replies 7 ·
Replies
7
Views
3K
  • · Replies 8 ·
Replies
8
Views
2K
  • · Replies 5 ·
Replies
5
Views
3K
Replies
5
Views
4K
  • · Replies 1 ·
Replies
1
Views
2K