Absolute Value of Magnetization

Click For Summary

Discussion Overview

The discussion revolves around a homework problem related to calculating the absolute value of magnetization in a ferromagnetic core with an air gap. Participants explore the application of magnetic field equations and the assumptions regarding permeability in the context of electrical engineering.

Discussion Character

  • Homework-related
  • Technical explanation
  • Debate/contested

Main Points Raised

  • The original poster (OP) presents their calculations for magnetization using specific equations and parameters, but finds discrepancies with provided solutions.
  • One participant corrects the OP's equation, suggesting it should be ## \oint H \cdot dl=NI ## and discusses the continuity of the magnetic field across the air gap.
  • Another participant challenges the approximation made regarding the permeability, asserting that it should not be assumed to be very large and provides an alternative equation for magnetization.
  • Several participants express differing views on the necessity of introducing magnetization in the calculations, with some arguing it complicates the analysis unnecessarily.
  • There is a discussion about the implications of assuming different values for permeability, particularly in relation to the faculty's provided answer of ## \mu=500 ##.
  • One participant emphasizes the importance of precise calculations for magnetization and critiques the suggestion of working through the problem without the air gap, stating that it leads to incorrect conclusions.
  • Another participant agrees with a previous post's calculations and discusses the relationship between magnetic field strength and magnetization, noting that the assumptions made about permeability affect the results significantly.

Areas of Agreement / Disagreement

Participants express multiple competing views regarding the assumptions about permeability and the approach to calculating magnetization. There is no consensus on the correct method or assumptions to use in this problem.

Contextual Notes

Participants note that the problem as stated lacks specific information about the permeability, which complicates the analysis. There are also unresolved mathematical steps and differing interpretations of the equations involved.

Who May Find This Useful

This discussion may be useful for students and professionals interested in electrical engineering, particularly those dealing with magnetic materials and calculations involving magnetization in ferromagnetic cores.

peroAlex
Messages
35
Reaction score
4
Hello, I'm a student of electrical engineering. This task appeared in one of the past exams. I've been using the procedure I believe should yield the correct result, however, it turns out I was wrong. Could somebody please check out where the mistake lays in my calculations?

Homework Statement


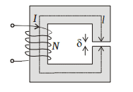
Ferromagnetic core (task assumes it is linear) has middle length of ##l = 0.2 m## and an air gap of width ##\delta = 0.001 m##. It carries a ##N = 200## winding coil conducting current ##I = 8 A##. Compute absolute value of magnetization.

Homework Equations


I believe that ##\int H \cdot dl = 0## and ##H = \frac{B}{\mu_0} - M## should be adequate.

The Attempt at a Solution


Fakulteta za elektrotehniko.png

So, according to above mentioned equations, ##(1) H_{core}l + H_{gap}\delta = 0##. For ##H_{core}## I used ##(2) H_{core} = \frac{B}{\mu_0} - M##. Plug this into ##(1)## and so expressed magnetization ##M## should be (according to my calculations): $$ (3) M = \frac{\frac{B (l + \delta)}{\mu_0}}{l} $$

I computed B-field as with ##NI = Hl = \frac{B l}{\mu_0}## which yields ##B = 0.0032 \pi T##. Then I plugged this result into ##(3)## and obtained ##M = 8040 \frac{A}{m}## which is incorrect according to faculty provided solutions. Correct result should be ##M = 1.14 MA/m##.

Any help would be appreciated!
 
Physics news on Phys.org
Your equation should read ## \oint H \cdot dl=NI ##. Meanwhile ## H_{gap}=B/\mu_o ## since ## B ## is continuous across the gap. ## H_{core}=B/(\mu \mu_o) ## and ## \mu ## can be assumed to be very large, so that the ## H_{core} ## term is negligible. ## \\ ##( Editing... Upon looking at their answer of ## M=1.14 E+6 ##, I think they are using ## \mu=500 ##, instead of assuming very large ## \mu ## .) ## \\ ## This should allow you to solve for ## B ##, and then since ## B=\mu_o ( H +M ) ##, ## M=B/\mu_o ## (approximately). (Note: Some books use ## B=\mu_oH+M ##. I see you are using ## B=\mu_o(H+M)) ##. ## \\ ## Here is a "link" that I got from @TSny that should be helpful. http://www.feynmanlectures.caltech.edu/II_36.html (see equation (36.26), etc.) (The "link" uses different units=it uses ## B=H+\mu_o M ##). ## \\ ## For an interesting calculation, you can work through the same problem without the air gap, and ## M ## then becomes about 3.5x higher.
 
Last edited:
I would like to humbly and respectfully defer from Charles' approximation. By the circuituidal law we get,$$NI=\frac{Bl_i}{\mu_0\mu_i}+\frac{B\delta}{\mu_0}$$
 
Fred Wright said:
I would like to humbly and respectfully defer from Charles' approximation. By the circuituidal law we get,$$NI=\frac{Bl_i}{\mu_0\mu_i}+\frac{B\delta}{\mu_0}$$
I agree. I had already corrected the use of the approximation, because the ## \mu ## here is finite. In the problem as given by the OP, ## \mu ## is unspecified, but by the answer that their faculty supplied, they are apparently using ## \mu=500 ##. ## \\ ## Editing... It would probably be good to be precise also with the computation for ## M ##. Since ## B=\mu_o (H+M) ##, ## B=\mu_o (B/(\mu \mu_o))+\mu_o M ##, so that ## M=\frac{B}{\mu_o} (1-\frac{1}{\mu}) ##. ## \\ ## And one more minor correction to the above: I see in the literature they customarily write ## B=\mu H ## with ## \mu=\mu_o \mu_r ##. In this case ## \mu_r=500 ## and the ## \mu ## that I used is usually written as ## \mu_r ##..
 
Last edited:
Unlike an OP's similar problem this one is not pathological (no shorted secondary which cannot occur without introducing leakage fluxes and winding resistances) in that it can be reasonably analyzed, and post 2 does this essentially fine although introducing M is unnecessary: just go Hl = Ni. But stop before the "EDIT".

In fact, the last sentence, "For an interesting calculation, you can work through the same problem without the air gap, and M" style="font-size: 114%; position: relative;" tabindex="0" class="mjx-chtml MathJax_CHTML" id="MathJax-Element-37-Frame">M then becomes about 3.5x higher." is way off base. In fact, since B = μNi/l, and assuming μ >> μ0, M → μ/μ0, typically 500 or more for a ferromagnetic core at low frequencies (μ deteriorates with increasing frequency).
 
rude man said:
Unlike an OP's similar problem this one is not pathological (no shorted secondary which cannot occur without introducing leakage fluxes and winding resistances) in that it can be reasonably analyzed, and post 2 does this essentially fine although introducing M is unnecessary: just go Hl = Ni. But stop before the "EDIT".

In fact, the last sentence, "For an interesting calculation, you can work through the same problem without the air gap, and M" style="font-size: 114%; position: relative;" tabindex="0" class="mjx-chtml MathJax_CHTML" id="MathJax-Element-37-Frame">M then becomes about 3.5x higher." is way off base. In fact, since B = μNi/l, and assuming μ >> μ0, M → μ/μ0, typically 500 or more for a ferromagnetic core at low frequencies (μ deteriorates with increasing frequency).
In the factor of 3.5 x, I think I got the arithmetic correct, and I am completely in agreement with the input of @Fred Wright (post #3) who also appears to have complete command of the concepts which are also given in the "link" of the Feynman lectures in post #2. ## \\ ## Editing: If you assume very large ## \mu ## then you get ## H_{gap} \delta =NI ## and ## B=\mu_o H_{gap} ## everywhere. Since ## B=\mu_o H_m+\mu_o M ##, and ## H_m ## can be assumed small, this result gives ## M=B/\mu_o ##. Upon comparing this result with the answer that the OP's faculty furnished for the magnetization ## M ##, it was observed the term ## B l/(\mu_r \mu_o) ## must also make a contribution and that ## \mu_r =500 ## gives the answer that was furnished, instead of an assumption that ## \mu_r \geq 10,000 ## or thereabouts. Meanwhile, without the gap, this ## B l/(\mu_r \mu_o) ## term is the only contribution to ## \oint H \cdot ds ##.
 
Last edited:
Charles Link said:
In the factor of 3.5 x, I think I got the arithmetic correct, and I am completely in agreement with the input of @Fred Wright (post #3) who also appears to have complete command of the concepts which are also given in the "link" of the Feynman lectures in post #2. ## \\ ## Editing: If you assume very large ## \mu ## then you get ## H_{gap} \delta =NI ## and ## B=\mu_o H_{gap} ## everywhere. Since ## B=\mu_o H_m+\mu_o M ##, and ## H_m ## can be assumed small, this result gives ## M=B/\mu_o ##. Upon comparing this result with the answer that the OP's faculty furnished for the magnetization ## M ##, it was observed the term ## B l/(\mu_r \mu_o) ## must also make a contribution and that ## \mu_r =500 ## gives the answer that was furnished, instead of an assumption that ## \mu_r \geq 10,000 ## or thereabouts. Meanwhile, without the gap, this ## B l/(\mu_r \mu_o) ## term is the only contribution to ## \oint H \cdot ds ##.
My math agrees with yours if μ = 500μr. (But this number was reverse-engineered from an incorrect answer to the OP's stated problem. The OP's problem as stated must assume μr → ∞ if it is to be solved at all. I didn't realize you carried your assumption of μ = 500μr thru to the end of your first post.
 
  • Like
Likes   Reactions: Charles Link
@peroAlex You should recognize from the integral ## \oint H \cdot ds=NI ## how the concept of mmf (magnetomotive force) and magnetic reluctance comes about. Upon having worked this calculation, the other transformer problem you posted with the branch down the middle (which includes an air gap) is more readily understood=it's like circuit theory with resistors in parallel. The other problem needs to specify the load resistance in the secondary coil and they should also tell you what value to use for the relative permeability ## \mu_r ##.
 
  • Like
Likes   Reactions: peroAlex

Similar threads

  • · Replies 8 ·
Replies
8
Views
2K
  • · Replies 1 ·
Replies
1
Views
3K
  • · Replies 6 ·
Replies
6
Views
4K
  • · Replies 1 ·
Replies
1
Views
2K
  • · Replies 4 ·
Replies
4
Views
2K
Replies
2
Views
2K
Replies
22
Views
3K
Replies
7
Views
2K
Replies
3
Views
1K
  • · Replies 20 ·
Replies
20
Views
8K