Battery charging circuit problem

Click For Summary

Homework Help Overview

The discussion revolves around a battery charging circuit problem, focusing on determining the voltage at which the battery begins to charge, the power delivered to a resistor when the charging current is zero, and the current through the battery at a specified voltage.

Discussion Character

  • Exploratory, Conceptual clarification, Mathematical reasoning, Problem interpretation

Approaches and Questions Raised

  • Participants explore the setup of the circuit and the implications of resistor values on voltage and current. Questions arise about writing node equations and the expected behavior of the circuit at the threshold of charging. Some participants express uncertainty about the concepts involved, particularly regarding the current in the battery branch.

Discussion Status

The discussion is active, with participants providing guidance on formulating equations and checking assumptions. Multiple interpretations of the circuit behavior are being explored, particularly concerning the relationships between voltage, current, and resistance.

Contextual Notes

Participants note the complexity of the problem as it extends beyond class material, leading to questions about assumptions and the need for clarity in the equations used. There is an acknowledgment of potential errors in calculations and the importance of verifying the relationships between circuit components.

trollcast
Gold Member
Messages
282
Reaction score
13

Homework Statement


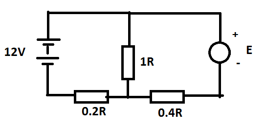
Circuit as shown below.

attachment.php?attachmentid=53181&stc=1&d=1353447574.png


At what voltage of E does the battery begin to charge?

What percentage of the power is delivered to the 1R resistor by the voltage supply E when the charging current is zero?

What is the current through the battery when E = 20V?

Homework Equations



The Attempt at a Solution



I'm really not sure how to start with this one as there's nothing like this in the class notes as its an extension exercise the teacher set.

I assume for the first part E obviously must be greater than 12V so I need to work out the effect of the resistors in the circuit?
 

Attachments

  • Charging circuit.png
    Charging circuit.png
    1.5 KB · Views: 582
Physics news on Phys.org
If you place the reference (ground) node at the confluence of the resistors at the bottom, can you write the node equation for the top node?

What would you expect the current to be in the battery branch when it's just on the threshold of charging?
 
gneill said:
If you place the reference (ground) node at the confluence of the resistors at the bottom, can you write the node equation for the top node?

If the voltage at the top node is V then would it be:

$$ \frac{V-12}{0.2} + \frac{V}{1} + \frac {V - E}{0.4} = 0 $$

What would you expect the current to be in the battery branch when it's just on the threshold of charging?

I'm not sure about this as its not something I've learned before but I'd assume it would be very small just above 0?
 
trollcast said:
If the voltage at the top node is V then would it be:

$$ \frac{V-12}{0.2} + \frac{V}{1} + \frac {V - E}{0.4} = 0 $$
Yes, good. Solve for V in terms of E (or E in terms of V).

A tip: Sometimes it's esthetically pleasing to work towards a solution comprised of whole numbers or fractions and without decimals. In this case you might replace 0.2 with 1/5 and 0.4 with 2/5 for a neat derivation.
I'm not sure about this as its not something I've learned before but I'd assume it would be very small just above 0?
Yup. A charging battery has current flowing INTO its positive terminal. The threshold, then, occurs when the current is zero and any increase in applied potential would cause current to start to flow.

What value must V have in order for the battery branch current to be zero?
 
gneill said:
Yes, good. Solve for V in terms of E (or E in terms of V).

A tip: Sometimes it's esthetically pleasing to work towards a solution comprised of whole numbers or fractions and without decimals. In this case you might replace 0.2 with 1/5 and 0.4 with 2/5 for a neat derivation.

Yup. A charging battery has current flowing INTO its positive terminal. The threshold, then, occurs when the current is zero and any increase in applied potential would cause current to start to flow.

What value must V have in order for the battery branch current to be zero?

So rearranging to make E the subject I get:

$$E = \frac{17V}{5} - 24 $$

So does V have to equal 12 to cancel out the +12V from the battery to make that branch have no p.d. along it?

Then that would mean E has to be 16.8V
 
Last edited:
trollcast said:
So rearranging to make E the subject I get:

$$E = \frac{17}{2} - 24 $$
Something fishy with your equation; there's no "V" there, and the denominator of the first term is suspect.

However...
So does V have to equal 12 to cancel out the +12V from the battery to make that branch have no p.d. along it?

Then that would mean E has to be 16.8V

That's right.
 
gneill said:
Something fishy with your equation; there's no "V" there, and the denominator of the first term is suspect.

However...

That's right.

I missed the V when I was typing the Latex bit. (fixed it now)

For the second part about the power in the 1R resistor do I need to work out the total resistance of the circuit, calculate the current draw from the voltage source and then use P = VI assuming all the current is delivered down the central branch?
 
trollcast said:
I missed the V when I was typing the Latex bit. (fixed it now)
The denominator value "2" is not correct.
For the second part about the power in the 1R resistor do I need to work out the total resistance of the circuit, calculate the current draw from the voltage source and then use P = VI assuming all the current is delivered down the central branch?

When the charging current is zero the only current flowing will be in the right hand loop; the left hand loop will effectively not be there. So determine what that current will be given your calculated value for E and the resistances in the right hand loop. You can then work out the various powers.
 
gneill said:
The denominator value "2" is not correct.


When the charging current is zero the only current flowing will be in the right hand loop; the left hand loop will effectively not be there. So determine what that current will be given your calculated value for E and the resistances in the right hand loop. You can then work out the various powers.

So its just a series circuit with a Voltage supply of E volts, a 1R and a 0.4R resistor?

So the total resistance is 1.4 R

So by Ohms Law the current is 12A.

So the total power delivered is 201.6W.

and the power dissipated in the 1R resistor is 144W

so the percentage is 71.4%?

For the last part do I need to rearrange my equation for the voltage from the top node to where the resistors join up so that V is the subject then input E = 20V?

Or is the voltage through the battery branch 8 as 20 - 12 = 8?
 
  • #10
trollcast said:
So its just a series circuit with a Voltage supply of E volts, a 1R and a 0.4R resistor?
Correct.
So the total resistance is 1.4 R

So by Ohms Law the current is 12A.

So the total power delivered is 201.6W.

and the power dissipated in the 1R resistor is 144W

so the percentage is 71.4%?
Looks okay.
For the last part do I need to rearrange my equation for the voltage from the top node to where the resistors join up so that V is the subject then input E = 20V?

Or is the voltage through the battery branch 8 as 20 - 12 = 8?

You'll need to determine the current in the battery branch with the new value of E in place.

One method is to do as you say and find the value of the node voltage V to begin with, then pull the battery branch's current term out of the node equation and find the current.

Note that when E = 20 Volts, the node voltage V won't be 20 V.
 
  • #11
gneill said:
Correct.Looks okay.

You'll need to determine the current in the battery branch with the new value of E in place.

One method is to do as you say and find the value of the node voltage V to begin with, then pull the battery branch's current term out of the node equation and find the current.

Note that when E = 20 Volts, the node voltage V won't be 20 V.

So rearrange the node equation to get

$$ V = \frac{5E + 120}{17} $$

so V = 12.9412...

so the battery branches current term is,

$$ I_{batt} = 5V - 60 $$

so

$$ I_{batt} = 4.706... $$
 
  • #12
That looks fine.
 
  • #13
gneill said:
That looks fine.

Thanks
 

Similar threads

Replies
4
Views
2K
  • · Replies 10 ·
Replies
10
Views
2K
  • · Replies 3 ·
Replies
3
Views
2K
  • · Replies 30 ·
2
Replies
30
Views
3K
  • · Replies 1 ·
Replies
1
Views
2K
  • · Replies 1 ·
Replies
1
Views
4K
  • · Replies 6 ·
Replies
6
Views
2K
  • · Replies 5 ·
Replies
5
Views
2K
  • · Replies 62 ·
3
Replies
62
Views
6K
  • · Replies 4 ·
Replies
4
Views
4K