Bode plot for first order high pass (RL) - reality vs theory

Click For Summary
SUMMARY

The discussion focuses on the discrepancies between theoretical and measured values in a first-order high-pass RL circuit with a resistor of 1kOhm and an inductor of 10mH. Participants highlight that the differences in amplitude and phase at lower frequencies may be attributed to factors such as the internal resistance of the inductor, internal capacitance of the inductor, output impedance (Zout) of the generator, equivalent series resistance (ESR) of the inductor, and equivalent series inductance (ESL) of the resistor. Incorporating these parameters into simulations can yield results that align more closely with actual measurements.

PREREQUISITES
  • Understanding of RL circuit theory
  • Familiarity with Bode plots and transfer functions
  • Knowledge of inductor parameters such as ESR and ESL
  • Experience with circuit simulation tools
NEXT STEPS
  • Research how to incorporate ESR and ESL into circuit simulations
  • Learn about the impact of inductor internal resistance on circuit performance
  • Explore the significance of output impedance (Zout) in circuit analysis
  • Study Bode plot interpretation for high-pass filters
USEFUL FOR

Electrical engineers, circuit designers, and students studying filter design and performance analysis in RL circuits.

Rectifier
Gold Member
Messages
313
Reaction score
4
Hey there!
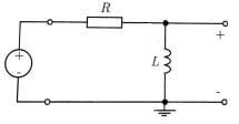
So I have this circuit:
9sPBmWm.jpg

with R= 1kOhm and L=10mH
and for some reason the theoretical and real values differ drasticly for lower frequencies
J8Fycm0.jpg

Brown lines are representing the asymptotic and approximation lines.
Blue lines are connecting my measured values.
Amplitude is the amplitude of the transfer function in dB.


What can this shift in both amplitude and phase be caused by? Is it the internal resistance of the indoctor or is it the internal capacitance of the inductor or is it something else?
 
Physics news on Phys.org
What is the Zout of the generator? What is the ESR of the inductor? What is the ESL of the resistor?

I think if you add these values into your simulation, you will get closer to your measured result... :smile:
 

Similar threads

  • · Replies 8 ·
Replies
8
Views
4K
  • · Replies 4 ·
Replies
4
Views
5K
Replies
1
Views
2K
  • · Replies 1 ·
Replies
1
Views
7K