Building an AC to DC power supply

Click For Summary

Discussion Overview

The discussion revolves around the construction of an AC to DC power supply, focusing on the input and output connections, safety considerations, and circuit design elements. Participants share their experiences and uncertainties regarding the wiring and components involved in the project.

Discussion Character

  • Exploratory
  • Technical explanation
  • Debate/contested
  • Homework-related

Main Points Raised

  • One participant expresses confusion about where to connect the DC output in a full bridge rectifier circuit, suggesting it might be at the leftmost node.
  • Another participant argues that the DC output should be at the load resistor, indicating a misunderstanding of circuit layout.
  • Concerns are raised about safety when working with AC line power, with one participant questioning the appropriateness of the project for novices.
  • Participants discuss the placement of a fuse and switch in the circuit, with suggestions to move them before the full bridge rectifier for safety.
  • There is uncertainty about grounding, particularly regarding the connection from the PCB to the chassis of a plastic project box.
  • One participant seeks clarification on electrical jargon, specifically the meaning of "hot lead" in AC wiring, and expresses confusion about the wiring of a three-prong AC input jack.
  • Links to resources on electrical safety are shared, emphasizing the need for proper instruction on working with AC mains voltages.

Areas of Agreement / Disagreement

Participants express various viewpoints on circuit design and safety, with no consensus reached on the best practices for wiring and component placement. Several participants highlight the need for safety measures, but there is disagreement on how to implement them effectively.

Contextual Notes

Participants note the absence of safety instructions in their class, which may impact their understanding of proper wiring and grounding techniques. There are also mentions of missing components in their kits that could affect the circuit design.

Who May Find This Useful

This discussion may be useful for students or hobbyists working on similar projects involving AC to DC power supplies, particularly those seeking guidance on circuit design, safety practices, and troubleshooting common wiring issues.

fashizzle
Messages
9
Reaction score
0
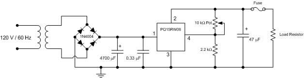
I'm building an AC to DC power supply for a class and my question mainly revolves around the input and output of the whole thing. My source of confusion is where to include my DC output in a circuit such as

2ywgtq8.jpg


I would assume that it would be the leftmost node of that full bridge rectifier, and the + of the ac input is the top node of the rectifier, whilst the - component is the bottom node.
 
Physics news on Phys.org
fashizzle said:
I'm building an AC to DC power supply for a class and my question mainly revolves around the input and output of the whole thing. My source of confusion is where to include my DC output in a circuit such as

[snip image]

I would assume that it would be the leftmost node of that full bridge rectifier, and the + of the ac input is the top node of the rectifier, whilst the - component is the bottom node.

:confused: Surely the DC output is at the load resistor. It is after all a DC supply for a load, right?
 
Yeah, that makes a lot more sense haha. I suppose I just tricked myself into thinking that the output must always be at the end of the circuit; this is my first attempt at transferring anything on paper to reality.
 
fashizzle said:
... this is my first attempt at transferring anything on paper to reality.

Please be careful -- working with AC line power is hazardous. It is very easy to accidentally touch live wires with tools and fingers.

I'm rather surprised that a teacher would approve this project for a novice.
 
Follow up question: would the ground be a connection from my PCB to the chassis of the box?
 
fashizzle said:
I'm building an AC to DC power supply for a class and my question mainly revolves around the input and output of the whole thing. My source of confusion is where to include my DC output in a circuit such as

2ywgtq8.jpg


I would assume that it would be the leftmost node of that full bridge rectifier, and the + of the ac input is the top node of the rectifier, whilst the - component is the bottom node.

fashizzle said:
Follow up question: would the ground be a connection from my PCB to the chassis of the box?

What class is this for? The grounding scheme for safety should be part of the instruction in the class. Ans your diagram does not show the ON/OFF switch and input fuse arrangement. Why not?
 
Introduction to circuits and signals; I'm also unsure as to why the switch isn't included in the diagram, but I guess I can just put it before the load resistor right? We haven't really received any instruction regarding safety or soldering, our instructor only provided us with the diagram and the parts and said "build it".
 
fashizzle said:
Introduction to circuits and signals; I'm also unsure as to why the switch isn't included in the diagram, but I guess I can just put it before the load resistor right? We haven't really received any instruction regarding safety or soldering, our instructor only provided us with the diagram and the parts and said "build it".

That's crazy! Are you planning on actually plugging it into the wall AC Mains?

First of all, the fuse at the output on the right where the load resistor is located generally would not be there. Instead, the fuse should be over at the left in series with the Hot leg of the 120Vrms AC Mains input to the transformer. And there needs to be a switch in at least the Hot leg of the input to the transformer. And Earth ground needs to be connected to the metal chassis of your power supply. And, the connector lug you use to Earch your metal chassis has to be of a particular type. And...

What is your instructor trying to do? Fry a bunch of students? :confused:
 
Yeah there doesn't appear to be an rationale for the fuse being where it is, so I may just move the fuse and switch before the full bridge rectifier. I'm a little unclear on the grounding still, my project box doesn't have any metal on it and no additional components were provided in my kit.. and soldering a wire to the plastic box doesn't make much sense to me, but it seems to be my only option. This is my first engineering class and my first time soldering etc, so I don't have any perspective.

Yeah we are plugging this into AC Mains
 
Last edited:
  • #10
fashizzle said:
Yeah there doesn't appear to be an rationale for the fuse being where it is, so I may just move the fuse and switch before the full bridge rectifier. I'm a little unclear on the grounding still, my project box doesn't have any metal on it and no additional components were provided in my kit.. and soldering a wire to the plastic box doesn't make much sense to me, but it seems to be my only option. This is my first engineering class and my first time soldering etc, so I don't have any perspective.

You may end up changing your username from fashizzle to flash-sizzle!

There must be a fuse on the hot lead of the mains plug. There should be a switch on the the mains supply, too.

You can also have a fuse on the load circuit as depicted in your schematic. It'll blow if you accidentally short circuit the output.
 
  • #11
So I'm a little confused by some of the jargon because I've never wired anything before, hot lead means the positive of the AC from which the current "originates" before progressing from one circuit element to another? So in this case the hot lead would be one of the wires coming from my AC input jack that is connected to the transformer ( I assume 3 wires come from the jack since there are 3 prongs, one positive, one negative, and one I'm not sure).
 
  • #12
fashizzle said:
So I'm a little confused by some of the jargon because I've never wired anything before, hot lead means the positive of the AC from which the current "originates" before progressing from one circuit element to another? So in this case the hot lead would be one of the wires coming from my AC input jack that is connected to the transformer ( I assume 3 wires come from the jack since there are 3 prongs, one positive, one negative, and one I'm not sure).

One lead is "hot", one is "neutral", and the third is "ground". There are lots of references for AC wiring on the web, so a little research may help.

You may note that most 2-prong power plugs have one prong that is slightly wider than the other. This is to assure that the plug is inserted in a particular way, so that the hot and neutral leads always make the same connections. There is no ambiguity with a three-prong plug -- it can only be inserted with one orientation.

Have your instructor verify your wiring for the primary circuit of the transformer before you plug it in.
 
  • #13
fashizzle said:
So I'm a little confused by some of the jargon because I've never wired anything before, hot lead means the positive of the AC from which the current "originates" before progressing from one circuit element to another? So in this case the hot lead would be one of the wires coming from my AC input jack that is connected to the transformer ( I assume 3 wires come from the jack since there are 3 prongs, one positive, one negative, and one I'm not sure).

Here are some links you should be reading before starting to work with AC Mains voltages:

http://www.penguintutor.com/electronics/electrical-safety

http://books.google.com/books?id=ju...=electronics projects ac mains safety&f=false

And your instructor really should be spending some time talking about electrical safety before having you build something involving anything above SELV (safety extra low voltage, around 60V, depending on the standard). Also, check the transformer to be sure it is rated "Double Insulation". If it is not, you should not be using a non-conducting enclosure.
 
  • #14
gneill said:
You can also have a fuse on the load circuit as depicted in your schematic. It'll blow if you accidentally short circuit the output.

Most power supply regulator ICs have current limiting protection, so a fuse as shown is not really "protecting" anything. A fuse in low voltage circut before the IC isn't really protecting anything that needs to be protected either. The risk of the 4700 or 0.33 capacitors going short circuit is negligible assuming you construct the circuit correctly

The primary function of the fuse at the mains side of the transformer to protect the AC wiring of the building, not to protect your circuit from self-destruction.

I entirely agree with Berkeman. Designing and building something like this is a crazy "first practical project", unless you are properly supervised. There are some mistakes that you only get to make once in your life :bugeye:
 

Similar threads

  • · Replies 8 ·
Replies
8
Views
3K
  • · Replies 14 ·
Replies
14
Views
2K
Replies
15
Views
3K
  • · Replies 2 ·
Replies
2
Views
3K
  • · Replies 6 ·
Replies
6
Views
3K
  • · Replies 7 ·
Replies
7
Views
3K
  • · Replies 10 ·
Replies
10
Views
5K
  • · Replies 7 ·
Replies
7
Views
2K
  • · Replies 7 ·
Replies
7
Views
2K
  • · Replies 18 ·
Replies
18
Views
5K