Change in Capacitor for largest possible Current

Click For Summary
SUMMARY

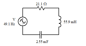
The discussion focuses on calculating the capacitive reactance in a series RLC circuit to achieve the largest possible current supplied by an alternating voltage source. Given parameters include a frequency of 49.1 Hz, an inductor with an inductance of 55.9 mH, and a capacitor with a capacitance of 2.55 mF. The calculated values are an inductive reactance (XL) of 17.2 Ω, a capacitive reactance (XC) of 1.27 Ω, and an impedance (Z) of 26.4 Ω for the entire RLC network. Understanding these calculations is essential for optimizing current flow in AC circuits.

PREREQUISITES
  • Understanding of alternating current (AC) circuit theory
  • Knowledge of reactance, specifically inductive and capacitive reactance
  • Familiarity with the concept of impedance in RLC circuits
  • Basic proficiency in using Ohm's Law and related equations
NEXT STEPS
  • Study the calculation of capacitive reactance (XC) in AC circuits
  • Learn about the effects of frequency on reactance in RLC circuits
  • Explore the concept of resonance in RLC circuits
  • Investigate the relationship between impedance and current in AC circuits
USEFUL FOR

Students studying electrical engineering, circuit designers, and anyone interested in optimizing current flow in AC RLC circuits.

Jess_18033152
Messages
32
Reaction score
0

Homework Statement


The capacitor is changed so that the largest possible current is supplied by the source.
Enter the value of the capacitive reactance when this change is made.
Give your answer in Ohms (Ω). A unit is not required with your answer.

Homework Equations


The circuit is powered by an alternating voltage source, which produces a voltage that varies sinusoidally and has an RMS voltage of V.

- The frequency of the voltage source is 49.1 Hz and the inductor has an inductance of 55.9 mH.
Calculate the inductive reactance (XL) of the inductor.
Give your answer in units of Ohms (Ω) = 17.2

- The capacitor has a capacitance of 2.55 mF.
Calculate the capacitive reactance (XC) of the capacitor. The frequency is still 49.1 Hz.
Again, give your answer in units of Ohms (Ω) = 1.27

- The resistor has a resistance of 21.1 Ω.
Calculate the impedance (Z) of the RLC network.
Give your answer in units of Ohms (Ω) = 26.4

Im not sure what this question is asking me or what equation to use to calculate it either.
 
Physics news on Phys.org
What is the sign of the capacitive reactance and inductive reactance?
 
How are your components interconnected? Is it a series RLC circuit like this?

upload_2018-5-26_12-13-11.png
 

Attachments

  • upload_2018-5-26_12-13-11.png
    upload_2018-5-26_12-13-11.png
    1.5 KB · Views: 504

Similar threads

  • · Replies 30 ·
2
Replies
30
Views
5K
  • · Replies 4 ·
Replies
4
Views
2K
  • · Replies 8 ·
Replies
8
Views
3K
  • · Replies 16 ·
Replies
16
Views
2K
Replies
4
Views
3K
  • · Replies 5 ·
Replies
5
Views
2K
Replies
2
Views
1K
  • · Replies 8 ·
Replies
8
Views
7K
  • · Replies 5 ·
Replies
5
Views
2K
  • · Replies 3 ·
Replies
3
Views
5K