Common emitter BJT Amplifier - maximum input voltage

Click For Summary
SUMMARY

The discussion focuses on calculating the maximum input voltage for a common emitter BJT amplifier to ensure proper amplification without distortion. Key parameters include a current gain (β) of 100, a saturation voltage (VCEsaturation) of 0.2V, and a base-emitter voltage (VBE) of 0.7V. The DC analysis yields a collector current (IC) of 1.805mA and an emitter current (IE) of 1.823mA, while the AC analysis provides a voltage gain (Av) of -115.7. The Q point must be positioned at the center of the load line to maximize amplification and avoid distortion due to saturation or cutoff.

PREREQUISITES
  • Understanding of BJT operation and characteristics
  • Familiarity with DC and AC analysis of amplifiers
  • Knowledge of load line analysis in transistor circuits
  • Basic concepts of gain, input/output impedance, and distortion in amplifiers
NEXT STEPS
  • Calculate the maximum input voltage using load line analysis for the BJT amplifier
  • Explore the impact of varying β on the maximum input voltage and distortion
  • Learn about biasing techniques to optimize the Q point in BJT amplifiers
  • Investigate the relationship between input voltage and output signal integrity in amplifiers
USEFUL FOR

Electronics engineers, students studying amplifier design, and hobbyists working with BJT circuits who seek to optimize performance and minimize distortion in their designs.

etf
Messages
179
Reaction score
2
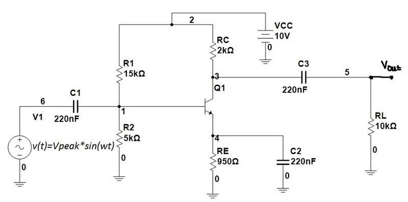
Here is my circuit:
β=100, VCEsaturation=0.2V, VBE=0.7V, λ->0, VT=26mV

kolo.jpg


After completing DC analysis I got these results :
IB=18.05μA, IC=1.805mA, IE=1.823mA, VCE=4.658V>VCEsaturation=0.2V, gm=0.06943, rCE=∞ Ω, rpi=1.44kΩ.
After completing AC analysis I got Av=-115.7, Ai=72.23, Rin=1.040kΩ, Rout=1.67kΩ.
How to calculate maximum input voltage for proper amplification (without distortion I mean) ?
 
Last edited:
Physics news on Phys.org
etf said:
Here is my circuit:
β=100, VCEsaturation=0.2V, VBE=0.7V, λ->0, VT=26mV

View attachment 68124

After completing DC analysis I got these results :
IB=18.05μA, IC=1.805mA, IE=1.823mA, VCE=4.658V>VCEsaturation=0.2V, gm=0.06943, rCE=∞ Ω, rpi=1.44kΩ.
After completing AC analysis I got Av=-115.7, Ai=72.23, Rin=1.040kΩ, Rout=1.67kΩ.
How to calculate maximum input voltage for proper amplification (without distortion I mean) ?

What are your thoughts on this? You have calculated the gain, and you have an idea of where saturation is -- how can you use this? Is the output centered naturally between saturation and cutoff? If not, that will decrease the range of signals that can be passed without distortion.
 
I know that Q point of BJT should lie in middle of load line for maximum amplification and if input voltage v(t) is too high then BJT will operate in saturation and cutoff and therefore there will be distortion. I'm still not sure how to use this fact for my calculation :(
 
Last edited:

Similar threads

  • · Replies 16 ·
Replies
16
Views
3K
Replies
8
Views
4K
Replies
19
Views
4K
  • · Replies 25 ·
Replies
25
Views
10K
Replies
6
Views
11K
  • · Replies 5 ·
Replies
5
Views
3K
  • · Replies 3 ·
Replies
3
Views
3K