Determine the transfer function of the block diagram

Click For Summary

Discussion Overview

The discussion revolves around determining the transfer function of a block diagram involving multiple components, specifically focusing on the interactions between feedback and summing points. Participants explore the implications of different approaches to combining terms in the transfer function.

Discussion Character

  • Technical explanation, Debate/contested

Main Points Raised

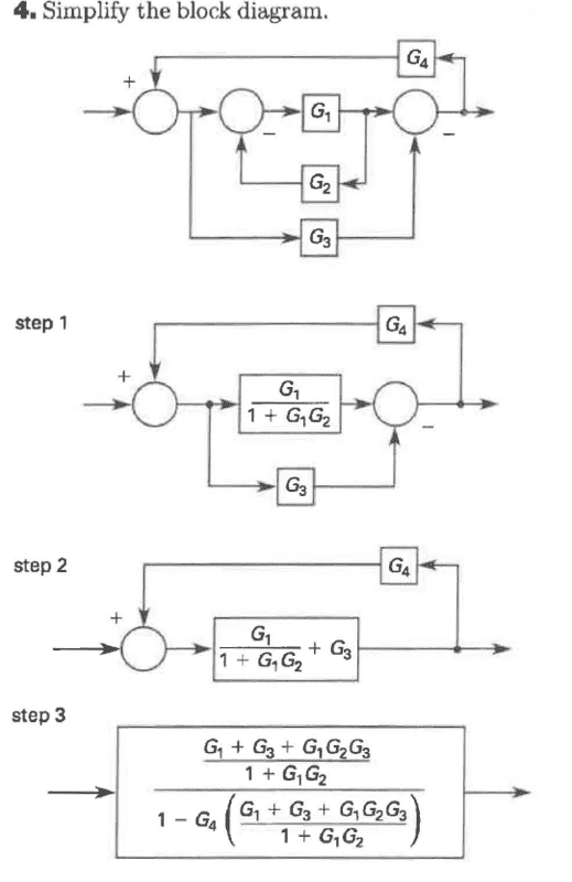
  • One participant describes a method for reducing the block diagram, arriving at the expression G1/[1 + G1G2] and later combining it with G3, leading to a transfer function T(s) = K / [1 - K*G4].
  • Another participant questions whether the addition of G3 is correct, suggesting that it should be subtracted instead.
  • Some participants express agreement with the idea of subtracting G3 from the earlier term, indicating uncertainty about the correct approach.
  • There is a mention of Mason's gain formula, but it is noted that the class has not covered this topic yet, which may limit the discussion's depth.

Areas of Agreement / Disagreement

Participants generally agree on the subtraction of G3 from the earlier term, but there is uncertainty regarding the correct formulation of the transfer function. The discussion remains unresolved as participants seek clarification.

Contextual Notes

There are limitations regarding the understanding of Mason's gain formula, which may affect the participants' ability to fully analyze the block diagram. Additionally, the discussion reflects differing interpretations of how to combine terms in the transfer function.

icesalmon
Messages
270
Reaction score
13
Homework Statement
Determine the transfer function of the block diagram
Relevant Equations
Equations for Block Diagram Algebra
Step 1: I first started by reducing the inside of the block diagram of picture "bd" (the portion with G1 and the negative feedback G2)
I obtained G1/[1 + G1G2]
I'll call this term "F"

Step 2: Then I'm left with two terms feeding into a summing point:
F - G3
I'll call this term "K"

I can reduce this diagram as I did in the first step:

T(s) = K / [1 - K*G4 ]

The solution, on the other hand, is adding G3 to F as indicated in the second picture I've attached
"bd2"
I am not sure if this is a mistake (to add G3 instead of subtracting it) or if I'm not seeing something.
Any help is appreciated, apologies if I've left anything out or made my solution unclear in anyway.
 

Attachments

  • bd.PNG
    bd.PNG
    8.7 KB · Views: 240
  • bd2.PNG
    bd2.PNG
    34.3 KB · Views: 226
  • Like
Likes   Reactions: Jody
Physics news on Phys.org
Has your class covered Mason's gain formula?
 
  • Like
Likes   Reactions: ammarb32
No, we haven't covered that yet
 
Giving it another look... I personally agree with you with subtracting ##G_3##.
 
  • Like
Likes   Reactions: icesalmon
Joshy said:
Giving it another look... I personally agree with you with subtracting ##G_3##.
any luck? I think the solution is making a mistake.
 

Similar threads

Replies
24
Views
5K
Replies
5
Views
3K
  • · Replies 3 ·
Replies
3
Views
3K
  • · Replies 1 ·
Replies
1
Views
2K
  • · Replies 3 ·
Replies
3
Views
3K
  • · Replies 5 ·
Replies
5
Views
7K
  • · Replies 2 ·
Replies
2
Views
8K
  • · Replies 5 ·
Replies
5
Views
3K
Replies
4
Views
2K
  • · Replies 16 ·
Replies
16
Views
2K