Digital phase converters for running 3-phase motors

  • Thread starter Thread starter Guineafowl
  • Start date Start date
Click For Summary

Discussion Overview

The discussion revolves around digital phase converters (DPCs) for running 3-phase motors, specifically distinguishing them from variable frequency drives (VFDs). Participants explore the operational principles, output waveforms, and the implications of using DPCs in comparison to other phase conversion methods, such as rotary phase converters and static phase converters.

Discussion Character

  • Technical explanation
  • Debate/contested
  • Conceptual clarification

Main Points Raised

  • Some participants clarify that DPCs generate a third phase from a DC bus without varying the output frequency, contrasting them with VFDs that modulate frequency.
  • There is a suggestion that DPCs may not produce a true 3-phase output, as the input peaks are 180 degrees apart, potentially leading to a double waveform.
  • Some argue that the output waveform of DPCs could be "good enough" for running motors, despite not being true 3-phase.
  • Participants discuss the role of phase shift capacitors in generating the third phase and the implications for motor operation.
  • There is a contention regarding the terminology used, with some asserting that the term "digital" in DPCs refers to PWM switching, while others question the digital nature of certain schematics.
  • Some participants express confusion over the description of DPCs, particularly regarding their output characteristics and the presence of high-frequency noise.
  • One participant provides a detailed phasor analysis to explain how a single-phase input can be converted into three-phase lines with 120° separation.

Areas of Agreement / Disagreement

Participants do not reach a consensus on the effectiveness and characteristics of DPCs compared to other phase conversion methods. Multiple competing views remain regarding the nature of the output waveform and the terminology used to describe these devices.

Contextual Notes

There are unresolved questions about the assumptions underlying the operation of DPCs, particularly regarding the role of the motor as an idler and the implications of the output waveform on motor performance.

Guineafowl
Messages
913
Reaction score
420
TL;DR
DPCs are sold primarily for running 3-phase motors on a 1-phase supply. How do they generate the output, and what does it look like?
To be clear, I’m not asking about variable frequency drives (VFDs, inverter drives). These rectify the 1-phase onto a DC bus, then use PWM to generate three phases 120deg apart. They can vary the output frequency.

DPCs, also (I think) called digital phase shifters, apparently feed the 1-phase straight through, and generate a third leg from a DC bus electronically. Their output frequency is fixed to whatever the input is.

1755260301589.webp


I can’t see how they approximate real 3-phase - the mains input peaks would be 180deg apart, so interspersing an artificial leg would give a double waveform, with two +ve peaks then two -ve peaks, all 90deg apart. Perhaps this is ‘good enough’ for running the motor?

They seem to be a solid-state version of a rotary phase converter; thread here: https://www.physicsforums.com/threads/trying-to-understand-rotary-phase-converter-output.836577/

In short, what does the output waveform of these devices look like?
 
Engineering news on Phys.org
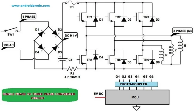
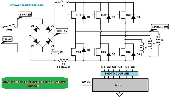
I just did a quick Google image search on "220v single phase to 3 phase digital converter electrical schematic". Here is the URL one of the first results.
00_to_2D00_three_2D00_phase_2D002D002D00_1pto3pckt.webp

Based on this and some other search results, most of them (perhaps all) follow the same basic steps: Convert to DC then modulate each of the three phases digitally.
 
.Scott said:
Convert to DC then modulate each of the three phases digitally.
That is the basis of the VFD solution.
Alternately, by using a phase shift capacitor to drive the third phase, the circulating field that sets the direction of the motor is decided. The motor is not receiving true 3PH and must be downgraded.
 
.Scott said:
I just did a quick Google image search on "220v single phase to 3 phase digital converter electrical schematic". Here is the URL one of the first results.
View attachment 364472
Based on this and some other search results, most of them (perhaps all) follow the same basic steps: Convert to DC then modulate each of the three phases digitally.
No, that’s a VFD.
 
I have examine more schematics. Apparently, power conversion dealers feel comfortable calling anything short of coupled motors as "digital".

When I compare the diagram presented in the OP with numerous converter electrical schematics, it seems very likely that the "motor" in the OP's diagram presented is an "Idle Motor" and is part of the power conversion circuit. When I first looked at it, I interpreted it as an example load.

If so, then that powered oscillator is only providing enough off-cycle phase to keep the motor spinning in the right direction. The motor itself is providing power to the third phase most of the time.
 
Last edited:
.Scott said:
I doubt that your schematic would be called a "DPC" since there is nothing digital about it.
As far as I can find out, the ‘digital’ refers to the PWM switching of the third leg.
.Scott said:
Any two legs of a 3-phase power source will appear to be 180 degrees apart.
Say we were to scope the star/wye secondary of a 3-phase transformer, common to star point, one probe on phase A, one on phase B, would the waveforms not be 120deg apart?
 
Guineafowl said:
Say we were to scope the star/wye secondary of a 3-phase transformer, common to star point, one probe on phase A, one on phase B, would the waveforms not be 120deg apart?
You would only see the 120 degree separation if you had some place to attach to ground. If you attach probe ground to one and the probe to the other, you just see a sine wave.
 
Guineafowl said:
I can’t see how they approximate real 3-phase - the mains input peaks would be 180deg apart,
This is technically not correct in the context of what is happening. This same concern has been brought up previously with rotary phase convertors here on pf.
-
Read the following link. It should clear up your misconception.
-
 
Baluncore said:
Alternately, by using a phase shift capacitor to drive the third phase, the circulating field that sets the direction of the motor is decided. The motor is not receiving true 3PH and must be downgraded.
Even though the OP's diagram does not show it, I think that (your "alternately") is basically what the it is doing.
The OP's diagram does not show any direct connection between "L" and his "DC Powered Oscillator". But without such a connection, that "oscillator" would have of being in (or staying in) a useful phase.
I would guess that that "oscillator" is actually a power amplifier with its input coupled through capacitors to L and N.

...

Actually, there is a way that the OP's circuit could work without a direct connect to L. The line from the oscillator to the motor could provide the oscillator with a reference to the phase on "L". It would be a tricky analogue circuit, but I think it could be made to work.
But, I don't think that's it. Such a circuit would become very confused by the wrong kind of load.
 
Last edited:
  • #10
A 3PH supply is just three single phase lines relative to neutral, the phase differences are 120°. The phase voltage, is the voltage between any pair of those lines. Each phase voltage, measured between any two lines, is the sum of two phasors, and that is a sinewave.

When a single phase A and N is connected to two lines of a 3PH motor, the active phasor rotates about the line that is connected to neutral. The third line needs to be driven so that the two remaining phases are at +120° and -120° relative to the A and N lines. Once the motor is turning, the coupling between the 3PH windings may provide that phase requirement.
 
  • Like
Likes   Reactions: DaveE
  • #11
Thanks, the phasor explanation makes sense.

The terminology is confusing, but here is an example device:

https://www.ebay.co.uk/itm/283812096505

It looks like the driven motor is used somewhat as an idler, as suggested above, given the requirement to match the rating so closely, talk of swapping phases around till it works, and balanced currents/voltages only above 50% load. Also, the third phase being only present with a motor connected.

More confusing is the description, “digital type phase converter” alongside “doesn’t make any high frequency”. If the third leg is PWM, you’d expect some, as you get from VFDs, which require shielded cable on the output.

I’m fairly sure these things are distinct from:
- Static phase converters, purely capacitor-based.
- Rotary “” , with their own idler motor.
- VFDs
 
  • #12
Guineafowl said:
More confusing is the description, “digital type phase converter” alongside “doesn’t make any high frequency”. If the third leg is PWM, you’d expect some, as you get from VFDs, which require shielded cable on the output.
The HF switching noise can be easily filtered, if they want to. In many motor drives users don't care enough to pay for that.
 
  • #13
This is one way to convert a single phase, active with neutral, into three-phase lines with 120° separation.
1ph-3ph-Schema.webp

The neutral becomes the Yellow line, Y, while active, (source V1), becomes the Red line, R. The DPC then only needs to generate (source V2), the fake Blue line, B, such that it has a 120° phase separation from both R and Y.

Since the R and B lines are both referenced to Y, they are being measured in different directions around the phasor diagram, so one is reversed in time, or inverted = 180°. For that reason, we need a phase shift of 180° – 120° = 60°, not the obvious 120° shift when faking the B line.

The R, B and Y lines are referenced to the common at the centre of the motor phasor diagram, not to the neutral input. The motor is represented by the three resistors in star connection. The actual phase voltages across the motor, in delta connection, will be R-B, B-Y, and Y-R.

1ph-3ph-Plots.webp


For this simulation, the line frequency has been adjusted so 1ms = 10°. Phase angle can therefore be read from the time axis. The line voltage input is assumed to be 230 Vrms, so the peak amplitude relative to neutral is almost 400 V. Spice assumes peak voltage is specified, hence the root two in the amplitude of voltage sources V1 and V2.
 
  • Like
Likes   Reactions: sophiecentaur and Guineafowl
  • #14
Baluncore said:
This is one way to convert a single phase, active with neutral, into three-phase lines with 120° separation.
View attachment 364520
The neutral becomes the Yellow line, Y, while active, (source V1), becomes the Red line, R. The DPC then only needs to generate (source V2), the fake Blue line, B, such that it has a 120° phase separation from both R and Y.

Since the R and B lines are both referenced to Y, they are being measured in different directions around the phasor diagram, so one is reversed in time, or inverted = 180°. For that reason, we need a phase shift of 180° – 120° = 60°, not the obvious 120° shift when faking the B line.

The R, B and Y lines are referenced to the common at the centre of the motor phasor diagram, not to the neutral input. The motor is represented by the three resistors in star connection. The actual phase voltages across the motor, in delta connection, will be R-B, B-Y, and Y-R.

View attachment 364521

For this simulation, the line frequency has been adjusted so 1ms = 10°. Phase angle can therefore be read from the time axis. The line voltage input is assumed to be 230 Vrms, so the peak amplitude relative to neutral is almost 400 V. Spice assumes peak voltage is specified, hence the root two in the amplitude of voltage sources V1 and V2.
That’s very clever. I’m trying to understand the circuit in terms of two sinusoidal voltage sources, VRY and VBY. Both are of magnitude 340V, the mains peak in a 240V country:

##V_{RY} = 340V <0°##
##V_{BY} = 340V <-120°## ie, reflected from 60°

Should the final result should look something like this, with the resultant voltage ##V_{RB} = 340V <120°##, and the common/star point ‘com’ in the centre of a delta?:
image.webp


I’m not entirely convinced I have the ##V_R, V_Y, V_B## right.
 
Last edited:
  • #15
Guineafowl said:
I’m not entirely convinced I have the right.
Your diagram is correct, but the voltages are confusing because you do not indicate if a voltage is Vrms or Vpk, so it is hard to reconcile with the plots of voltage.

When I started to model the converter, I decided the line voltage was 230Vrms, so I used that as the 1PH input, that was correct.

However, the single phase line voltage is used immediately to make the 3PH phase voltage, R-Y, which must therefore be 230Vrms.

The effective 3PH line voltages are therefore 230 / √3 = 132.8Vrms, which will then be 132.8 * √2 = 187.8Vpk, and that is what the model shows.

That explains why the 3PH line voltages do NOT peak at 230 * √2 = 325Vpk.
 
  • Like
Likes   Reactions: Guineafowl
  • #16
Baluncore said:
Your diagram is correct, but the voltages are confusing because you do not indicate if a voltage is Vrms or Vpk, so it is hard to reconcile with the plots of voltage.

When I started to model the converter, I decided the line voltage was 230Vrms, so I used that as the 1PH input, that was correct.

However, the single phase line voltage is used immediately to make the 3PH phase voltage, R-Y, which must therefore be 230Vrms.

The effective 3PH line voltages are therefore 230 / √3 = 132.8Vrms, which will then be 132.8 * √2 = 187.8Vpk, and that is what the model shows.

That explains why the 3PH line voltages do NOT peak at 230 * √2 = 325Vpk.
They’re all peak voltages, which seems to work:

Using geometry, the distance D of each vertex of the delta to its centre, ie ##V_R, V_Y, V_B## is calculated from the side length A, 340V: ##D=\frac {\sqrt3 A}{3}=196.3V## as shown.

Also, 340V peak across two motor phases gives a peak phase voltage ##V_{pk, phase}=\frac {340}{\sqrt3}=196.3V##

Now, the more common usage of one of these DPCs would be with a 415V star/240V delta motor configured in delta. Would that affect the reflection of the phasor ##V_{BY}##? What would the simulation and phasor diagram look like?
 
  • #17
Guineafowl said:
Would that affect the reflection of the phasor ? What would the simulation and phasor diagram look like?
The phasor diagram does not change with voltage, the voltages are simply scaled. An autotransformer could be used to boost the input voltage.

To minimise starting current, a motor would be started star-connected, then once it was spinning, it would be switched to run in delta-connection. The supply would not be changed, only the internal motor connections would change from star to delta.

My simulation showed the motor as star connected resistors, because I needed the midpoint voltage to plot the 3PH line voltages. I could have added a delta of resistors to the simulation, but it would have been cluttered. Resistors connected between low impedance voltage sources do not change those voltages.

240V 1PH and 415V 3PH are now, in theory, replaced by the international standard of 230V 1PH and 400V 3PH. That is why I use those numbers. The actual voltage being delivered seems to remain the same, it is all within the wide permitted tolerance.
 
  • #18
Baluncore said:
The phasor diagram does not change with voltage, the voltages are simply scaled. An autotransformer could be used to boost the input voltage.

To minimise starting current, a motor would be started star-connected, then once it was spinning, it would be switched to run in delta-connection. The supply would not be changed, only the internal motor connections would change from star to delta.

My simulation showed the motor as star connected resistors, because I needed the midpoint voltage to plot the 3PH line voltages. I could have added a delta of resistors to the simulation, but it would have been cluttered. Resistors connected between low impedance voltage sources do not change those voltages.

240V 1PH and 415V 3PH are now, in theory, replaced by the international standard of 230V 1PH and 400V 3PH. That is why I use those numbers. The actual voltage being delivered seems to remain the same, it is all within the wide permitted tolerance.
Yes, same here in the UK - real 415V/240V is deemed within tolerance of the nominal 400V/230V.

Star-delta starting, over here, is usually for motors above around 5kW. What we typically deal with in the home workshop are motors designed to take 3ph 400V in star, which can be reconfigured in delta to take 3ph 230V. This is provided via 1ph 230V by ordinary AT1 VFDs and these new DPCs. In some older motors, the star point is not available at the connection box, but must be dug out of the windings and brought out.

So, the typical application for a DPC would be a motor configured in delta. Would it look something like this?:
image.webp
 
  • #19
Guineafowl said:
So, the typical application for a DPC would be a motor configured in delta. Would it look something like this?:
Yes.
 
  • Like
Likes   Reactions: Guineafowl
  • #20
The bottom line is that if you have anything besides single phase you can make any number of phases you like through vector addition. If you take single phase and synthesize another signal that is anything but the same vector as your standard single phase (or the 180° opposite) you have the ingredients to do it.
-
Now this is more easily said than done. Technically I can synthesize a signal that is one degree different than the single phase source and that is good enough. But if you start doing the math it will soon be realized that there is a much more practical choice concerning the phase difference between the single phase source and the synthesized one.
 
  • #21
Guineafowl said:
Yes, same here in the UK - real 415V/240V is deemed within tolerance of the nominal 400V/230V.

Star-delta starting, over here, is usually for motors above around 5kW. What we typically deal with in the home workshop are motors designed to take 3ph 400V in star, which can be reconfigured in delta to take 3ph 230V. This is provided via 1ph 230V by ordinary AT1 VFDs and these new DPCs. In some older motors, the star point is not available at the connection box, but must be dug out of the windings and brought out.

So, the typical application for a DPC would be a motor configured in delta. Would it look something like this?:
View attachment 364532
This is what is known as open delta. Look around in small industrial neighborhoods in North America. You will see a large transformer with a center tapped connection which is neutral. Then you will see a smaller transformer with one lead that is connected to one of the leads from the larger transformer. The remaining lead on the small transformer is what is known as the wild leg. V1 and V2 in the above drawing are the transformers. The triangle of resistors are the three phase loads. Typical connection where the majority of loads are single phase and there are a few smaller 3 phase loads.
 
  • Like
Likes   Reactions: Guineafowl and DaveE
  • #22
Averagesupernova said:
This is what is known as open delta. Look around in small industrial neighborhoods in North America. You will see a large transformer with a center tapped connection which is neutral. Then you will see a smaller transformer with one lead that is connected to one of the leads from the larger transformer. The remaining lead on the small transformer is what is known as the wild leg. V1 and V2 in the above drawing are the transformers. The triangle of resistors are the three phase loads. Typical connection where the majority of loads are single phase and there are a few smaller 3 phase loads.
A temptation to discuss the seemingly complicated US electrical distribution system… But no, I won’t ;)

I assume there would be no 60° phase shift between the two transformers as with our DPC. Or perhaps ‘RY’ and ‘BY’ run in quadrature? I could see that working geometrically.
 
  • #23
Guineafowl said:
A temptation to discuss the seemingly complicated US electrical distribution system… But no, I won’t ;)

I assume there would be no 60° phase shift between the two transformers as with our DPC. Or perhaps ‘RY’ and ‘BY’ run in quadrature? I could see that working geometrically.
Feel free to discuss the North American system. May want to start a new thread.
-
The phase shift with open delta is no different than a closed delta. It's just a matter of leaving one transformer out. It is an example of one method to obtain 3 phases by using only two.
 
  • #25
Baluncore said:
I was on an engineering induction course at the BBC Engineering Training Dept in 1967. I remember (fuzzily) being shown a demo of a Scott(?) transformer for producing three phase from single phase. Transformers are hard things but could the T arrangement in the wiki article be worked the other way round?
 
  • #26
sophiecentaur said:
I was on an engineering induction course at the BBC Engineering Training Dept in 1967. I remember (fuzzily) being shown a demo of a Scott(?) transformer for producing three phase from single phase. Transformers are hard things but could the T arrangement in the wiki article be worked the other way round?
You cannot get 3 phase from single with just transformers. Scott Ts were common to go from two-phase 90° to the more commonly known 3 phase 120°.
 
  • #27
sophiecentaur said:
I was on an engineering induction course at the BBC Engineering Training Dept in 1967. I remember (fuzzily) being shown a demo of a Scott(?) transformer for producing three phase from single phase. Transformers are hard things but could the T arrangement in the wiki article be worked the other way round?
Since these transformers are linear passive networks, yes, they will work forwards and backwards. 3 phase 120 to 2 phase 90o would work too. Although it wouldn't be common. In rural (low power) regions they will sometimes distribute 2 phase 90o to save on copper & pole costs. Then they use these to recreate "good" 3 phase power if customers need it.

I had an old text book that had a bunch of these configurations for this and making 6 phase, etc. Basically it's all just vector addition in a 2D plane. If you have a source with at least two independent phasor vectors, you can scale and add them with transformer windings however you want.
 
  • Informative
Likes   Reactions: sophiecentaur
  • #28
DaveE said:
3 phase 120 to 2 phase 90o would work too
I wonder just what was in that box, then. We were all grads on the course but with a wide range of knowledge. The training establishment provided a lot of (young) technician level intake and their courses were very 'basic'. So we may well have been a bit 'mislead' about what we were shown. Three Phase was something my Dad was involved with but I only came across it much later so I couldn't have spotted any 'fudge'. AFAIR, we saw three waves on a scope screen.

It amused me that an AI search suggested that Scott may have been the name of the tutor!
 
  • Like
Likes   Reactions: nsaspook

Similar threads

  • · Replies 5 ·
Replies
5
Views
3K
Replies
7
Views
3K
  • · Replies 19 ·
Replies
19
Views
4K
  • · Replies 11 ·
Replies
11
Views
7K
  • · Replies 4 ·
Replies
4
Views
2K
  • · Replies 5 ·
Replies
5
Views
3K
  • · Replies 1 ·
Replies
1
Views
3K
  • · Replies 22 ·
Replies
22
Views
5K
Replies
4
Views
3K
  • · Replies 1 ·
Replies
1
Views
2K