Electromagnet with two cardboard pieces

Click For Summary

Homework Help Overview

The discussion revolves around a problem involving a laminated electromagnet with specific parameters, including magnetic field path, permittivity, and coil specifications. The original poster seeks assistance in computing inductance, electric current amplitude, and the average magnetic force on cardboard pieces inserted into air gaps.

Discussion Character

  • Mixed

Approaches and Questions Raised

  • The original poster attempts to compute inductance using a formula but questions the validity of their results, suggesting possible modifications to the equation. They also explore the relationship between voltage amplitude and current, leading to further confusion about the correct values. Participants question the assumptions behind the force on the cardboard pieces, with some suggesting that the problem may be misleading or a trick question.

Discussion Status

Participants are actively engaging with the original poster's attempts and raising questions about the validity of the formulas used. There is a recognition of potential discrepancies in the expected results, particularly regarding the force on the cardboard, with some participants suggesting that the problem may not align with practical expectations.

Contextual Notes

There is an ongoing discussion about the assumptions related to the permeability of cardboard and the implications of the large force value provided in the solution sheet. Participants note the lack of permeability information for cardboard in the problem statement, which may affect the calculations.

peroAlex
Messages
35
Reaction score
4
Hello!

Recently I was going through some old exams and upon encountering this problem (which seemed pretty easy) I got stuck. Exams at my university are composed of individual tasks, each having three subquestions with four plausible answers respectively. Solution sheet gives results only, so there’s no way for me to check where my attempt at solution went wrong. I ask members of this forum for help, maybe someone will see where I made a mistake. Your help is very appreciated, so thank you in advance.

--------------------------------------------------------


Homework Statement



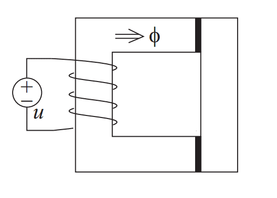
Given is a laminated electromagnet with magnetic field path ## l = 0.4 m ##, permittivity ## \mu = 13500 \mu_0 ## that has two gaps ## \delta = 0.002 ## in which we insert two cardboard pieces. Our electromagnet is wound with a coil , ## N = 280 ## plugged onto alternating voltage source (## U_{rms} = 230 V##, ##\omega = 120 \pi s^{-1}##) and has surface area of cross section ## S = 0.002 m^2 ##.

First question: compute coil inductance. Correct result should be ##L = 0.0489 H ##.
Second question: compute amplitude of electric current. Correct result should be ## I_0 = 17.6 A ##.
Third question: compute average value of magnetic force on one of the cardboard pieces. Correct result should be ## F_avg = 945 N ##.

Homework Equations



For the first question I used ## L = \mu N^2 \frac{S}{l}##. For the second question I used ##B = \mu H##, ##NI = H_{core}l + H_{gaps}\delta = B (\frac{l}{\mu} + \frac{\delta}{\mu_0})##. For the third question I used ##F = \frac{B^2 S}{2 \mu}##.

The Attempt at a Solution



Using ## L = \mu N^2 \frac{S}{l}## I obtained ##L = 6.65H##, which is obviously incorrect. So I tried modifying the equation into ## L = \mu N \frac{S}{l} ## (instead of ##N^2## I used ##N##). This gave me ##L = 0.02375H##, which – if multiplied by factor 2 – gives ##L = 0.0475H##. Close enough, right? But why would I use the “modified” form?

OK, next up is the second question. From voltage amplitude ##U_0 = U_{rms} \sqrt{2} = N B S \omega## I derived ##B = 1.54T##. If I stick with this value and plug it in ##NI = B (\frac{l}{\mu} + \frac{\delta}{\mu_0})##, it produces: ## I_0 = 8.8832 A##, again close enough because two times my first attempt yields ##I_0 = 17.7664 A##. So I decided to find value of B-field that would return ##I_0 = 17.6##. As it turns out, B-field should be ##B = 3.05T##, again proving that something should be multiplied or divided by 2. At this point it becoming preposterous, since it all indicates that formulas I found on the Internet with my notes combined are inaccurate.

For third question, again, equation I noted above would return ##F = 1887.26 N##, yet if I divide it by 2 it would give ##F = 943.63N##.

--------------------------------------------------------

At this point I don’t know how to describe my situation. I’m either using completely wrong set of formulas, or I’m missing a point by not modifying them. Could someone be please kind enough to help me?
 

Attachments

  • Fakulteta za elektrotehniko (1).png
    Fakulteta za elektrotehniko (1).png
    4.3 KB · Views: 575
Physics news on Phys.org
Re: 3rd question, why should there be a force on the cardboards?
 
  • Like
Likes   Reactions: peroAlex
rude man said:
Re: 3rd question, why should there be a force on the cardboards?
Good question!

Searching, I found a link that estimates the force of attraction between the poles at the air gap. See equation 3-71 here
http://www.vias.org/matsch_capmag/matsch_caps_magnetics_chap3_18.html

The formula appears to match the OP's formula except I guess you use ##\mu## for cardboard instead of air for this problem (equation 3-74). But I would think there would be negligible difference in ##\mu## for air and cardboard. (No permeability info was given for cardboard in the problem statement.)

945 N is a large force! This certainly cannot be the force on the pieces of cardboard.
 
  • Like
Likes   Reactions: peroAlex
TSny said:
Good question!

Searching, I found a link that estimates the force of attraction between the poles at the air gap. See equation 3-71 here
http://www.vias.org/matsch_capmag/matsch_caps_magnetics_chap3_18.html

The formula appears to match the OP's formula except I guess you use ##\mu## for cardboard instead of air for this problem (equation 3-74). But I would think there would be negligible difference in ##\mu## for air and cardboard. (No permeability info was given for cardboard in the problem statement.)

945 N is a large force! This certainly cannot be the force on the pieces of cardboard.
Yeah, so it seems, probably trick question.
Even if the cardboard had μ > μ0 there would be no force on the cardboard once it was wholly within the gap, since presumably no ∇B exists in the gap. There would of course be a force pulling in the cardboard as it was being inserted. Sound right?
 
  • Like
Likes   Reactions: peroAlex
rude man said:
Yeah, so it seems, probably trick question.
Even if the cardboard had μ > μ0 there would be no force on the cardboard once it was wholly within the gap, since presumably no ∇B exists in the gap. There would of course be a force pulling in the cardboard as it was being inserted. Sound right?
Yes. Sounds right to me. Even when inserting the cardboard, I would think the force on the cardboard would be very small.
 
  • Like
Likes   Reactions: peroAlex
TSny said:
Yes. Sounds right to me. Even when inserting the cardboard, I would think the force on the cardboard would be very small.
Yes, unless it was impregnated with hi-μ powder or whatever.
 
  • Like
Likes   Reactions: peroAlex and TSny
TSny said:
945 N is a large force! This certainly cannot be the force on the pieces of cardboard.

To begin with, I would like to thank both for participating.
Third question, as explained above, has four plausible answers. Solution sheet gives ##F=945N##, but you can chose from
  • ##F = 307 000N##
  • ##F=0.0038N##
  • ##F=0.0019N##
So if you deem that force of 945 Newtons is inaccurate, could it be that solutions are wrong or that perhaps I'm dealing with unrealistic task?
 
If I use the formula that you listed for the force, then I get about 940 N. Pretty close to 945. But this formula is for the force of attraction between the parallel faces of the core at the gap, not the force on some material placed in the gap. Asking for the force on the cardboard seems like a strange question to rude man and me. But, I'm certainly no expert in this area.
 
  • Like
Likes   Reactions: peroAlex
  • #10
TSny said:
If I use the formula that you listed for the force, then I get about 940 N. Pretty close to 945. But this formula is for the force of attraction between the parallel faces of the core at the gap, not the force on some material placed in the gap. Asking for the force on the cardboard seems like a strange question to rude man and me. But, I'm certainly no expert in this area.

Interesting to know that, because I know my translation is correct. It explicitly asks to compute force on cardboard sheets, so apparently it's a trick question. Thank you so much for helping me! Both you and @rude man, thank you!
 

Similar threads

  • · Replies 3 ·
Replies
3
Views
2K
  • · Replies 4 ·
Replies
4
Views
2K
  • · Replies 9 ·
Replies
9
Views
2K
Replies
7
Views
2K
Replies
3
Views
1K
Replies
4
Views
2K
  • · Replies 7 ·
Replies
7
Views
3K
Replies
10
Views
2K
  • · Replies 4 ·
Replies
4
Views
992
  • · Replies 14 ·
Replies
14
Views
2K