Find current and PD across a circuit with diodes

Click For Summary

Homework Help Overview

The discussion revolves around a circuit analysis problem involving diodes and resistors. Participants are tasked with calculating the current through a 30 Ω resistor, a 60 Ω resistor, and the potential difference across a 40 Ω resistor, given specific conditions about the diodes in the circuit.

Discussion Character

  • Exploratory, Assumption checking, Conceptual clarification

Approaches and Questions Raised

  • Participants explore the implications of diodes being reverse biased and question the assumptions regarding current flow in the circuit. There are attempts to calculate currents and voltages using Ohm's law and series/parallel resistor combinations, while some express confusion about the role of the diodes.

Discussion Status

The discussion is ongoing, with various interpretations and calculations being presented. Some participants suggest simplifying the circuit based on the current flow, while others emphasize the need for clarity in reasoning and structure in the calculations. There is no explicit consensus on the methods being proposed, but guidance has been offered regarding the ideal behavior of diodes.

Contextual Notes

Participants note the lack of information regarding the resistance of the diodes and the potential drop across them, which complicates the calculations. The problem statement allows for the assumption of a negligible resistance for the diodes when conducting, but this is not universally accepted among participants.

moenste
Messages
711
Reaction score
12

Homework Statement


When answering the questions below, you may assume that the source resistance is negligible and that each diode has a potential difference of 0.6 V across it when conducting. For the circuit below calculate (a) the current in the 30 Ω resistor, (b) the current in the 60 Ω resistor, (c) the PD across the 40 Ω resistor.

99ec75b6cc4f.jpg


Answers: (a) zero, (b) 0.054 A, (c) 2.16 V

2. The attempt at a solution
(c) 1/R = 1/30 + 1/40 → R = 20 Ω → total R = 20 + 40 = 60 Ω. I = V / R = 6 / 60 = 0.1 A. V40 = I R40 = 0.1 * 40 = 4 V.

(a) VParallel = 6 - 4 = 2 V. I30 = VParallel / R30 = 2 / 30 = 0.067 A.

(b) V = 2 / 60 = 0.033 A.

Doesn't fit the answer. I looked at the theory behind the diods. Still don't understand why the current in the 30 Ohm resistor is zero.

5fa3ca3bb8bf.png


Is it because current goes from the cathode part and therefore it is zero? Or because there are two diods and therefore the second one should have a current of zero?
 
Last edited:
Physics news on Phys.org
The diode in series with the 30ohm resistor is reverse biased. Do you understand what that means? The little picture you have included of a forward biased diode does not apply to a reverse biased diode.
 
  • Like
Likes   Reactions: moenste
I also recommend answering the questions in the order they were written. The answer to "a" will be a big help for "b" and "c".
 
  • Like
Likes   Reactions: moenste
phinds said:
The diode in series with the 30ohm resistor is reverse biased. Do you understand what that means? The little picture you have included of a forward biased diode does not apply to a reverse biased diode.
CWatters said:
I also recommend answering the questions in the order they were written. The answer to "a" will be a big help for "b" and "c".
Hm, for (a) I would say it should be like this: since electrons move from the negative polarity of the 6 V, more specifically: downwards, right and then up to the 30 Ω and 60 Ω diodes. So, since the current flow is only possible when the diode arrow is faced towards the electron flow, like on this picture:
03246.png
, therefore the current is equal to zero in the 30 Ω, since the position of the diode does not allow current flow.

Should this be correct?

(Theory from http://www.allaboutcircuits.com/textbook/semiconductors/chpt-3/introduction-to-diodes-and-rectifiers/.)
 
moenste said:
So, since the current flow is only possible when the diode arrow is faced towards the electron flow, like on this picture:
03246.png
, therefore the current is equal to zero in the 30 Ω, since the position of the diode does not allow current flow.

Correct.

If there is no current flowing in the 30R branch perhaps you can see a way to simplify the circuit?
 
CWatters said:
Correct.

If there is no current flowing in the 30R branch perhaps you can see a way to simplify the circuit?
6bf683c50db7.jpg


Like this?

For (b) we need to find I60 Ω. I = V / R or I = V / 60. How to find V? V = I R. Or V = V1 + V2 + V3. Or IR = IR1 + IR2 + IR3.

40 + 60 = 100 Ω. So I = 6 / 100 = 0.06 A. V60 Ω = 0.06 * 60 = 3.6 V.
 
Last edited:
Exactly.
 
  • Like
Likes   Reactions: moenste
CWatters said:
Exactly.
Yes, but how do we proceed further? We don't know R for the diode or the V for the two resistors.

moenste said:
For (b) we need to find I60 Ω. I = V / R or I = V / 60. How to find V? V = I R. Or V = V1 + V2 + V3. Or IR = IR1 + IR2 + IR3.

40 + 60 = 100 Ω. So I = 6 / 100 = 0.06 A. V60 Ω = 0.06 * 60 = 3.6 V.

RTotal = RDiode + 60 + 40

6 = 0.6 + V60 Ω + V40 Ω

Update: I can only calculate (c) algebraically like R of 60 and 40 Ohms = 100 Ohms. 40 / 100 = 0.4 of the voltage is taken by the 40 Ohm resistor. Both resistors take 6 - 0.6 = 5.4 V, so 5.4 * 0.4 = 2.16 V goes to the 40 Ohms one. But it doesn't look like physics. (b) is, in that case: 5.4 * 0.6 = 3.24 V. I = V / R = 3.24 / 60 = 0.054 A.
 
You're right, you don't know the resistance of the diode. But let's consider what the problem statement says: the potential across the diode is 0.6V when conducting. This is regardless of the current across it. Hence, we cannot consider that Ohm's law, V=RI, is applicable to the diode, as the only possibility for this is that R adjusts itself according to the level of current. Too complicated, and not enough information in the problem statement for this case.

What you could do is to use a very frequent approximation: consider the resistance of the diode negligible when compared to the other resistances in the circuit. This correspond to the model of an ideal diode: infinite resistance when reverse polarised, negligible resistance and constant V drop when directly polarised. In fact, I think the statement should have suggested this explicitly. Under this assumption, you can solve your problem.

Obviously, this approximation is only good if the internal resistance of the diode is really negligible compared to the total resistance in your circuit, like in the present case.
 
  • Like
Likes   Reactions: moenste
  • #10
demon said:
You're right, you don't know the resistance of the diode. But let's consider what the problem statement says: the potential across the diode is 0.6V when conducting. This is regardless of the current across it. Hence, we cannot consider that Ohm's law, V=RI, is applicable to the diode, as the only possibility for this is that R adjusts itself according to the level of current. Too complicated, and not enough information in the problem statement for this case.

What you could do is to use a very frequent approximation: consider the resistance of the diode negligible when compared to the other resistances in the circuit. This correspond to the model of an ideal diode: infinite resistance when reverse polarised, negligible resistance and constant V drop when directly polarised. In fact, I think the statement should have suggested this explicitly. Under this assumption, you can solve your problem.

Obviously, this approximation is only good if the internal resistance of the diode is really negligible compared to the total resistance in your circuit, like in the present case.
Thank you. What do you think of this "method":
moenste said:
Update: I can only calculate (c) algebraically like R of 60 and 40 Ohms = 100 Ohms. 40 / 100 = 0.4 of the voltage is taken by the 40 Ohm resistor. Both resistors take 6 - 0.6 = 5.4 V, so 5.4 * 0.4 = 2.16 V goes to the 40 Ohms one. But it doesn't look like physics. (b) is, in that case: 5.4 * 0.6 = 3.24 V. I = V / R = 3.24 / 60 = 0.054 A.

If we drop the resistance of the diode then we have I2 = V / R2 = 6 / 60 = 0.1 A. It is relatively close to the answer of 0.057 A, but still not the precise one.
 
  • #11
Both methods you propose are too messy for my liking, and they don't show the reasoning behind the calculations. Show structure and order in your solutions, and offer the lecturer(?) a line of reasoning. For example:

We will consider that the diode is ideal, e.g. RD=0. Because of the drop across the resistor is VD=0.6V, we have that the resistances see a potential drop of:
VR1+R2=VA-VD=...

Hence, the current through the circuit is:
IT = ... (complete)
Therefore, the voltage drop across the 40Ω resistor is:
VR1=...
Bonus: We can verify that the voltage drop across the 60Ω resistor is:
...
When we add together the voltage drops across the resistors we obtain VR1+R2
 
  • Like
Likes   Reactions: moenste
  • #12
demon said:
Both methods you propose are too messy for my liking, and they don't show the reasoning behind the calculations. Show structure and order in your solutions, and offer the lecturer(?) a line of reasoning. For example:

We will consider that the diode is ideal, e.g. RD=0. Because of the drop across the resistor is VD=0.6V, we have that the resistances see a potential drop of:
VR1+R2=VA-VD=...

Hence, the current through the circuit is:
IT = ... (complete)
Therefore, the voltage drop across the 40Ω resistor is:
VR1=...
Bonus: We can verify that the voltage drop across the 60Ω resistor is:
...
When we add together the voltage drops across the resistors we obtain VR1+R2
1. 6 VTotal = 0.6 VDiode + V60 Ω resistor 1 + V40 Ω resistor 2 → both resistors have a reading of V60 Ω resistor 1 and 40 Ω resistor 2 = 6 V - 0.6 V = 5.4 V.

2. Their both resistance R60 Ω resistor 1 and 40 Ω resistor 2 = 60 Ω + 40 Ω = 100 Ω.

3. Since we need to find the current of the 60 Ω resistor 1, we assume that it consumes: 60 Ω / (40 Ω + 60 Ω) = 0.6 (or 60 %) of the V60 Ω resistor 1 and 40 Ω resistor 2 = 5.4 V. So the 60 Ω resistor 1 has: V60 Ω resistor 1 = V60 Ω resistor 1 and 40 Ω resistor 2 * 0.6 = 5.4 V * 0.6 = 3.24 V.

4. We now find the current I60 Ω resistor 1 = V60 Ω resistor 1 / R60 Ω resistor 1 = 3.24 V / 60 Ω = 0.054 A.

5. The second resistor consumes: 40 Ω / (40 Ω + 60 Ω) = 0.4 (or 40 %) of the V60 Ω resistor 1 and 40 Ω resistor 2 = 5.4 V. So the 40 Ω resistor 2 has: V40 Ω resistor 2 = V60 Ω resistor 1 and 40 Ω resistor 2 * 0.4 = 5.4 V * 0.4 = 2.16 V.
 
Last edited:
  • #13
Your results are correct, and your solution method is sound if a bit convoluted.

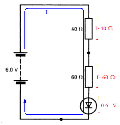
An appropriate approach for these sorts of problems that will deemed both succinct and logical is to apply the basic circuit laws. In this case Ohm's Law and Kirchhoff's Voltage Law (KVL). State that you are applying these rules and then write KVL around the loop:

upload_2016-9-28_10-20-40.png


Ohm's Law applies for the resistors, while the battery has a fixed potential difference and diode potential change is a given. Solve for ##I##.
 
  • Like
Likes   Reactions: moenste
  • #14
gneill said:
Your results are correct, and your solution method is sound if a bit convoluted.

An appropriate approach for these sorts of problems that will deemed both succinct and logical is to apply the basic circuit laws. In this case Ohm's Law and Kirchhoff's Voltage Law (KVL). State that you are applying these rules and then write KVL around the loop:

View attachment 106607

Ohm's Law applies for the resistors, while the battery has a fixed potential difference and diode potential change is a given. Solve for ##I##.
Hm, indeed that's easier. V = V1 + V2 + VDiode → 6 = IR1 + IR2 + 0.6 → 6 = 60 * I + 40 * I + 0.6 → 100 * I = 5.4 → I = 0.054 A. V2 = IR2 = 0.054 * 40 = 2.16 V. Thank you!
 

Similar threads

  • · Replies 2 ·
Replies
2
Views
2K
  • · Replies 25 ·
Replies
25
Views
5K
  • · Replies 34 ·
2
Replies
34
Views
4K
  • · Replies 3 ·
Replies
3
Views
2K
  • · Replies 23 ·
Replies
23
Views
3K
  • · Replies 5 ·
Replies
5
Views
5K
  • · Replies 7 ·
Replies
7
Views
2K
  • · Replies 2 ·
Replies
2
Views
2K
  • · Replies 8 ·
Replies
8
Views
3K
  • · Replies 52 ·
2
Replies
52
Views
13K