Find the Voltage in the parallel resistor-capacitor circuit

Click For Summary

Homework Help Overview

The discussion revolves around a parallel resistor-capacitor circuit involving two capacitors (C1 and C2) and two resistors (R1 and R2). The original poster presents a series of questions related to current, voltage, and charge in the circuit, with specific values provided for each component.

Discussion Character

  • Exploratory, Conceptual clarification, Assumption checking

Approaches and Questions Raised

  • Participants explore the effect of capacitors on current flow, questioning how a capacitor behaves in a DC circuit. There are discussions about voltage references and how to measure voltages relative to different points in the circuit.
  • Some participants inquire about the relationship between voltages at different nodes (Vb, Vc, Vd) and the implications of setting one voltage to zero.
  • Questions arise regarding the values of the capacitors and their impact on the circuit's behavior, particularly in terms of charge accumulation and voltage differences when the switch is closed.

Discussion Status

The discussion is active, with participants providing insights and asking clarifying questions. Some guidance has been offered regarding the nature of voltage measurements and the behavior of capacitors in the circuit. Multiple interpretations of the voltage relationships are being explored, particularly concerning the reference points for measuring voltage.

Contextual Notes

There is some uncertainty regarding the values of the capacitors, specifically whether C2 is indeed 8 millifarads or 8 microfarads. Participants are also navigating the implications of the switch being open or closed and how that affects the circuit's behavior.

Helly123
Messages
581
Reaction score
20

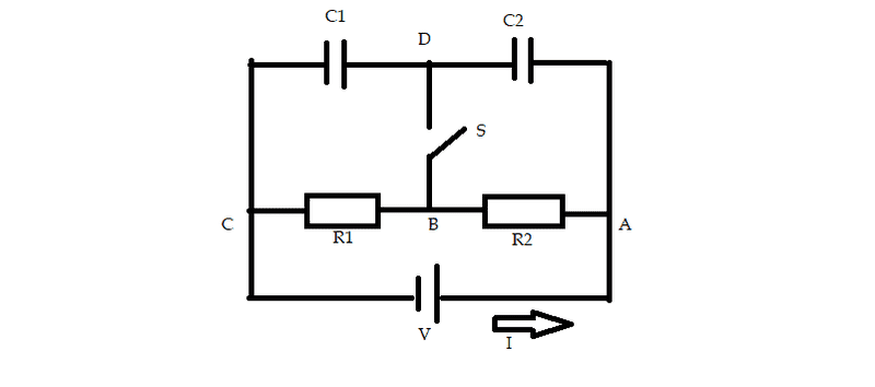
Homework Statement


2cscprn.png

C1 = 4 micro F
C2 = 8 mF
R1 = 4 ohm
R2 = 8 ohm
V = 12

Questions :
1) Find current I when S not closed
2) find Vb, when Vc is 0
3) find Vd, when Vc is 0
4) total charge move from B to D

Homework Equations


Vf - Vi = F.d/q
(not sure this below is useful equations)
I = E/Z
E = E resistor = E capacitor
I total = Iresistor + Icapacitor
z = 1/(1/Zr + 1/Zc)

The Attempt at a Solution



1) I = V/R = 12/12 = 1A. (I wonder if the capacitor will affect current? since in Q = CV, there is no current as in V= IR)

2) what makes the Vc is 0? I thought that Vb = 12 V - ## V_{resistor2ohm}## Is there any relation with Vc?

3) same as 2)

4) I thought maybe the charge referred is the charge in this equations (Vf - Vi) = F.d/q

any help is appreciated :)
 

Attachments

  • 2cscprn.png
    2cscprn.png
    4.9 KB · Views: 1,405
Physics news on Phys.org
Helly123 said:
1) I = V/R = 12/12 = 1A. (I wonder if the capacitor will affect current? since in Q = CV, there is no current as in V= IR)
1) Do you know how a capacitor is made? If not, I suggest that you look it up. How much direct current can flow across a capacitor?

Helly123 said:
2) what makes the Vc is 0? I thought that Vb = 12 V - ## V_{resistor2ohm}## Is there any relation with Vc?
3) same as 2)
The intent here is to assign an arbitrary voltage reference. In a circuit you can measure voltage differences. If you pick one point in the circuit as the reference point and call the voltage there ##0##, then you can express the voltage at other points relative to the reference point.

Helly123 said:
4) I thought maybe the charge referred is the charge in this equations (Vf - Vi) = F.d/q
When the switch is closed, what will be the voltage at D? What will be the voltage across each capacitor? Given the equation ##Q=CV##, how much charge will accumulate on each of the capacitors? What will be the sign of the charge on the capacitor plate of C1 that is connected to D? How about the sign of the charge on the capacitor plate of C2 that is connected to D?
 
  • Like
Likes   Reactions: Helly123
Helly123 said:
I thought that Vb = 12 V - ## V_{resistor2ohm}## Is there any relation with Vc?

You are correct but you need to understand that ALL voltages are measured relative to some point even if we are lazy and don't always explicitly say so.

When they say Vc=0 all they are doing is asking you to calculate Vb relative to Vc rather than relative to some other node. In this case Vc is connected to the -ve terminal of the battery so it's reasonable to define Vc = 0V.

When you wrote "12V" above you were probably referring to the voltage at the +ve terminal of the battery (or Va) relative to the -ve terminal (Vc).

When you wrote "Vresistor2ohm" you were probably referring to the voltage drop across R2. In other words the voltage of one end of R2 relative to the other end of R2.[/QUOTE]
 
  • Like
Likes   Reactions: Helly123
Helly123 said:
C1 = 4 micro F
C2 = 8 mF
Is C2 really 8 millifarads rather than 8 microfarads? If the intent was to produce an "interesting" capacitive voltage divider, then choosing one to be on the order of 1000 X the other seems a bit suspect to me. Just checking :smile:
 
gneill said:
Is C2 really 8 millifarads rather than 8 microfarads? If the intent was to produce an "interesting" capacitive voltage divider, then choosing one to be on the order of 1000 X the other seems a bit suspect to me. Just checking :smile:
Microfarads Sir :)
 
tnich said:
1) Do you know how a capacitor is made? If not, I suggest that you look it up. How much direct current can flow across a capacitor?
i still don't get it? Capacitor allows AC block DC, doesn't it?

The intent here is to assign an arbitrary voltage reference. In a circuit you can measure voltage differences. If you pick one point in the circuit as the reference point and call the voltage there ##0##, then you can express the voltage at other points relative to the reference point.
is it 8V if referred to point A, and 4V if referred to point C ?

When the switch is closed, what will be the voltage at D? What will be the voltage across each capacitor? Given the equation ##Q=CV##, how much charge will accumulate on each of the capacitors? What will be the sign of the charge on the capacitor plate of C1 that is connected to D? How about the sign of the charge on the capacitor plate of C2 that is connected to D?
The voltage across C2 is 12 V, in C1 also 12V
But i still don't get it, how to find current in C1 and C2
 
Last edited:
CWatters said:
You are correct but you need to understand that ALL voltages are measured relative to some point even if we are lazy and don't always explicitly say so.

When they say Vc=0 all they are doing is asking you to calculate Vb relative to Vc rather than relative to some other node. In this case Vc is connected to the -ve terminal of the battery so it's reasonable to define Vc = 0V.

When you wrote "12V" above you were probably referring to the voltage at the +ve terminal of the battery (or Va) relative to the -ve terminal (Vc).
i think, yes :)

When you wrote "Vresistor2ohm" you were probably referring to the voltage drop across R2. In other words the voltage of one end of R2 relative to the other end of R2.
Yes, is it 12V?
 
Helly123 said:
i still don't get it? Capacitor allows AC block DC, doesn't it?
That is correct. So zero direct current flows across a capacitor, in answer to your question, "I wonder if the capacitor will affect current?"
Capacitors can cause transient currents in DC circuits, though, and that is point of question 4). How much charge flows from point B to point D?

Helly123 said:
is it 8V if referred to point A, and 4V if referred to point C ?
That is not what I meant. If you pick C as your voltage reference point and set ##V_C = 0##, then at point A, the voltage ##V_A = V_A-V_C=12V## because the voltage difference from C to A is 12V. What would be ##V_B##, the voltage at B, given that ##V_C## is zero?
Helly123 said:
The voltage across C2 is 12 V, in C1 also 12V
For this problem, you only need to worry about the voltages across the capacitors when the switch is closed. If the switch is closed, what is the voltage difference between B and D? What does that tell you about the voltages across the capacitors?
 
  • Like
Likes   Reactions: Helly123
Helly123 said:
Yes, is it 12V?

No the voltage drop across R2 is not 12V.
 
  • Like
Likes   Reactions: Helly123
  • #10
Helly123 said:
is it 8V if referred to point A, and 4V if referred to point C ?

Correct. They ask for Vb relative to Vc so the answer is 4V.
The voltage across C2 is 12 V, in C1 also 12V

That's not correct. The total voltage across C1 and C2 added together must be the same as the battery voltage and the same as the voltage across R1 and R2 added together. That's because these three are all connected between the same nodes A and C.

But i still don't get it, how to find current in C1 and C2

Think how is a capacitor made. There are two plates with a gap between that is sometimes filled with air. No current ever flows "through" a capacitor. However when a voltage is applied to a capacitor electrons flow onto one plate and different electrons flow out of the other until the voltage across the capacitor matches the applied voltage and the flow of electrons stops. So it looks like current is flowing but only for a short period or while the applied voltage is changing (eg AC). In this circuit the voltage on the capacitor will eventually stabilise to a DC value ( there are no AC sources) so eventually the current in the capacitors will be zero.
 
  • Like
Likes   Reactions: Helly123
  • #11
To answer q4 I believe you need to assume the following steps occur...

1) the capacitors start off discharged, the switch is open and the battery is disconnected.
2) the battery is then connected and the capacitors charge so a voltage appears on D and another voltage, possibly different, appears on B.
3) the switch is made/closed connecting B and D.
4) if the voltage on B and D calculated in step 2 was different then current would flow until it was the same. They are asking how much charge flows.

Start by working out the voltages at step 2. You have already calculated Vb so just need to calculate Vd.
 
  • Like
Likes   Reactions: Helly123
  • #12
CWatters said:
Correct. They ask for Vb relative to Vc so the answer is 4V.
i still don't get it. Why refers to Va become 4V. I thought that the voltage "remains" after used at point C is 4V. So the point B is 4V
 
  • #13
That is not what I meant. If you pick C as your voltage reference point and set ##V_C = 0##, then at point A, the voltage ##V_A = V_A-V_C=12V## because the voltage difference from C to A is 12V. What would be ##V_B##, the voltage at B, given that ##V_C## is zero?
##V_B = V_B
-V_ C= 4V## because Vb = 4V? Vb = 4V because the V remains after used in C is 4V.
 
  • #14
Helly123 said:
i still don't get it. Why refers to Va become 4V. I thought that the voltage "remains" after used at point C is 4V. So the point B is 4V
I think we missunderstand each other.

With the switch open..

Vc = 0V
Va = 12V with respect to Vc
Vb = 4V with respect to Vc
Vb = -8V with respect to Va

When the switch is made/closed the voltage Vb may change briefly but it will quickly return to the same value I have listed above.
 
  • #15
Helly123 said:
##V_B = V_B
-V_ C= 4V## because Vb = 4V? Vb = 4V because the V remains after used in C is 4V.

VB = VB - VC

Doesn't make sense. You should use the double subscript notation...

VBC = VB - VC

Makes sense.

VBC is the voltage at node B relative to node C. This is the voltage you would measure if you connected a volt meter with the black lead on node C and the red lead on node B.
 
  • Like
Likes   Reactions: Helly123
  • #16
More help...

With the switch open...

The current through the resistors is 1A so VBC = 4V.

How to work out VDC... If the capacitors start off discharged then when the battery is connected they will quickly charge up. The charge that flows is the same for both capacitors because they are in series.

The general equation is Q=CV. If the charge is the same you can write...

C1* VDC = C2* VAD

You also know that..

VDC + VAD = 12V

If you solve these equations you get..

VDC = 8V

So with the switch open there is 4 volts across the switch.
 
  • Like
Likes   Reactions: Helly123
  • #17
CWatters said:
More help...

So with the switch open there is 4 volts across the switch.
Amazing!
btw, do you mean when the switch closed there is 4V across B-D (switch) ?
 
  • #18
CWatters said:
To answer q4 I believe you need to assume the following steps occur...

1) the capacitors start off discharged, the switch is open and the battery is disconnected.
2) the battery is then connected and the capacitors charge so a voltage appears on D and another voltage, possibly different, appears on B.
3) the switch is made/closed connecting B and D.
4) if the voltage on B and D calculated in step 2 was different then current would flow until it was the same. They are asking how much charge flows.

Start by working out the voltages at step 2. You have already calculated Vb so just need to calculate Vd.
the voltage flow from D to B is 4V (from D to B or B to D? but the ##V_D## = 8V, and ##V_B## = 4V, so from D to B ?)
the C1 and C2 is parallel now (when switch made) ? before it was series
so C total = 12 microFarads

Q flow from D to B = 48 microC = 4.8 ##10^{-5}## C?
 
  • #19
Helly123 said:
Amazing!
btw, do you mean when the switch closed there is 4V across B-D (switch) ?

No I mean when it's open. A closed/made switch had close to zero resistance so it cannot have a voltage across it or there would be a huge current flow.
 
  • Like
Likes   Reactions: Helly123
  • #20
Helly123 said:
the C1 and C2 is parallel now (when switch made) ? before it was series
so C total = 12 microFarads

I don't understand what you are saying.

Q flow from D to B = 48 microC = 4.8 10−510−510^{-5} C?

That is the answer I got...

The voltage across C1 changes from 8V to 4V. Q= 4*4*10-6 = 16*10-6C
The voltage across C2 changes from 4V to 8V. Q= 4*8*10-6 = 32*10-6 C

Both lots of charge flow through the switch so the total charge is 48*10-6C from D to B
 
  • Like
Likes   Reactions: Helly123
  • #21
I made this graph to show how Vd and Vb change.. Both voltages are with respect to Vc.
Voltage Time graph.jpg
 

Attachments

  • Voltage Time graph.jpg
    Voltage Time graph.jpg
    13.6 KB · Views: 1,021
  • Like
Likes   Reactions: Helly123
  • #22
CWatters said:
I don't understand what you are saying.
That is the answer I got...

The voltage across C1 changes from 8V to 4V. Q= 4*4*10-6 = 16*10-6C
The voltage across C2 changes from 4V to 8V. Q= 4*8*10-6 = 32*10-6 C

Both lots of charge flow through the switch so the total charge is 48*10-6C from D to B
Charges flow from D to B. But, the question asked is from B to D. How is it?
 
  • #23
Helly123 said:
Charges flow from D to B. But, the question asked is from B to D. How is it?
Ok so I think the answer should be -48*10-6C.
 
  • #24
CWatters said:
Ok so I think the answer should be -48*10-6C.
I thought so at first . But, the answer is 48*10-6C. Lol
 
  • #25
Both lots of charge flow through the switch so the total charge is 48*10-6C from D to B
How to know that both charges flow through switch?
The voltage at C1 going to negative pole, but instead the charges go to switch?
 
  • #26
I will try and post a diagram.
 
  • #27
CWatters said:
I will try and post a diagram.
yes please
 
  • #28
Two diagrams. First shows the direction of current flow when a capacitor is charging or discharging...

Capacitors.jpg

Second diagram shows which capacitor is charging and which is discharging in your circuit...
Current through switch.jpg
 

Attachments

  • Capacitors.jpg
    Capacitors.jpg
    12.8 KB · Views: 865
  • Current through switch.jpg
    Current through switch.jpg
    41.4 KB · Views: 1,017
  • Like
Likes   Reactions: Helly123
  • #29
CWatters said:
Two diagrams. First shows the direction of current flow when a capacitor is charging or discharging...

View attachment 221962
Second diagram shows which capacitor is charging and which is discharging in your circuit...
View attachment 221963
if the voltage in C1 going through the switch, how about the voltage in D to C nodes?
the voltage in D to C nodes is 4V, the voltage still going circle in the circuit, but causes charges to move in the switch is that it? is that the voltage in D to C the same as D to B, because D-C and D-B parallel?

charges in C1 and C2 going through the switch (D to B) does it also go to D to C to A ?
 
  • #30
Helly123 said:
if the voltage in C1 going through the switch, how about the voltage in D to C nodes? the voltage in D to C nodes is 4V, the voltage still going circle in the circuit, but causes charges to move in the switch is that it? is that the voltage in D to C the same as D to B, because D-C and D-B parallel?

I do not understand your question. In some places you say "voltage" when you mean "current"?

Please see the graph in #21.

1) With switch open..
The voltage on node D (with respect to C) = 8V.
The voltage on node B (with respect to C) = 4V.

2) When the switch is closed...
Node D is connected to node B. This means node D and B must have the same voltage. How do we decide if this is 8V or 4V? I will explain how..The voltage on node D cannot change instantly because of the capacitors...

Q=CV
differentiate
dQ/dt = C dV/dt

dV/dt cannot be very large because it would need a very large current (dQ/dt).

If the voltage on node D cannot change quickly then the voltage on node B must change because they are connected by the switch. So what happens is the voltage on node B shoots up from 4V to 8V. So now both node D and B become 8V. This is shown in the middle of the graph.

3) After that the resistors keep trying to "pull" the voltage on node D/B from 8V back down to 4V. This is the curved part of the graph in #21.

During the curved part of the graph current flows like this..
Current Flow.jpg

4) After some time the nodes D and B reach 4V and the two current shown stop flowing.
 

Attachments

  • Current Flow.jpg
    Current Flow.jpg
    13 KB · Views: 758
  • Like
Likes   Reactions: Helly123

Similar threads

Replies
2
Views
1K
  • · Replies 4 ·
Replies
4
Views
2K
  • · Replies 3 ·
Replies
3
Views
966
Replies
9
Views
3K
Replies
15
Views
2K
Replies
20
Views
2K
  • · Replies 10 ·
Replies
10
Views
3K
  • · Replies 3 ·
Replies
3
Views
2K
Replies
9
Views
1K
  • · Replies 6 ·
Replies
6
Views
3K